|
摸一下收音机,它就响了,再摸一下,它就封锁不响了。稍加改装,可以用到其余电器上,操纵起来很利便。
这个小制浸染到一块集成电路。在当代电子技能中,各类集成电路获得了普及的应用。
集成电路按事变性子分为数字集成电路和模仿集成电路。在§2-11中微型收音机曾用到一块集成电路属于模仿集成电路,这里应用了一块CD4011属数字集成电路。它们的事变道理,同窗们可参阅有关书本。
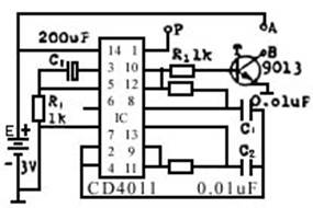
图2-12-1是电道理图。图2-12-2是印刷电路板。

图 2-12-1 图 2-12-2
认一认
名 称
电路标记
实物图
备 注
电阻
电容
电解电容
引线有正负极性
集成电路
留意IC的缺口位置
三极管
干电池
测一测
1.测电阻(R),要领见图2-12-3。万用表置Ω档×1K处,调零。测得R1、R2约1K,R3、R4约3K。


图 2-12-3 图 2-12-4
2.测电解电容C3,要领见图2-12-4。表棒刚打仗C3引线时,指针较大幅度地摆动,然后逐渐回到原本位置四面。
3.测电容C1、C2,要领见图2-12-5。表棒刚打仗电容的引线时,指针摆动较小幅度后回到原本位置四面。
4.测晶体管(T),要领见图2-12-6。万用表量程置NPN档,三极管的e、b、c别离插入万用表NPN档的e、b、c中。(hFE)值大于50。
试一试
1.将各元件的引线刮净、上锡待用。
2.将集成电路的插座按图2-12-2所示瞄准缺口焊接在电路板上,插座各脚引线间距较小,当心短路。不应毗连的绝对不能连起来。
3.汗亓阻R1、R2、R3、R4。
4.装焊C1、C2。焊C3时,引线有正负极性,不能搞错。
5.装三极管T,留意e、b、c引线不能焊错。
6.在电路板A、B处接一只小电珠(手电筒顶用的2.2V)。搜查电路无误后,插上CD4011。集成电路上的小缺口与电路板上的小缺口(看虚线)瞄准。接上3V电源,用小旋凿的金属部门触及电路板上P点,小灯会随之一亮一灭。该小建造只要元件齐备,焊接正确,不需调解即可事变。
用收音机换下小电珠。留意正负极。详细要领是取出收音机中的电池,电路板上的A点去吸取音机中的原电池正极,B点去吸取音机华夏电池负极。将P点用电线引到收音机外壳上适本处所。打开收音机便可举办试验了。
想一想
1.假如操作收音机中的电池,不把它们取出,那么电路怎样毗连到收音机中去?
2.这一类小建造稍加窜改,应用的规模扩大了。你还能将它用到哪些场所?
3.奈何测出干电池供应电路的电流值?[注:电流在电线中流过,丈量电流的巨细必需断开电线,把万用表置电流档后串联到断开的电线中,让电流流过万用表。丈量时要留意量程的选择,还要让电流从万用表的“十”流入(红棒),从“一”流出(黑棒)。这一题的操纵要领:万用表置(mA)档10处,对应的刻度线为从上往下数第二条。刻度值看“0~100”档,读出的数值应缩小十倍。在电池正极与电路毗连处断开,红表棒接电池正极,黑表棒接电路,指针所对应的刻度值缩小十倍即是电池供应电路的电流巨细。你可以试一试量程置100或1时的丈量环境。]
(责任编辑:admin) |