|
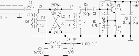
单边带通讯是业余无线电通讯的一种方法。收音机对换幅信号解调时,必需将载波和携带信息的边带同时加到检波器上,才气解调出发射端的调制信号。因为单边带信号中没有载波,以是收音机是不能解调出单边带信号的。当收音机收到这种信号后,放出来的只会是噪声。 要想让收音机解调出单边带信号,必需发生一个假载波加到收音机上。笔者用收音机在现实收听单边带信号进程中,建造了如附图所示的单边带解调器,乐成地解调出了单边带信号。图中电路由两部门构成:(1)由D1~D4、L1~L4构成环形解调器;(2)由V1与外围元件组成中泼魅振荡器(充当载波);(3)由L5、C2、C3构成低通滤波器,单边带信号从收音机的信号检波之前取出。经屏障线通过C1、L1、L2送到D1~D4,同时中泼魅振荡器发生的信号经L4、L3也送到D1~D4,此时两路信号在D1~D4中举办混频,发生和频与差频。个中差频是所要听的声频信号,它通过低通滤波器送到低放举办放大。 电路中的L1~L5必要廉价。建造时,先找三个电子镇流器中的振荡磁环,这种磁环的导电率较量高,绕制线圈之前先将磁环外表刷一层绝缘漆,等漆干后再绕线圈。L1~L4用∮0.>mm的漆包线绕制,L5用∮0.13mm的漆包线绕制。L1和L2同绕一个磁环。L3和L4同绕一个磁环。留意:L2、L3都是双线并绕的。然后将个中一线的头与另一线的尾毗连作为中心抽头。晶体的频率与收音机的中几回率沟通,如收音机的中频为465kHz,便选用465kHz的晶体。 电路组装好后,一样平常不消调试便可吸取单边带信号了。 对收听中的几点提议:(1)选用的收音机或收录机最好带有微调装置,若没有可自行加装。当收到一个单边带信号后,便可迟钝地拨动微调对声音的音调举办调理,直至听到满足的声音。(2)天天早上八点钟就有海内的业余电台在14MHz四面通讯,此时收到单边带信号的机遇就会高些。(3)因为业余电台的发射功率都很小,提议将收音机的天线加长三至五米。 陕西 于江
(责任编辑:admin) |
















