|
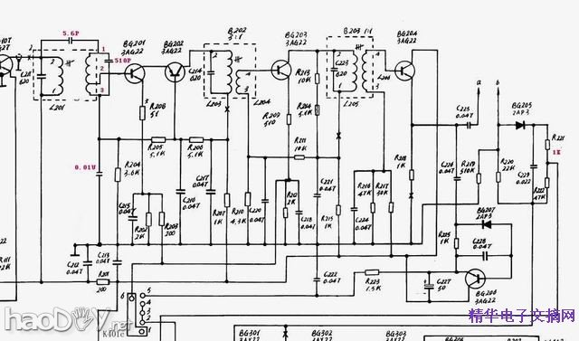
改后高放版图片: 上面改装我是先用简便连接在一个晚上连绕三电感带改电路就ok,但下来的完善又花了停停打打几个月时间,中间老有些再感兴趣的玩意玩玩,老摆在一地方看了烦,近来一鼓作气杀青了。改动的地方还有: 1.拆了个旧半路死的8欧输出牛将原600欧的换下。 2.在机器屁股地方挖了3寸喇叭洞,套上只电脑风扇罩。 3.将原检波后的R221电阻换为1K。这电阻原阻值10K与下拉的R222 47K电阻与W401 22K电位器(2阻值并连约15K)使的检波来的电平才60%到达低放电路,这应该是在推耳机是已经够了。 4.K401a工种开工的4,5脚间连线剪断,使要关机反拧一下即可。当然开是正一拧。 5.为使音频带宽大些,声音好听些,将原第一中放的LB201陶瓷滤波器拆除,也是用一只10X10的中周骨架绕了只调谐线圈代入,1-2绕93圈,2-3绕8圈,线经也是0.08mm漆包线。使第一中周为双调谐,再将BG201 b级连接R204与R205电阻的铜薄割断,二头串接如新加中周2,3端,再R204与R205端新接一0.01U电容下地。再将原C130的510P接在这中周1,3端。还要加一6P左右的电容将第一中周二调谐线圈热端连起来,手头没这小电容,用二根长10Cm的跳线搅和后接入,效果良好。 6.加装了根120Cm的拉杆天线作短波接收用,在一般情况下已经很满足要求。这拉杆天线的卡头做的特得意!顺手捡来1破旧朔料盒一角二钻三挫就ok了。 在中波统调过程中我这机器是这样情况,中震频率调整很好,一步就到530-1620范围。在调高放部分跟踪的高端C116调到最高(容量最小)还太大,将C114 15P拆了ok,我这机器将短二的C117微调调低了些ok,在短三就将C118调到最低还不够,我再将拆下的C114并在C118二端也ok了。天线回路我原用在本潭里来的28X0.07的纱包线绕的,中波跟踪在低端良好,也在高端将C109调最小还大了些。后改为7X0.07的纱包线再将磁棒骨架在外线包能放下的原则下将天线骨架做大些。现在我这机器用这参数全中波频率范围跟踪良好。手头没定性测试的家伙,与我手头有的带高放的熊猫B11,春雷3T3比较接收效果还好些,特别是这机的AGC电路控制效果比感觉特好,收本地电台与江苏上海等地的大功率广播电台(台湾,香港更不用说了)居然电平没啥大小感觉,这指标比较高。我看到潭里有朋友说这机器的AGC电路不理想,那我感觉就是他那机器的这部分电路没在状态了。 (责任编辑:admin) |

















