|
杜希2.3分频器电路.jpg (33.65 KB)
HI-VI8寸三分频.jpg (60.72 KB)
HI-VI双6.5寸中置.jpg (58.53 KB)
杜希2.3-98音箱分频器电路.jpg (44.41 KB)
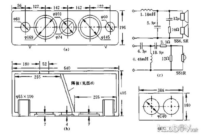
惠威K3312音箱箱体图.jpg (85.33 KB)
惠威K3312音箱分频器电路.jpg (37.47 KB)
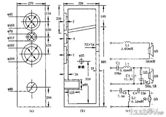
惠威S2216音箱箱体结构图.jpg (64.49 KB)
惠威S2216音箱分频器电路.jpg (22.31 KB)
惠威S2216音箱分频器电路.jpg (22.31 KB)
|
































