|
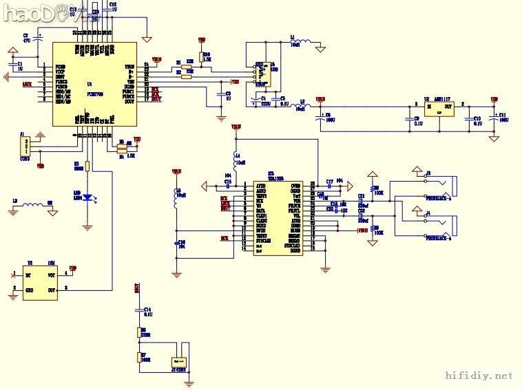
据说现在USB DAC很流行 所以我也做了一个 原理图 经过几天的等待 板子专用于回来了 前两个失败的版本就不上照片了 这是第三版 先焊贴片 稳压 PCM2706 TDA1305 貌似焊功还行哈 这是做好的样子 电阻和部分电容都是双面焊接 保证焊接质量 装盒子了 (责任编辑:admin) |
|
据说现在USB DAC很流行 所以我也做了一个 原理图 经过几天的等待 板子专用于回来了 前两个失败的版本就不上照片了 这是第三版 先焊贴片 稳压 PCM2706 TDA1305 貌似焊功还行哈 这是做好的样子 电阻和部分电容都是双面焊接 保证焊接质量 装盒子了 (责任编辑:admin) |
最近收了台二手雕刻机,3D的还没学会,咱做2D的。手工活就是拧螺丝,所以没啥过程可写...
近排上论坛见多位DIY友玩车载CD,看得我心痒的,见六一有两天假就整一台玩玩,来完我...
最近闲来无事!做个车载CD改家用给广大的友友们分享一下下! 首先我们要找到万能的淘...
先上图: 1.JPG (90.7 KB, 下载次数: 2) 下载附件 保存到相册 2012-11-25 08:09 上传 ...
据说现在USB DAC很流行所以我也做了一个 原理图 经过几天的等待 板子专用于回来了 前...
近日常逛论坛,看了不少DX作品,忍不住也秀秀自己近期的一款DAC作品。 配置:DIR9001+...
刚做好的一台PCB热转印机,小试
更新:2017-08-01
之前买的IPOD SUFFLE,组装底座
更新:2017-05-24
用CDM4+310主板DIY的转盘<制
更新:2013-01-25
sony cdp 591摩机
更新:2012-09-02