最好的电子音响科技diy制作网站

haoDIY_音响电子电脑科技DIY小制作发明

diy制作HIFI wav mini 解码播放器 超级精简版本附电线路图

时间:2013-01-15 07:54来源:bbs.hifidiy.net 作者:孙强 点击:
HIFI wav mini 播放器 超等精简版本 开工 20121215 手上恰恰有个小盒子80*50*20 很是可爱 想想干点什么好呢 爽性做一个 hifi mini wav 播放器好了 下载 (33.96 KB) 2012-12-15 18:15 下载 (36.99 KB) 2012-12-15 18:15 起源的假想是 1.只能播放wav 16 .44.1k
HIFI wav mini 播放器 超等精简版本 开工 20121215


手上恰恰有个小盒子  80*50*20 很是可爱 想想干点什么好呢 爽性做一个 hifi mini wav 播放器好了
diy制作HIFI wav mini 解码播放器 超级精简版本附电线路图

diy制作HIFI wav mini 解码播放器 超级精简版本附电线路图

起源的假想是
1.只能播放wav 16 .44.1k 的根基cd音频
2.单片机回收dspic33f通过dma 输出wav 文件到iis
3.去掉统统没有效的成果譬喻什么遥控,液晶屏之类的 通通不要
4.读取sd卡2g就好大卡找歌曲很是贫困
5.单片机单线程事变 解除统统滋扰用心播放wav低落音源输出JITTER
6.回收大型台式机才用的概略积11.2896mhz的温补晶体
7.dac回收超等迷你的cs4344 24 192 95db
8.直接line out 模仿输出
9.根基到达家用dvd的播放程度


着实就是我们八零后,有严峻的 磁带随身听情节的产品



cs8406的同轴输出册本会在cs4344模仿输出调试通过往后主开始计划制作,牵扯到709脉冲输变压器预计这个对象不自制


HIFI wav mini 播放器 超等精简版本
本日总体筹划了一下这个小播放器 的 根基布局
diy制作HIFI wav mini 解码播放器 超级精简版本附电线路图
这是外壳的尺寸板子的形状尺寸就定在47.5*80
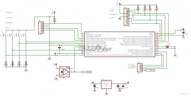
线路图方面直接用现成的

diy制作HIFI wav mini 解码播放器 超级精简版本附电线路图
我记得这个图论坛有伴侣用过 照旧海外的一个diy站点上的既不清晰了
CS4344应用电路图

diy制作HIFI wav mini 解码播放器 超级精简版本附电线路图


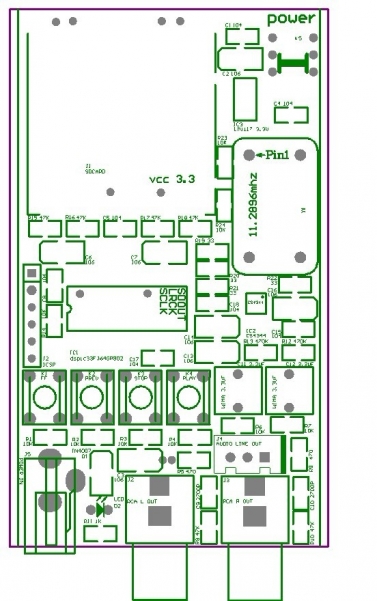
因为电路图其实是太简朴了 上午用protel 做了一个元件机关图
diy制作HIFI wav mini 解码播放器 超级精简版本附电线路图

轻微声名下
1.左上角就是 sd卡座了行使molex的产物 这个品牌的接插件不错
2.sd卡座旁边就是ldo了 行使 lm1117 3.3 同时为dsc dac 晶体以及sd 供电 总电流150ma 以内 一个lm1117 3.3v足够了
3.sd卡座下面就是dspic33FJ64GP802  算是dspic家属的小弟弟了 可是机能并不弱 8个DMA  4 个缓存可供 I2S 行使, 根基不占用 cpu 播放wav很是抱负
4.ldo下面就是 11.2896 温补晶体了 温补晶体为了 cs4344和dspic33FJ64GP802 提供mclk   256分频  11.2896 mhz/256=44.1khz wav取样频率就是从这里来的,在这个小呆板上用上昂贵的温补晶体 我有点难熬,看后期的制作结果了 ,良久僵持用欠好就换平凡有缘晶体,心痛中。
5.晶体下面就是 cs4344了体积小的如如大米粒 预计是 焊接的难点了,曾经听过 cs4334不是很满足 看看同价位的进级产物4344 有没有上佳示意
6.cs4344下面就是输出耦合电容了 这里用上了 两个音乐妙药 红wima耦合电容3.3uf 这个要3块钱一个 算是对得起 cs4344了 照旧有点心痛
7.电阻全用0805贴片 每个芯片配上一组 0.1uf 0805 avx10uf 但电容 退耦。
8.rca 莲花插座直接输出模仿信号

然后开始费力的布线事变了



本日把pcb草草的画好了 不是很考究
不外在这么小的面积内里布线照旧费了一番心思
线路图很是简朴可以不消绘制 sch 直接安排元件直接连线就行了
diy制作HIFI wav mini 解码播放器 超级精简版本附电线路图
织梦二维码生成器
顶一下
(2)
20%
踩一下
(8)
80%
相关文章
------分隔线----------------------------
发表评论
请自觉遵守互联网相关的政策法规,严禁发布色情、暴力、反动的言论。
评价:
表情:
用户名: 验证码:点击我更换图片
栏目列表
推荐内容