最好的电子音响科技diy制作网站

haoDIY_音响电子电脑科技DIY小制作发明

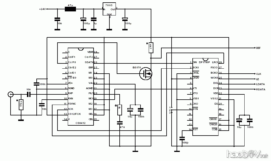
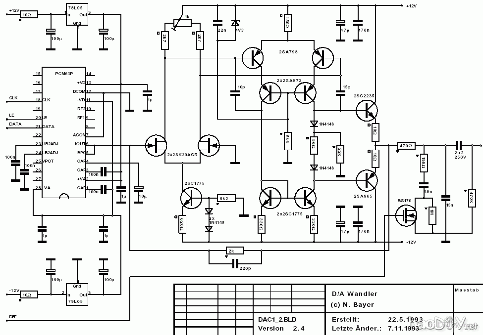
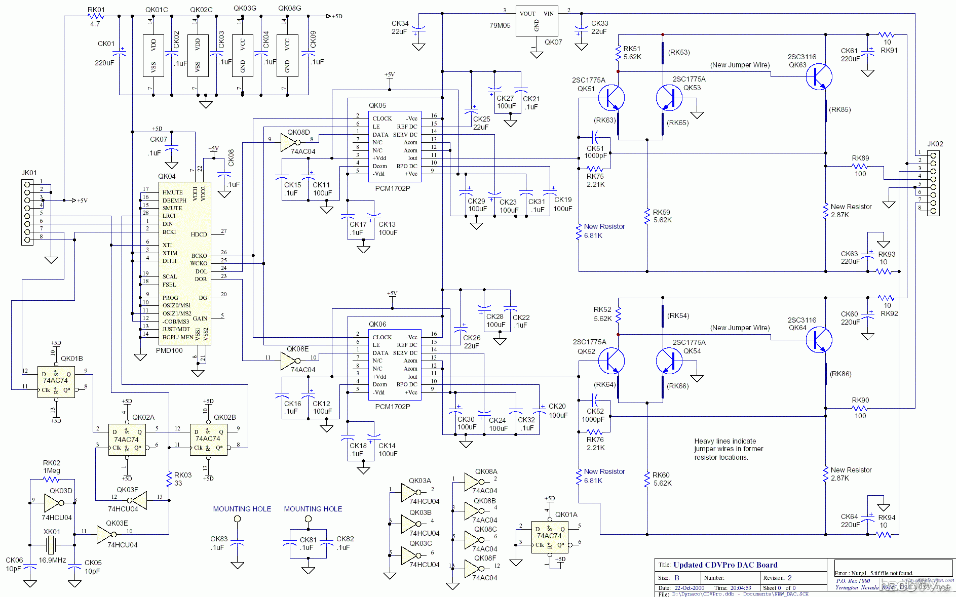
DAC解码器电路图集pcm1702,pcm58,pcm63,pcm1793,ad1865,tda1541

时间:2012-10-05 10:29来源:hifidiy.net论坛 作者:songrisi 点击:
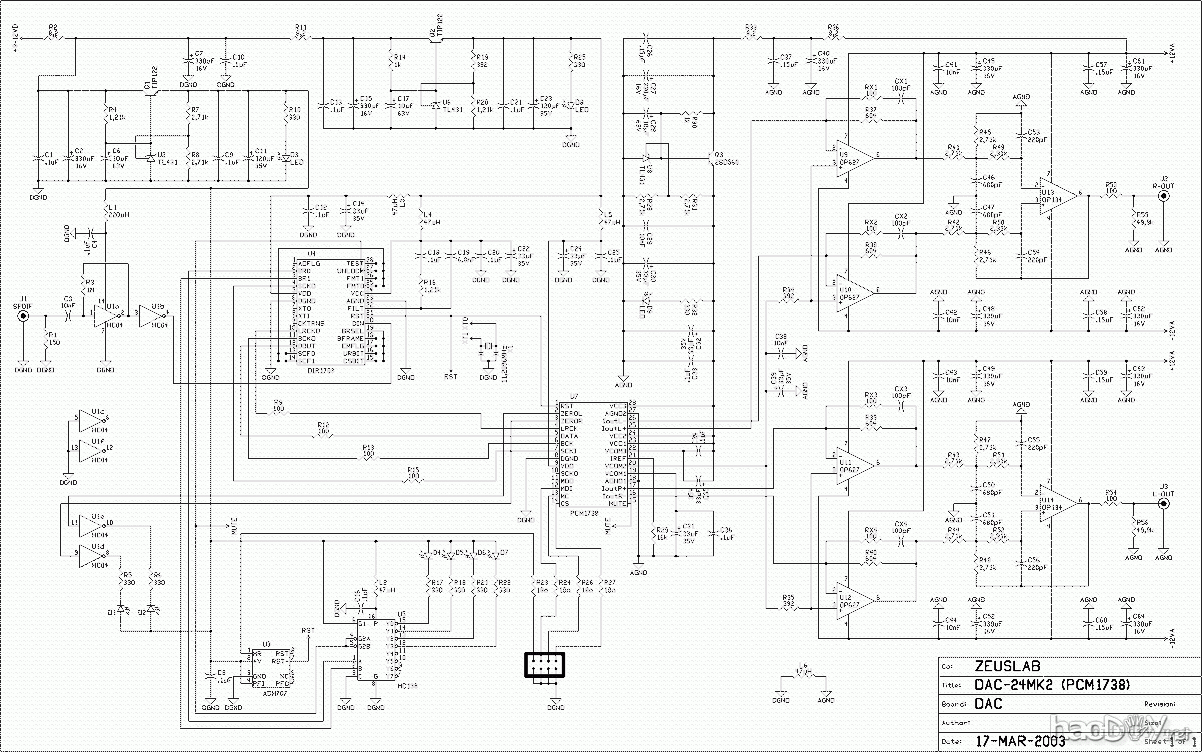
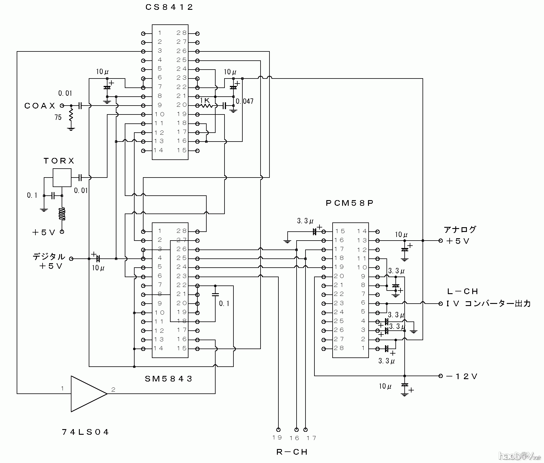
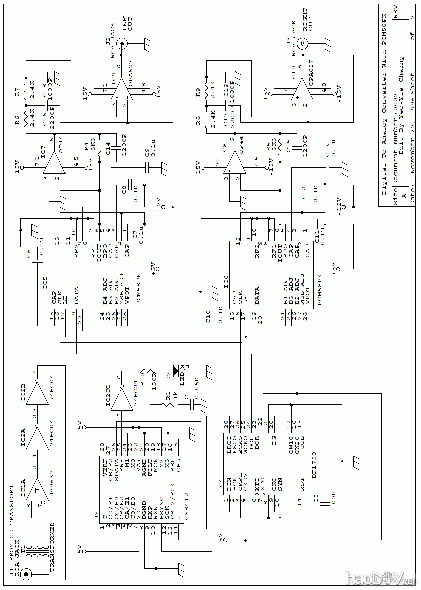
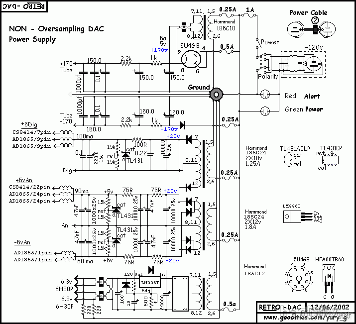
现在很多人手上都有DAC,但是一旦出了问题却无从下手,今天特意为大家献上部分常用DAV电路图集,希望给烧友安装调试带来方便! 下载 (13.24 KB) 2011-4-13 19:24 下载 (129.27 KB) 2011-4-13 19:24 下载 (50.55 KB) 2011-4-13 19:24 下载 (18.51 KB) 2011-4-13

现在很多人手上都有DAC,但是一旦出了问题却无从下手,今天特意为大家献上部分常用DAV电路图集,希望给烧友安装调试带来方便!
DAC解码器电路图集pcm1702,pcm58,pcm63,pcm1793,ad1865,tda1541


DAC解码器电路图集pcm1702,pcm58,pcm63,pcm1793,ad1865,tda1541

DAC解码器电路图集pcm1702,pcm58,pcm63,pcm1793,ad1865,tda1541 DAC解码器电路图集pcm1702,pcm58,pcm63,pcm1793,ad1865,tda1541 DAC解码器电路图集pcm1702,pcm58,pcm63,pcm1793,ad1865,tda1541 DAC解码器电路图集pcm1702,pcm58,pcm63,pcm1793,ad1865,tda1541 DAC解码器电路图集pcm1702,pcm58,pcm63,pcm1793,ad1865,tda1541 DAC解码器电路图集pcm1702,pcm58,pcm63,pcm1793,ad1865,tda1541 DAC解码器电路图集pcm1702,pcm58,pcm63,pcm1793,ad1865,tda1541
DAC解码器电路图集pcm1702,pcm58,pcm63,pcm1793,ad1865,tda1541
织梦二维码生成器
顶一下
(16)
66.7%
踩一下
(8)
33.3%
------分隔线----------------------------
发表评论
请自觉遵守互联网相关的政策法规,严禁发布色情、暴力、反动的言论。
评价:
表情:
用户名: 验证码:点击我更换图片
栏目列表
推荐内容