最好的电子音响科技diy制作网站

haoDIY_音响电子电脑科技DIY小制作发明

先锋PD-C3倒置转盘改:同轴,时钟,I2S

时间:2012-10-11 16:22来源:未知 作者:admin 点击:
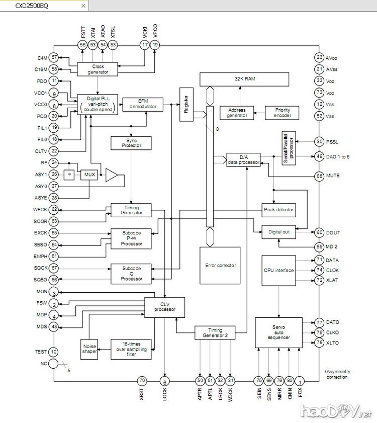
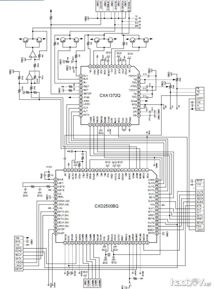
光头:CMK-54XT 控制:CXA1372Q+CXD2500BQ 解码:PD2026B 时钟:16.9344 CXD2500BQ:脚位功能 PD2026B:脚位功能 34脚DATA 13脚XIN 35脚BCK 19脚XOUT 32脚LRCK 25脚DATA 53脚XIN 26脚BCK 54脚XOUT 27脚LRCK 55脚时钟选择,低电平为16.9344 59脚同轴信号开关,

光头:  CMK-54XT
控制:CXA1372Q+CXD2500BQ
解码:PD2026B
时钟:16.9344


CXD2500BQ:脚位功能                             PD2026B:脚位功能
    34脚DATA                                                                13脚XIN
    35脚BCK                                                                  19脚XOUT
    32脚LRCK                                                                25脚DATA
    53脚XIN                                                                    26脚BCK
    54脚XOUT                                                                27脚LRCK
    55脚时钟选择,低电平为16.9344
    59脚同轴信号开关,高电平为开
    60脚同轴信号输出
    68脚静音控制,低电平为开

 先锋PD-C3倒置转盘改:同轴,时钟,I2S

先锋PD-C3倒置转盘改:同轴,时钟,I2S

 

先锋PD-C3倒置转盘改:同轴,时钟,I2S

 

先锋PD-C3倒置转盘改:同轴,时钟,I2S

 

先锋PD-C3倒置转盘改:同轴,时钟,I2S

 

 

改同轴:
            确认59脚悬空后串1K电阻至+5V
            60脚引信号到同轴板输入端
            68脚接地关闭静音功能

改时钟:
            拆去PD2026B的13.14脚所有外围元件
            16.9344时钟由13脚引入
            时钟信号由19脚输出

            如不用PD2026B的话
           确认CXD2500BQ的55脚接低电平
           时钟信号直接加至的53脚
           54脚时钟输出至DAC解码板

改I2S:
          34脚DATA
          35脚BCK
          32脚LRCK
          54脚XOUT
          52脚GND

先锋PD-C3倒置转盘改:同轴,时钟,I2S
   
先锋PD-C3倒置转盘改:同轴,时钟,I2S
 
先锋PD-C3倒置转盘改:同轴,时钟,I2S
(责任编辑:admin)
织梦二维码生成器
顶一下
(4)
100%
踩一下
(0)
0%
相关文章
------分隔线----------------------------
发表评论
请自觉遵守互联网相关的政策法规,严禁发布色情、暴力、反动的言论。
评价:
表情:
用户名: 验证码:点击我更换图片
栏目列表
推荐内容