最好的电子音响科技diy制作网站

haoDIY_音响电子电脑科技DIY小制作发明

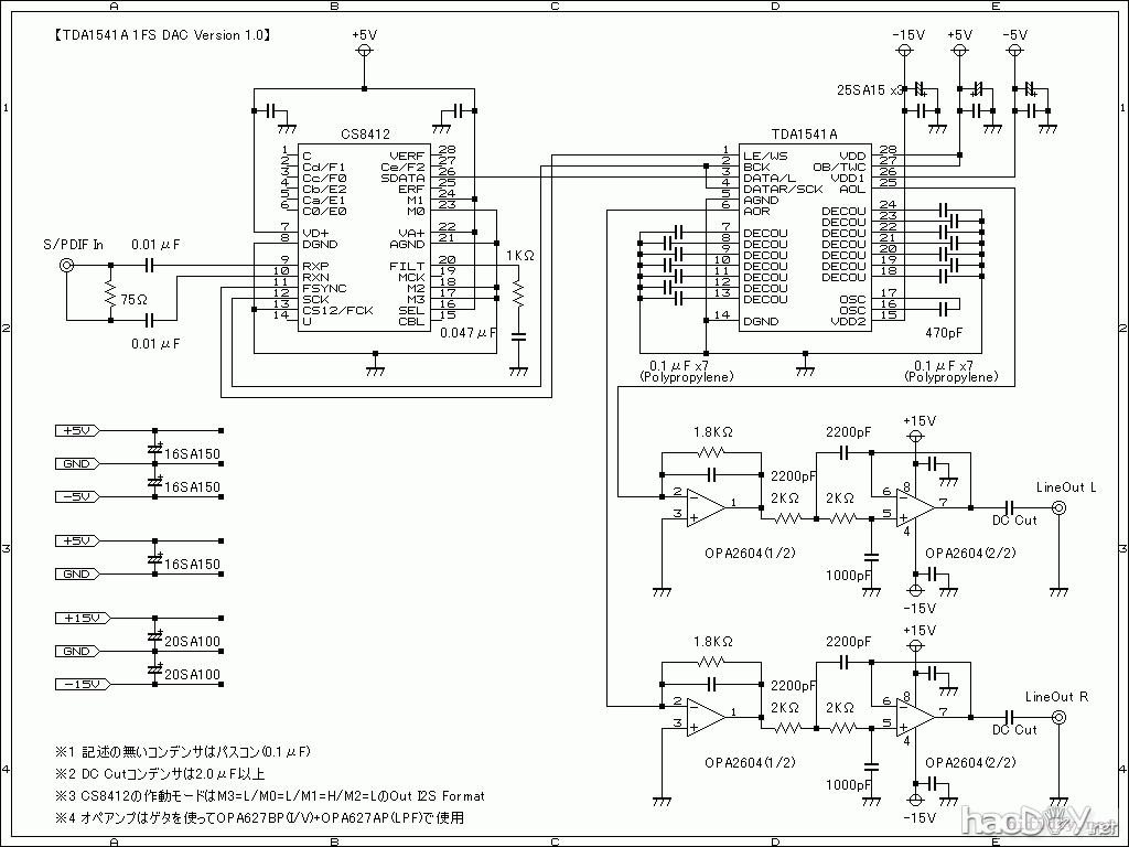
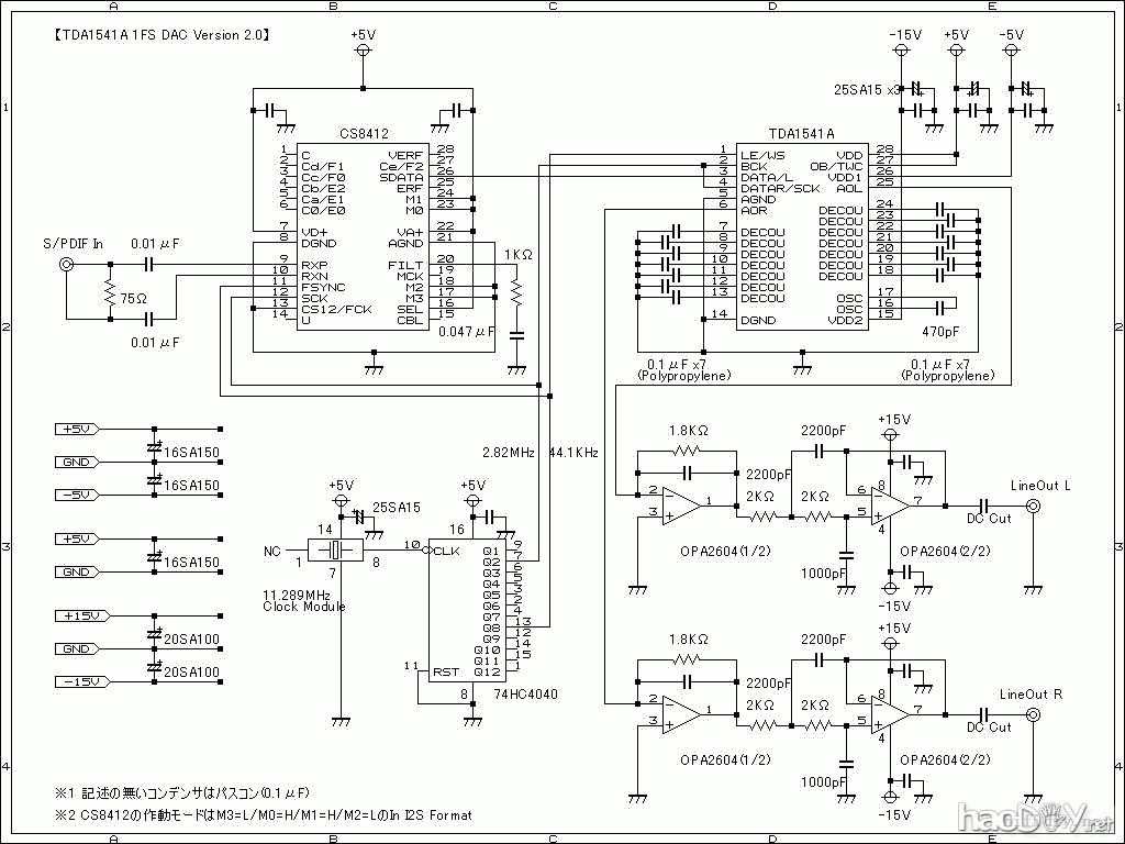
DAC解码器电路图集pcm1702,pcm58,pcm63,pcm1793,ad1865,tda1541(3)

时间:2012-10-05 10:29来源:hifidiy.net论坛 作者:songrisi 点击:
下载 (22.41 KB) 2011-4-13 19:25 下载 (28.31 KB) 2011-4-13 19:25
DAC解码器电路图集pcm1702,pcm58,pcm63,pcm1793,ad1865,tda1541 DAC解码器电路图集pcm1702,pcm58,pcm63,pcm1793,ad1865,tda1541

DAC解码器电路图集pcm1702,pcm58,pcm63,pcm1793,ad1865,tda1541

(责任编辑:admin)
织梦二维码生成器
顶一下
(16)
66.7%
踩一下
(8)
33.3%
------分隔线----------------------------
发表评论
请自觉遵守互联网相关的政策法规,严禁发布色情、暴力、反动的言论。
评价:
表情:
用户名: 验证码:点击我更换图片
栏目列表
推荐内容