最好的电子音响科技diy制作网站

haoDIY_音响电子电脑科技DIY小制作发明

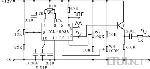
一个新手的DIY尝试,icl8038低频信号发生器

时间:2012-09-02 15:24来源:未知 作者:admin 点击:
本人基本是一个菜鸟,除了懂点焊接之外,其它基本不会,这几天尝试做了一个低频信号发生器,欢迎批评指正 波形
本人基本是一个菜鸟,除了懂点焊接之外,其它基本不会,这几天尝试做了一个低频信号发生器,欢迎批评指正


一个新手的DIY尝试,icl8038低频信号发生器
一个新手的DIY尝试,icl8038低频信号发生器
波形

一个新手的DIY尝试,icl8038低频信号发生器
一个新手的DIY尝试,icl8038低频信号发生器
一个新手的DIY尝试,icl8038低频信号发生器
(责任编辑:admin)
织梦二维码生成器
顶一下
(0)
0%
踩一下
(0)
0%
相关文章
------分隔线----------------------------
发表评论
请自觉遵守互联网相关的政策法规,严禁发布色情、暴力、反动的言论。
评价:
表情:
用户名: 验证码:点击我更换图片
栏目列表
推荐内容