|
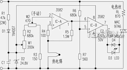
市面上贩卖的浅显恒温电烙铁,其恒温节制部门由市电直接供电去驱动双向可控硅的电路,一旦出题目每每使元器件烧黑或炸裂,破坏器件的颜色、标志就无法识别,给维修带来坚苦。 市电AC220V经R1降压、D1半波整流、D2削波稳压、C1滤波后作为较量器件IC的电源电压及调温设定电压源。IC-A③脚为热电偶检测电压输入端(与温度值对应);②脚为调温设定电压。在②、③脚两头电压较量后,由①脚输出。个中R5的浸染是将输入的很少一部门反馈至同相输入端③脚,以使在小信号颠簸时输出锁定稳固。当热电偶检到温度偏低时;③脚电平相对②脚低,使输出①脚也低。进而使IC-B放大器⑥脚相对付牢靠偏置的⑤脚偏低,使输出⑦脚为高。因为IC-B⑤脚电压是由AC220V经R6、R7分压而得,因而,频率、相位完全与AC220V沟通。与⑥脚直流较量后在⑦脚输出交换电压。该交换电压经C2、D4、D3和D4反向并联(浸染同双向二极管)触发双向可控硅,使响应的电压加到烙铁电热丝上,以到达恒温的目标。
(责任编辑:admin) |













