|
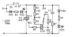
使用电炉的时候可能需要对其功率进行调节以适应温度的需要,本电路采用可控硅调压方式对电炉的工作电压进行调节,以达到调节电炉功率的目的。
电路图如上所示。调节单刀四掷开关SA的档位,可以改变电容C1的充放电速率。利用C1两端交流电压通过双向触发二极管VD3去触发双向晶闸管VS导通、并改变了VS的导通角,使负载RL两端交流电压随之发生变化。 两只发光二极管VD2、VD5是指示灯,它们的亮度会随着档位的调节反比例变化,输出电压最高时(功率最大)VD2最亮,输出电压最低时(功率最小)VD5最亮。R5是限流电阻,用来保护可控硅。电阻R7、电容C2为吸收回路,用以滤除电磁干扰脉冲。 元器件选择
电容C1选用0.1uF/160V,C2选0.022uF/400V(涤纶电容器)。 |














