|
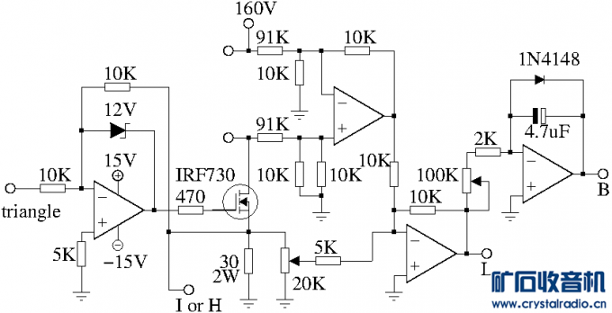
¿ó̳¾ÙÐÐÁË4½ì±ÈÈü£¬ÎÒ¶¼Ã»Ê±¼ä²Î¼Ó¡£Õâ´Î¾ö¶¨ÎÞÂÛÈçºÎÒ²Òª²Î¼ÓÁË¡£ÎÒ×¼±¸×öÕâ¸öרע´´Ðµĵ¨¹¦·Å£¬»ù±¾µ¥ÔªµÄÉèÏëºÍÉè¼Æ¶¼ÓÐÁË£¬ÏÖÔÚÐèÒª°ÑËüÃǼ¯³ÉÔÚÒ»Æð£¬×ö³öÀ´¡£ÎÒ¾ö¶¨×öÒ»µã¾Í·¢Ò»µã£¬ÕâÑù¿ÉÒÔ¶½´Ù×Ô¼º×öÏÂÈ¥£¬Ê¡µÃÓָϲ»ÉϽØÖ¹ÆÚ¡£ ÕâÑùÒ»²½Ò»²½×öµÄ»°¿ÉÄÜ»á±È½ÏÂÒ£¬ÎÒÏ£Íû×îºóÕûÀíºóÄܹ»ÖØÐ·¢Ò»Ìû¡£ºÃÁË£¬ÏÖÔÚÏÈ·¢Ò»µã°É¡£ µÚÒ»ÕÅͼ£¬×öºÃºó´ó¸ÅÑù×Ó£¬Áã¼þÅŲ¼¡£Òªµã£º¼ò½àΪÉÏ£»ÒòΪ»³¾ÉºÍÐËȤ£¬×¨ÃÅ´Ó¹úÄÚÂòµÄ½ðɳƬ£¬ÓʼķÑÊÇÂò¼ÛµÄÊý±¶¡£×Ô¼ºÈÆÖƱäѹÆ÷¡£×óϲà¿Õ°×µÄµØ·½×¼±¸¿Ì¼¸¸ö×Ö¡£»òÕßÌù»úÆ÷ÃúÅÆ¡£ÕâÊÇ´óֵݲÅÅ£¬×îºó¿ÉÄܻ᲻ͬ¡£ ![]() µÚ¶þÕÅͼ£¬ÎªÁËÈÆÖÆ±äѹÆ÷µÄÐèÒª£¬×¨ÃÅÉè¼ÆÖÆ×÷Á˲âÁ¿±äѹÆ÷ÌúÐÄ·ÇÏßÐÔµÄÒÇÆ÷¡£Õâ¸öͼÊÇ×öºÃµÄÒÇÆ÷Ñù×Ó¡£´Ó×óµ½ÓÒ£¬ºó·½£º+-15VµçÔ´£»¸ßѹµçÔ´¶óÁ÷Ȧ£¬¸ßѹµçÔ´±äѹÆ÷£»Ç°·½£ºµç·°å£¬¹¦ÂÊMOS¹ÜºÍÉ¢ÈÈÆ÷¡£ ![]() µÚÈýÕÅͼ£º ²âÁ¿±äѹÆ÷ÌúÐÄ·ÇÏßÐÔµÄÒÇÆ÷µÄ²¿¼þ£º¸ßѹµçÔ´ µÚËÄÕÅͼ£º ²âÁ¿±äѹÆ÷ÌúÐÄ·ÇÏßÐÔµÄÒÇÆ÷µÄ²¿¼þ£ºÈý½Ç²¨·¢ÉúÆ÷ ![]() µÚÎåÕÅͼ£º ²âÁ¿±äѹÆ÷ÌúÐÄ·ÇÏßÐÔµÄÒÇÆ÷µÄ²¿¼þ£º±äѹÆ÷Çý¶¯ºÍ²âÁ¿µç·£¬×¢ÒâB£¬L£¬I£¬HµÄ²âÁ¿µã ![]() µÚÁùÕÅͼ£º ²âÁ¿Ä³µçÔ´±äѹÆ÷³õ¼¶ÓÒÉÏÏàÏÞ£¨¶ÔÓ¦µ¥¶Ëµ¨»úµÄ¹¤×÷ÌØÐÔ£©ÌúÐÄ´ÅÖÍ»ØÏß(B~HÇúÏß)£¬YÖáÐèÒª·×ª£¨³ËÒÔ¸ºÒ»£© ![]() µÚÆßÕÅͼ£º ²âÁ¿´ËµçÔ´±äѹÆ÷³õ¼¶ÓÒÉÏÏàÏÞµÄÌúÐÄ˲ʱ´Åµ¼ÂÊ£¨L¡«IÇúÏߣ©£»»ØÉ¨µÄÇúÏßÐèҪȡ¾ø¶ÔÖµ ![]() µÚÆßÕÅͼ£º ²âÁ¿µÄÔÀíºÍÉè¼ÆÐ´ÁË6ҳ˵Ã÷£¬»¹Ã»Ð´Í꣬ÏÈÅÄÕÕÁôÄî¡£ ![]() ÏÂÒ»²½ÊDzâÁ¿ÊÖÍ·µÄ¼¸¸ö½ðɳƬÌúÐÄÌØÐÔ£¬È»ºó»áÈÆÖÆ±äѹÆ÷£¬È»ºóÊÇ´ò¶´°²×°Ö®Àà¡£ÔÚÕâ֮ǰ»áÏȽéÉܹ¦·Åµç·Éè¼Æ¡£¾´ÇëÆÚ´ý¡£ ²¹³äÄÚÈÝ (2013-11-15 09:14): ÏÂһƪÔÚ3Â¥£¬µÚ¶þ²¿·Ö£¬´´ÐÂÖ®Ò»£¬µÆË¿½»Á÷Éù¶ÔÏûµç· ²¹³äÄÚÈÝ (2013-11-15 23:45): 7Â¥£¬µÚÈý²¿·Ö£¬´´ÐÂÖ®¶þ£¬ÓÐÕýÏòÕ¤Á÷¹¦ÂÊÇý¶¯ÄÜÁ¦µÄ´ó°Ú·ùÏßÐÔÇý¶¯µç· ²¹³äÄÚÈÝ (2013-11-16 04:21): 9Â¥²¹7¥ȱʧµÄµÚÊ®°ËÕÅͼºÍPCBÎļþ¡£ ²¹³äÄÚÈÝ (2013-11-19 09:46): 13Â¥Çý¶¯°åÉϵç²âÊÔ¡¢Êä³ö¹ÜÕ¤¼«Çý¶¯²¨ÐÎͼ ²¹³äÄÚÈÝ (2013-11-20 01:03): 18¥ʵ²â½»Á÷Éù¶ÔÏûµç·£¬¹¤×÷Õý³£¡£ ²¹³äÄÚÈÝ (2013-11-21 23:19): 28Â¥ÓÐÐÂÔÀíͼºÍÐÂÓ¡°åͼ£¬´øGBRÎļþºÍPSÎļþ¡£GBRÎļþ¿ÉÒÔÖ±½ÓËͳ§£¬PSÎļþ¿ÉÒÔÓÃÓÚ×Ô×öµ¥Ãæ°å¡£´úÌæ¾ÉµÄ7Â¥µÚÊ®ÆßÕÅͼºÍ9Â¥µÚÊ®°ËÕÅͼ£¬Ò²´úÌæ9Â¥¾ÉÓ¡°åͼ¡£ ²¹³äÄÚÈÝ (2013-11-22 04:39): 32Â¥²âÁËÒ»¸öÎÒ×ÔÈÆÊä³ö±äѹÆ÷µÄÌúÐÄ·ÇÏßÐÔ¡£Õâ¸öÌúÐÄÊÇÒ»¸ö¹¤¿Ø±äѹÆ÷µÄÌúÐÄ£¬Ô±ê³Æ250W£¬ÎÒ¼ÓÁËÆøÏ¶¡£ ²¹³äÄÚÈÝ (2013-11-22 13:16): 34Â¥²âÁËÒ»Ì׷DZê×¼ÐÎ×´µÄɰ½ðÌúÐÄ¡£ÌúÐÄÉϵÄɰÁ£Í¼°¸ºÜƯÁÁ¡£ ²¹³äÄÚÈÝ (2013-11-22 23:06): 36Â¥²¹³ä˵Ã÷´´ÐÂÖ®Èý£º¸úËæµçÔ´µçѹ±ä»¯µÄÊä³ö¹Ü¹Ì¶¨Æ«Ñ¹µç·¡£ ²¹³äÄÚÈÝ (2013-11-23 10:09): 38Â¥²â±ê×¼ÐÎ×´µÄ°µ»Æ½ðɫɰ½ðÌúÐÄ·ÇÏßÐÔÌØÐÔ£¨µþºñ35ºÁÃ×£©£»39Â¥¼ÌÐø²âÕâ¸öÌúÐÄ£¨µþºñ22ºÁÃ×£©£»40Â¥´ÓÕâЩÌúÐIJÎÊýµÃ³ö½áÂÛºÍÍÆ²â¡£ ²¹³äÄÚÈÝ (2013-11-24 13:52): 44Â¥²â±ê×¼ÐÎ×´µÄºÖɫɰ½ðÌúÐÄ·ÇÏßÐÔÌØÐÔ£¨µþºñ35ºÁÃ×£©¡£ÕâºÍ38Â¥µÄÌúÐͼÊÇ´ÓÁ½¸ö»ìºÏµþƬµÄÌúÐÄÀïÃæ²ð³öµÄ¡£ÎÒ°ÑËûÃÇ·ÖÁËÒ»ÏÂÀ࣬׼±¸ÈƳÉÁ½¸öÊä³ö±äѹÆ÷¡£ ²¹³äÄÚÈÝ (2013-12-3 08:14): 51Â¥ÓüÆËã³öÀ´µÄµçÔ´±äѹÆ÷³õ¼¶È¦ÊýÀ´²âÁ¿32Â¥²â¹ýµÄÄǸöÌúÐÄ£¬Ã»ÓÐ¼ÓÆøÏ¶¡£ ²¹³äÄÚÈÝ (2013-12-8 14:16): µÚËÄÒ³µÚ52£¬53£¬54£¬55Â¥¼ÌÐø²âÁ¿ÌúÐÄ£¬ÒÔ¼°½øÐеçÔ´±äѹÆ÷µÄÉè¼Æ£¨ÒÑÍø¹º±äѹÆ÷¹Ç¼Ü£©£»59£¬60Â¥½â¾ö¹Ø»ú´óµçÁ÷³å»÷ÎÊÌ⣻62Â¥ÉÏеÄÔÀíͼºÍÓ¡°æÍ¼£¨ÒÑËͼÎÁ¢´´×ö°å£©¡£ ²¹³äÄÚÈÝ (2013-12-11 01:02): 63Â¥²âÁ¿Ò»¸öÉÌÆ·Êä³ö±äѹÆ÷£¨ÓÃÓÚÎÒ×öµÄ“À°Ã·”Òõ¼«Êä³ö¹¦·Å£©µÄÌúÐÄ·ÇÏßÐÔ£» 64Â¥ÓÃÏÖÔڵĵç·Éý¼¶ÒÔǰ×öµÄ“ºÚË¿2001”¹¦·Å£» 65¥ɹÒÔǰ×öµÄ¸÷¸ö°æ±¾µÄÊä³ö±äѹÆ÷²âÁ¿µç·¡¢Òõ¼«Êä³öÇý¶¯µç·¡¢Ö±ÈȹÜÇý¶¯µç·¡£ ²¹³äÄÚÈÝ (2014-2-6 07:43): 83 Â¥ºÍ 86Â¥ÈÆµçÔ´±äѹÆ÷¡£ ²¹³äÄÚÈÝ (2014-2-16 22:42): 87Â¥ºÍ90Â¥ÖÆ×÷±äѹÆ÷µÄ¼ÐÌú£»LÐ͵ÄÊǵçÔ´±äѹÆ÷µÄ£¬Ö±ÏßÐ͵ÄÊÇÊä³ö±äѹÆ÷µÄ¡£ ²¹³äÄÚÈÝ (2014-2-16 22:44): 94Â¥ÈÆÖÆÊä³ö±äѹÆ÷£¬Ìúµ×°æ´ò¶´£¬´óÀíʯװÊεװ涨λ¡¢´ò¶´¡£ ²¹³äÄÚÈÝ (2014-2-16 22:47): (ÔðÈα༣ºadmin) |























