|
此电子琴小巧、声音悦耳、便于携带、成本低、美观大方,能演奏绝大部分音乐。本作品采用的16键设计方法,也可以扩展成21键的。另外还能在这个基础上附加一些功能。由4×4组成的16个按钮矩阵,设计成16个音。
电子琴实物图
电子琴原理图
设计资料见PDF文档、压缩包
|
|
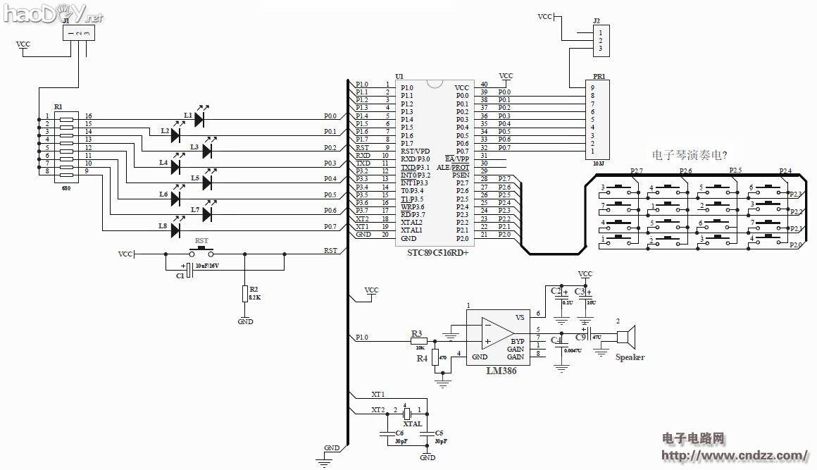
此电子琴小巧、声音悦耳、便于携带、成本低、美观大方,能演奏绝大部分音乐。本作品采用的16键设计方法,也可以扩展成21键的。另外还能在这个基础上附加一些功能。由4×4组成的16个按钮矩阵,设计成16个音。
电子琴实物图
电子琴原理图
设计资料见PDF文档、压缩包
|
摘要:一、功能简介:1.有读卡信息(卡类型、类号、余额),初始化卡,充值和扣款功能...
两个小宝宝啊,饿了就哇哇哭。听的都揪心。宝宝嘴巴太小,吃不到我的奶。所以现在只能...
本设计来自电路城!(www.cirmall.com)概述: 本设计为基于51单片机的时钟计时器,用...
本人在点阵屏上实现了贪吃蛇游戏,附件里包括了硬件连接图、流程图、全部的程序和效果...
电子骰子第二波,新增了遥控的功能,这个功能是干嘛的呢,嘿嘿~且听我慢慢道来。最近...
序言:做这货其实是出于偶然,一同学的mp3没有外放,便委托我帮他做一个小音箱,但是...
我的耳环时尚时尚最时尚
更新:2017-05-12
六轴飞行器航拍电路设计详解
更新:2017-05-12
自制12864万年历+闹钟+远程PM2.5
更新:2017-05-12
基于Internet的远程温湿采集系统
更新:2017-05-12
自制24V供电CRT高压电源
更新:2013-01-05
6g2p推FD422电子管直热单端胆机
更新:2015-06-15
LED频谱电平指示显示器开源版 视
更新:2015-06-12
自制MC34063降压电路
更新:2013-01-05
[视频] 100瓦大胆机放音实况
更新:2012-10-29
[视频] 我的ne5532前级的声音
更新:2012-09-08