|
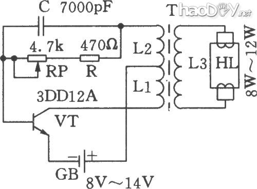
如图所示为高频发生点灯器电路。它是以8V~14V的蓄电池作为能源,经振荡升压后再点亮6W~12W的荧光灯。晶体三极管VT可回收3DD12A、D3D4D、3DD5C、3DDl5A等低频大功率三极管,组装时应为其安装70mm×40mm×2mm的铝板制散热器;电位器RP最好行使小型线绕式的;高频脉冲变压器T可用直径为22mm的铁氧体磁罐廉价;线圈L1用直径为lmm的高强度漆包线在骨架上平绕9匝;回授线圈L2用直径为0.3mm的高强度漆包线在L1表面平绕8匝;线圈L3用直径为0.2mm高强度漆包线平绕900匝。
|

























