|
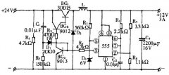
我制作的电警棒高压模块电路图纸 , 相隔25mm可以放电打火 , 一刹时可以击昏昆虫 , 放电声很大 , 间距越远越响 , 放电越慢 , 标称6万伏 , 预计着实只有4万伏阁下 ,可以用1.2-2.4V充电电池。 2008-08-17 01:45
|
|
我制作的电警棒高压模块电路图纸 , 相隔25mm可以放电打火 , 一刹时可以击昏昆虫 , 放电声很大 , 间距越远越响 , 放电越慢 , 标称6万伏 , 预计着实只有4万伏阁下 ,可以用1.2-2.4V充电电池。 2008-08-17 01:45
|
最近我一直在研究SSTC,终于弄明白了SSTC(固态特斯拉线圈)的原理及工作方式,在此也...
可以确定一件事:如果你对高压电感兴趣,那么你就来对了地方;马克思发生器可以满足你...
现在市场上有专门的焊台出售,功能非常强大。确实是高科技产品,非常好。但价格也是非...
自己也跟风D一个小特斯拉
更新:2017-06-07
制作1.5V自关断数字万用表升压电
更新:2013-01-05
diy手把手教你做高压电容参赛
更新:2013-01-21
制作电子调压器
更新:2013-03-22