最好的电子音响科技diy制作网站

haoDIY_音响电子电脑科技DIY小制作发明

当前位置: 主页 > 电子DIY > 控制电路 > 定时控制 >

制作自动循环定时器

时间:2012-12-29 21:37来源:网络 作者:网络整理 点击:
免费提供各种电子制作文章、资料、图纸

 

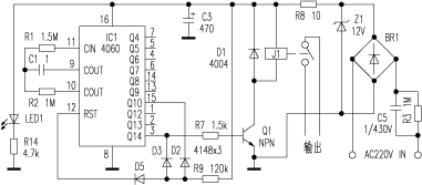
    CC4060是一款自带振荡器和14位二进制计数/分频器的CMOS集成电路。其输出端Q4~Q14组成16~18384分频系数,操作该输出特征,可轻易地计划各类用途的电子按时器。
  下图为自动轮回按时器电路。道理简朴,靠得住性高,对振荡回路的电阻/电容稍作调解,可能改变Q4~Q14输出节制接线,即可得到所需的轮回守候时刻和事变举措时刻。

 

制作自动循环定时器

 

    电路道理如下:电阻R1、R2及C1构成振荡回路,周期T=2.2R2C1。R7、D1、J1及Q1构成驱动电路,节制继电器触点的通/断。C3、C5、R3、Z1、BR1等组成电容降压电路,提供12V的直流电源。
  在电源接通往后,CC4060的二进制计数器开始计数,前一级的降落沿触发后级,举办分频计数。
  D2、D3、D5和R9构成与门电路以得到轮回复位的高电平,使计数器复位。从头进入下一个按时周期。按时器的守候时刻为T1=T×214/2秒, 举措接通的时刻T2=T×210/2秒。一个轮回周期的时刻为T1+T2。
  适内地选择C1、R2的参数可获得响应的振荡频率。按时器的守候时刻和举措接通时刻可响应改变。同时,可按照差异的必要,改变输出端(Q14)和其节制(Q10)也可改变守候时刻和举措接通时刻,以及其占空比。
  凭证图示参数,可建造出自动轮回按时器来节制室内的排电扇。守候时刻为三小时,举措接通时刻为二十 分钟。

 

(责任编辑:admin)
织梦二维码生成器
顶一下
(0)
0%
踩一下
(0)
0%
------分隔线----------------------------
发表评论
请自觉遵守互联网相关的政策法规,严禁发布色情、暴力、反动的言论。
评价:
表情:
用户名: 验证码:点击我更换图片