自己动手制作12at7+6v6(6p6p)电子管音频放大器胆机
时间:2012-08-29 09:24来源:未知 作者:admin 点击:
次
虽然电子管体积大,耗能高,需要高压直流才能工作,也不便于集成,但是如果将电子管应用于音频放大,却有一般晶体管不可比拟的优势,这是因为电子管放出来的声音含有大量偶次谐波,偶次谐波虽然是一种失真,但会让我们耳朵感到非常舒服。现在市场上也有用电
虽然电子管体积大,耗能高,需要高压直流才能工作,也不便于集成,但是如果将电子管应用于音频放大,却有一般晶体管不可比拟的优势,这是因为电子管放出来的声音含有大量偶次谐波,偶次谐波虽然是一种失真,但会让我们耳朵感到非常舒服。现在市场上也有用电子管作为主放大器件的有源音箱,但价格在1000元左右。基于电子管的良好音频特性,笔者也为自己的电脑制作了一台电子管放大器(俗称胆机)和一对利用小型全频喇叭制作的音箱,用它们组成的电脑音效系统,效果不错。<br>
一、准备工作
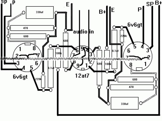
我的电子管放大器的电路设计见图1。

这是一个典型的单端甲类电子管放大器的电路图。图中两声道共用了3只电子管,其中12AT7是双三极管,在此用作电压放大和推动作用,左右声道各用一半,其引脚为小9脚,1脚和6脚分别是两个三极管的阳极,2脚和7脚是栅极,3脚和8脚是阴极,4脚和5脚是灯丝,9脚是灯丝的中点,如果用12.6V点燃灯丝,则4、5脚接灯丝电源,9脚接地;如果用6.3V点燃灯丝,将4、5脚短接,再和9脚接灯丝电源即可。
6V6GTA是一个束射四极功率管,其引脚为大8脚,1、6脚不用,2、7脚为灯丝,3脚为阳极,4脚为帘栅极,5脚是栅极,8脚是阴极。此管国内的代号是6p6p,它在单端甲类工作方式下,可输出4W的功率,驱动电脑音箱是绰绰有余了。
电源部分3个7W和一个5W的电阻可选用优质线绕电阻或陶瓷电阻,使用功率更大的,可以提高工作稳定性。其他的可选用1W的优质金属膜电阻。音量电位器是100kΩ的双联指数式产品。
图中0.1μF的耦合电容可选用国产老式油浸电容,我用的是上世纪90年代的产品,编号为cj10,0.1μF/400V的产品,实际使用效果很好。如果有其他同规格的MKP(金属化聚丙烯)介质电容也可以用在这个地方。6V6GTA的阴极电容可选用耐压在35V以上的产品,可用容量在220μF到470μF之间的电解电容代替,我用的是耐压100V的英国IC 330μF轴向电解电容。
此电路制作时要用到3个变压器,1个电源变压器,2个输出变压器,电源变压器可以选用老式的电子管收音机上的变压器,输出变压器可能不太好买,大家可以到各大音频论坛看看。
此外,还要准备一个机壳。自己制作机壳最好用厚2.0mm以上的铁板制作,机壳的形状随个人喜好而定。
二、制作过程
电子管放大器因为电路简单,制作时无需PCB(印刷电路板),比较发烧的做法是采用搭棚焊接,即利用元件的引脚将要连接的点直接焊到一起。我在制作时为了走线方便,采用了两块质量较好的3mm厚胶木板,并在板上钻孔,然后铆上有通孔的镀银铆钉,胶木板的一面安放元件,元件的引脚通过铆钉的通孔。另一面作为焊接面,将元件焊到胶木板上,在焊接面的元件引脚上焊上连接线。
图2是我制作时的元件布线图。3个470Ω/11W的陶瓷电阻是立式安装的,便于散热。放大部分的线全部从电路板的一边出,以便安排整个电子管放大器的布局。

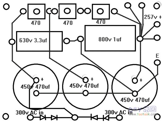
电源部分,我用了4个1N5408整流二极管整流,两个一组串联在一起,用作全波整流,滤波用的是CRCRC的形式,滤波效果较好。注意滤波用的电阻功率要大,最好用10W以上的,有条件的话可以用扼流圈滤波,因为扼流圈的滤波效果比CRC要好些,这时电源变压器次级高压只需要230V即可,电阻可只用一个或者不用,看最后的B+电压而定,电压高的话,可用一个电阻将B+电压降低点。
图3是放大板的布局,其中灯丝线(图中横穿三个电子管座的绞合线)是用两根特富龙镀银线紧密绞合在一起,然后用绞合线将3个电子管的灯丝引脚并在一起,接到电源变压器的灯丝绕组(6.3V)上。6V6GTA的阴极电阻为270Ω,由于我手头没有270Ω的大功率电阻,就用了一个680Ω/7W和一个470Ω/11W的无感陶瓷电阻并起来代替了。

单端电子管放大器要驱动喇叭工作,一对输出变压器是必不可少的,由于用了6V6GTA的超线性接法,所以我买的变压器也特地要求厂家制作时将超线性端引出引脚。图2中的sp线就是接输出变压器的超线性接头的,p是接输出变压器的接头,E是接地的,B+则是接电源250V DC的。
音量电位器可以安装在前面板上,这样调节音量时比较方便,但要注意,从音频输入RCA端子到音量电位器之间的连线最好用质量好的屏蔽线,以免杂音干扰。音量电位器到放大板audio in接线也要用屏蔽线。
整个机器和外界的连线有交流进线、连接电脑声卡的音频线、连接音箱的喇叭线。接喇叭的喇叭座和接音频线的RCA座应选用质量较好的镀金的产品,交流输入的IEC端子(电脑机箱后面接220V市电的那个黑色端子)用250V/10A的即可。这些座子和端子都可安装在整机的后面板上,RCA座和交流输入座间的距离应尽量大些。
交流开关也可安装在后面板上,虽然开机时略有不便,但避免了交流线在机内走线太长而带来干扰。我在制作时用了一个小辅助变压器和一个继电器,辅助电源变压器220V输入没有开关,直接经过保险输入220V交流电,输出20V交流经过整流滤波稳压后,驱动继电器线圈和一个开机指示用的蓝色发光二极管。最后我在驱动线路上加了一个小信号开关,来控制整机的开关。
图4是我制作时用的结构布局,实际制作时可以灵活改变布局。图5是完成后的外观图。


三、注意事项
(1)制作时,应先将整流滤波板和放大板的元件焊好,变压器等要先用螺丝固定到机壳底上,变压器和机壳之间应加垫一层橡胶皮或别的物质,以减小变压器的振动给音质带来的不良影响,然后将整流滤波板和放大板安装到机壳里,整理好它们之间的走线,然后将线一根根焊好,多余的线剪去。所有的地线要接到机壳上,并且要一点接地,接地点一般选在IEC座附近就可以了。
(2)制作完成后,应仔细检查所有的连线是否正确,是否有漏接的地方,电解电容的极性是否接反,若焊接无误,先将机内的焊锡渣、剪掉的元件脚等清理干净,然后加电开机调试。调试前一定要将喇叭接到机器上,不然加电是要烧掉机内输出变压器的!另外,因为机内有高压,在发现有漏电的情况下不要加电,解决问题后再开机。
(3)开机时先不要插电子管,加电后用万用表量一下灯丝的电压(量的时候要注意安全),应在6.3V左右,B+的电压在420V左右,其他的地方如果没有不良反应(如发热、冒烟等),就可以插上电子管试机了。
(4)断开交流开关要等一分钟左右,等滤波电容里的电放完后再插上电子管。插电子管时,用手指捏住12AT7管子的下方,将它插到管座上。对于6V6GTA,一定要拿住管子的底座再将它插到管座上,不要用手捏着玻璃壳插管。电子管都插到管座上并确认很牢固的时候就可以开机了。将音量电位器调到音量最小位置处,打开交流开关。
(5)如果电子管没有屏极发红,输出变压器没有嗡嗡响,再用万用表量量各点的电压,灯丝电压6.3V,B+应该降到了250V左右, 6V6GTA的3脚电压是230V左右,4脚电压在240V左右,330μF电容两端电压是11V左右,此时6V6GTA的屏流在40mA,12AT7的1脚、6脚的电压应是80V左右,3脚、8脚是1V。
总结此电子管输出功率较小,但因为它工作在单端甲类的状态下,对喇叭有很强的驱动能力,当配合灵敏度较高的全频小喇叭使用时,在10平方米的房间内可以获得不错的声压效果。如果大家有什么更好的意见和建议,欢迎和笔者联系。
(责任编辑:admin) |
织梦二维码生成器
------分隔线----------------------------