最好的电子音响科技diy制作网站

haoDIY_音响电子电脑科技DIY小制作发明

当前位置: 主页 > 音响DIY > 胆机DIY > 后级DIY >

电子管功放胆机制作技巧和要领(2)

时间:2012-08-29 17:00来源:未知 作者:admin 点击:
而对34级的功放来说,其输入灵敏度为0.30.5v,如果输入级同样也混入了0.01mv的噪声电平,经过较少级数放大后,有用信号被放大了100倍,噪声电平即被放大至1mv。则该机的信噪比即达到了80dB,如此,尚可接受。 对高

    而对3—4级的功放来说,其输入灵敏度为0.3—0.5v,如果输入级同样也混入了0.01mv的噪声电平,经过较少级数放大后,有用信号被放大了100倍,噪声电平即被放大至1mv。则该机的信噪比即达到了80dB,如此,尚可接受。
    对高灵敏度的多级放大器来说,由于放大级数多,增益也高,对微弱的噪声信号决不能等闲视之,因此高品质的放大器多采取电路隔离措施。如在一台功放机内,将前级与后级分开,使的级放大与后级放大各成回路,再由多芯插头将前后级相连。
    此外,对灵敏度较高的MIC传声输入端,为防止噪声电平干扰,多采用低阻抗、平衡式的输入方式,在输入端还常备有屏蔽式隔离装置,将前级放大予以独立,这样即可有效地减少噪声的干扰。

2 交流电源线的配线方法
    功放机内的交流电源走线,特别是大电流的交流灯丝走线,如果布线不当,会达成电磁场向外辐射,给放大器带来交流声干扰。
    50Hz交流电的波形为正弦波,当接上负载后,交流走线回路上的电流即随着交流电的周期变化。交流走线中的电流越大,向外辐射的电磁场也越大。如采用单向走线时,其外辐射电磁场将感应到功放机内的其他走线及元件产生严重的感应交流声。
    如果功放机中的交流电源线或交流灯丝走线,采用双股平行走线时,由于平行线之间存在一定的分布电容,虽然可将部分电磁场旁路,但仍不能清除干扰。
    如果将功放机中的交流电走线,采用双股线绞合起来,因为绞合的两根交流走线其电流相依相反,能将交流电外辐射电磁场相互抵消,因此能消除外电场的于扰(图8-12)
电子管功放胆机制作技巧和要领 
3 高压电源的布局
   以立体声功放为例,其布线原则是左右声道应严格分开。接地走线置于底板最下层,采用母线接地方式,左右声道的接地线分成两路,并按照放大器前后级顺序排列。交流灯丝走线与交流电源走线均采用双线绞合的方式,以减少外电磁场的辐射。
    立体声功放的直流高压高达400V左右,为防止高压外电场的辐射,所以必须采用接线支架,将高压供电线置于各元器件的最上层,即采用所谓的架空接法。高压供电线还要注意尽量避开电子管栅极回路走线,以防止产生感应交流声与啸叫声。
    立体声功故的直流高压电源总电流一般约0.4A左右、其静态工作电流与满信号时的工作电流波动较小,故高压滤波电容器的容量也无需太大,一般采用几十微法至几百微法即能满足。而晶体管功放则工作于低压大电流状态之下,而且静态与满载时电流波动极大,故必须采用几千至几万微法的滤波电容才能满足要求。
    前级滤波电容通常采用100-470uF,可采用电容夹圈或粗铜丝与底板固定。经被釉电阻降压后为次高压电源,专门供前置放大与推动放大级使用,其去耦滤波电容可采用CDZ组合式,容量20-30uF即可,因前级电流仅20-30mA左右。

4 元器件的组装
    布线工作结束后,即可开始安装与焊接各级管座上的电阻电容等元器件。自制功放多采用搭棚式焊接方式。搭棚方式可以就近走线,达到合理布线的要求。功放所使用连接线,为了便于识别,一般习惯上直流高压线用红色,屏极连线用黄色或橙色,栅极连线用绿色或蓝色,阴极连线用棕色或黑色。
    各放大级的栅极电阻、阴极电阻与旁路电容必须在就近处同一段母线上一点接地。栅极电阻由于功耗最小,为防止感应噪声,可采用体积较小的0.5W金属膜色环电阻为最佳。
    电子管栅极阻抗很高,灵敏度也较高,所以栅极回路的耦合电容、电阻等元件,不能与高压回路及屏极回路的元件贴近,以防止外辐射电磁场的干扰。同时对有极性的耦合电容在焊接时必须识清,正端接电子管屏极,负端接电子管栅极。接反时会因漏电加大,耐压降低引起弊病。此外,要注意耦合电容的耐压必须在400V以上。
    级间精合电容与功放的靓声有很大关系,可选用介质损耗小、转换速率快的电容,如采用CBB聚丙烯、CB聚苯乙烯、CZM油浸电容、CZ30纸介电容等。如选用WIMA、SOLEN、MKP等音响专用金属化无感电容则更好。
    输入管栅极灵敏度很高,相关音量控制电位器的引线又较长,为防止杂波信号的干扰,必须采用金属屏蔽隔离线,其金属编织线的外层接地,必须安排在输入管阴极处入地,切勿将接地端接到大电流的输出端子上。
    图8—13是立体声功放元件排列示意图。
电子管功放胆机制作技巧和要领

第三节  电子管功放的业余调试
    全部安装焊接完毕后,应先将新装机与电路图仔细对照一遍,是否存在漏焊或接错之处,屏极与栅极之间的元件不可紧贴,导线不可平行,全部检查无误,即可开始进行初调。
    对初装电子管功放机的朋友来说,由于电子管功放的工作电压比晶体管功放高得多,而且其金属底板即为负极,为防止疏忽而被电击,调试与测量时最好单手操作,切勿用另一只手扶住底板。电源关断后,机内的高压滤波电容器内仍有储存的高压电荷,一旦触及电容引线会遭电击。每次关断电源后,应将电容器正极通过低阻值电阻(直接对地短路会产生火花)对底板放电后,再检测其他部分元件。
    调试前功放尚未进入正常工作状态,为保护音箱不致意外受损必须在输出端子上先接上假负载代替音箱,其阻值为8-16Ω/20W。开机三分钟后,密切注视机内是否有跳火或冒烟等异常现象,所有零部件的温升是否正常。
1 测量各级电压
    先测量电源变压器各档交流电压数值,全部测量无误后再测量直流高压。
    初学者可先将万用表负极用鳄鱼夹与接地线或底板夹牢,再用正极表棒测量各级电压。
    直流高压在轻载时应为交流高压的1.4倍左右。测高压时先将万用表拨到直流500V档。如交流高压为320V时,经桥式整流后在滤波电容器两端的直流高压应为440V左右。

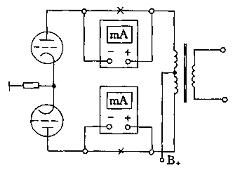
2 测量各电子管屏极电压
    图8—14是测量各屏极电压示意图。
电子管功放胆机制作技巧和要领 
    测量各屏极电压为简便起见,可按照图8—14进行。准确的屏极电压数值,应为该电子管屏极与阴极之间的电压。
    如功放管的屏极对地电压为400V左右,而阴极电阻对地的压降仅为数伏,故可忽略不计。但对采用屏阴分割式倒相管来说,由于屏极与阴极的负载电阻均为22kΩ,对地压降很大,故必须测量屏阴之间的电压才行。

3 栅极负压的测量
    图8—15是功放管栅极负压测量示意图。
电子管功放胆机制作技巧和要领 
    功放管的栅极负压是随着推动情号大小而变化的。测量功放管自给栅负偏压时,必须在注入音频信号后测量。准确的栅极负压值应为栅极与阴极之间的数值,由于功放管对地压降较小,往往可以忽略不计。
    如果两只功放管栅负压相差较大时,先看前级推动电压是否平衡,再通过调整栅极电阻来校准。
    如果阴极电压相差较大时,应先了解功放管的配对情况,并可互相调换试一下,最后则可通过调节阴极电阻的阻值,使两管平衡。

4 功放管屏极电流的测量
    图8—16是屏极电流测量示意图。
电子管功放胆机制作技巧和要领 
    电子管推挽功放对功率管的配对工作没有晶体管那样严格,因为同一型号的晶体管放大系数也会有较大差异,参数一致性没有电子管好。而电子管只要采用同一品牌,同一时期的产品,其放大特性基本相同。
    对于电子管来说,如属保存较久的管型,选配功放管的配对工作是必不可少的。比较简单的办法是用测量功故管的静态电流与满信号电流,两者基本平衡,即可以配成一对。
    测量时先将功放管屏极与输出变压器的连接点用电烙铁焊开,分别将万用电表拔到直流电流250-500mA档串入屏极回路内,一般前级无推动信号时所测得的是该管的静态电流,推动信号最强时所测值即为满载信号电流。
    如两管推挽功率管静态电流与满载信号电流相差不大时,则可以通过调整功放管的阴极电阻与栅偏压电阻来进行校准,使两管电流达到基本平衡即可。如两管电流数值相差很大时,只有调换新管。
    表8-1为常用功率管作AB类推挽放大的特性参数表。
电子管功放胆机制作技巧和要领 
5 负反馈电阻的调整
    整机初调结束后,冉接上输入级与输出级之间的负反馈电阻,阻值一般在12—24kΩ之间,负反馈量控制在10-20dB之间:负反馈接入后,最明显的感觉是背景噪声大大减小。如接上负反馈电阻后,输出功率增大,或伴有啸叫声,则表明输出变压器线圈相位接反,应将变压器线圈相位调换。

6 输入音频信号
    关断电源卸下假负载,接上音箱,然后将音量电位器调至音量最小位置。从输入端注入信号进行试听。功放机一般输入灵敏度为0.3—0.7V。可将CD、VCD、DVD、录音卡座、调谐器等的线路输出信号注入,音量电位器由小逐渐调至中等音量连续试听1小时左右,如各部分均无异常现象,即可认为初装顺利。
    但一般初装中不可避免地出现诸多问题,如交流声、杂声、失真等现象,故可进一步进行复调

第四节 电子管功放的整机复调及故障检测
    整机初调后,如输入音频信号时,出现无声、交流声、杂声、声小、失真等一系列不正常现象时、说明功放机中存在某些故障,因此必须进行仔细的复调,找出故障所在,从而才能获得满意的音响效果,
1 无声故障检查
    功放整机电压,电流检测无误,但从输入端注入音频信号后扬声器毫无声响,则应进行逐级检查。
    先关断功放机电源,并将扬声器音箱接线卸下,确定扬声器及喇叭线完好无损。用万用表测量功放机输出端子是否有接触不良现象。继而检查各输入端的插头、插座、电位器接点及音频信号线的屏蔽层与芯线等是否有短路、开路现象。如无误可开启功放电源,将音量电位器中心臂置于中间位置,用单手持旋凿直接接触输入管栅极,如果仍然毫无声响,则须进行逐级检查。一般故障寻迹多采用自输出终端,逐级向前检测的方法,这种方法能较快地找到故障点。
    先检查功放级与输出变压器之间的回路,再检查功放管脚是否按错。也可接一个0.1uF隔直电容直接在功放级的输入端输入较强的音频信号,如输出信号正常,可将经隔直电容器的音频信号直接送至推动放大管的栅极,如果扬声器有正常声音发出,则表明故障出在输入级与倒相级之间,应仔细向前查找输入电路级中各元件是否有接错或开路现象。 (责任编辑:admin)

织梦二维码生成器
顶一下
(9)
100%
踩一下
(0)
0%
------分隔线----------------------------
发表评论
请自觉遵守互联网相关的政策法规,严禁发布色情、暴力、反动的言论。
评价:
表情:
用户名: 验证码:点击我更换图片
栏目列表
推荐内容