|
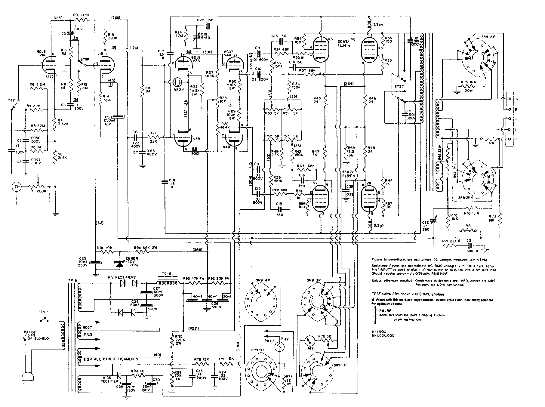
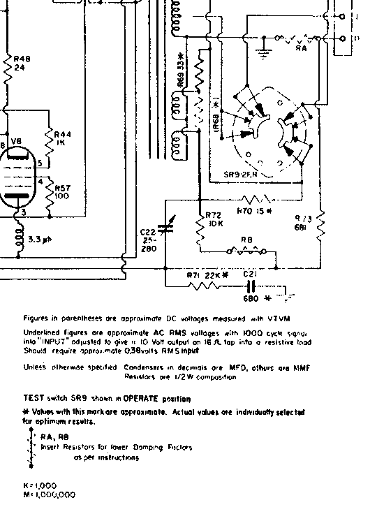
「...馬蘭士9的堂皇氣度依然,所增添的 是從容不迫,重播任何樂章更游刃有 餘,多了一分優美與及文化修養...」 (圖一) ![]() 古董馬蘭士 9 身價不斷飆升,只有升沒有跌,成為發燒友夢寐以求的名機,表現如何是有目共睹,已無須多講了。古董 9 除了機價暴升外 ( 已不是普羅大眾可負擔 ) 亦因它們年事已高“老毛病”逐漸浮現,有些老 9 可能要驗身或大修理才可服役,因此馬蘭士廠洞悉市場的渴求,約於十年前生產限量的新 9 (圖一) ,因價錢平了一大截,而且不擔心可能潛伏的“暗病”,當一曝光已搶購一空。新 9 是否可取代舊是見仁見智,但念舊的發燒友們仍對舊的推崇備至,在比較之下舊的聲音溫暖,更富音樂感,另方面以三分一至一半價錢便可成為“ 9 ”主已心滿意足了;雖是如此,人是有要求的,雖不至於日久生厭,但總有介懷自己的寵兒未臻最完美,於是就萌起“摩機”念頭,若花費三數仟元 ( 連工包料 ) 便可達到“舊”的九成或以上效果,那又夫復何求啊! 「摩」電容 近日友人拿了一對近乎九成九新的新“ 9 ”來訪,來意:就是玩靚兼玩盡它;題目:是自由發揮,可見「張」兄對小弟的信任程度,如此豈能有半點辜負之意,此 9 的機身編號是 K010001 和 K010002絕對是稀可珍藏品 (圖二) , (圖二) (圖三) (圖四) 「張」兄言道:『還有另一對 9 安待宮中』,他可算得是愛 9 之人。新與舊 9 外觀是不易分辨,只要「翻底折蓋」就就看得出用料之差別,最明顯就是交連電容 ( 圖三 ) ,其次是機內接線,舊裝的是用古老布線和鍍錫水的膠電線;新的用高溫電銀線,交連電容方面舊裝 9 是用深啡色的 Good All 或 Sprague ;新 9 是用印有 Marantz 字樣的白色新裝電容,新與舊裝的電容音質當然是有分別的 (圖四 ) ,若要將新 9 音質表現「變身」成舊 9 ,那此交連電容就不可忽視了。看 M-9 的原線路圖 ( 圖三 C ) ( 圖三 C ) ![]() 和 ( 圖三 ) C-7 0.68u 是 V-3 倒相級的柵極電容,對聲音影響甚大,可改用 Sprague 的 black Beauty 或美國 Gudeman 金屬殼的油質電容,在此一提的是 Vitamin Q 太慢聲,在此位置應避免使用。另外不要太過執著電容的數值,筆者選用 Gudeman 0.47u 200V 油質電容,其聲音平均中性而且有足夠分析力,雖然數值是 0.47u ,但相比原機白色的 P.P. 薄膜電容 0.68u 來說, Gudeman 0.47u 是比原機 0.68u 的低頻更豐滿,頻應更寬闊,是關乎不同電容介質的頻率速度系數反應不同。 C-7 此位置極間電壓約 90V ,用 200V 耐壓的電容已足夠了 ( 通常同一種電容介質物料而不同耐壓值的電容來說,低耐壓值的會比高耐壓值的聲音來得通透及透明,因為電容介質較薄 ) 。 C-8 0.22u 極間電壓約 210V ,可選用 Sprague Black Beauty 0.2u 400V 。 C-9 、 C-10 和 C-11 、 C-12 是 V4 6CG7 陰極輸出至功率管 6CA7 的交連電容,看原線路圖是用 0.1u 600V 的, 6CG7 的陰極電壓約 300V 再加上 6CA7 功率管輸入的負柵壓約 40V ,即極間電壓是 340V ,說來奇怪的是某些新 9 這四支 0.1u 交連電容用 200V 耐壓的 ( 有些是 600V 的 ) ,是絕對存著一定危險性的,筆者建議使用 0.1u 400V 的 John E Fast 金屬殼電容,它頻寬極闊,空氣感與音樂感都是靚絕,我珍藏多年,今日割愛 8 粒放在這 9 身上。都是睇在張兄面上。另外在 V 1b 6DJ8 是電壓增益放大級,其陰極旁路電容 250u ( 圖五 ) ,應改用 Sprague 舊裝電解電容,聲音會更上一層樓;但要測試電容的特性是否良好,因為有不少古老的電容因日久收藏而電解質變壞。 (圖五) ![]() 圖六) (圖七) ![]() 抽離輸入緩衝級電路 第一級的緩衝級 V 1a 6DJ8 是沒有增益的,可作輸入正相或反相選擇、阻隔直流、低頻過濾和輸入音量控制等用途,是可以跳離此部份,直接從 RCA 輸入插座引線到 VIB 的第 2 腳柵極輸入,又因要給它電阻作輸入阻抗,在機底右邊細小的底板是第一支 6DJ8 V1 包括緩衝級和增益放大級,可借用此底板作中途接線和還有一支 470K 電阻作輸入阻抗,看圖 ( 圖六 ) 先抽 V1 第二腳柵極輸入的兩條綠色線。一條來自「相位」選擇制 ( 用熱縮通包起 ) ,另一條是細小底板 470K 電阻位置,換上古老線 ( 圖七 ) 的 A 是最極品的漆皮西電線。下一步驟是 DIY 一條靚訊號線 , ( 圖八 ) 的 A 是原機線, B 是一條極普通的訊號線,將它的正芯拔出棄置,即 C 的白線;再將古老漆皮西電線穿入有屏蔽的訊號線,將這 DIY 靚線接通 RCA 插輸入端連接至 V 1b 的第二腳位置,但記住要單邊接地, ( 即只可在小底板接地網,而 RCA 輸入插座不接網;但又因這機的『地回路』從 RCA 輸入座至小底板不能空接;所以要用一條粗的漆皮西電線作真正「地」的回路,請看 ( 圖六 ) ,這步驟就大功告成了。 (圖八) (圖九) ![]() 「示波器」測試 最後要經「示波器」測試,量度平衡度失真,波形調整,當更換了電容和改變了電路,可能有少許調校,請看 ( 圖九 ) 示波器上見的三種方波同是在 2KHZ 10W 輸出時所量度的;「 A 」是良好的波形,「 B 」和「 C 」是不同程度的高頻起震 ( 高頻不穩定自震 ) ;當然並不一定是換電容或「摩」機手術出現問題,亦有原因是二手機的前機主好奇 ...... 或其他原因,胡亂調校負回輸可調電容 ( 並聯著 R72 10K 的負回輸電阻 ) , 看 ( 圖十 ) ,若出現這高頻起震時可調校此 C-22 可調電容器,但必須在示波器監察下才可調校。信自己對耳亦須要儀器協助才能助你向前跨進。改機手術完成後,測試所有電壓點,調節 V5 , V6 , V7 , V8 的偏壓 bias ,示波器測試波形和觀察兩聲道的平衡,一切順利完美,開機試聽,較比未改機之前音樂感 ( 真實的音樂 ) 更豐富,雖然跳離開緩衝級一組電路,控制力和迅變絕無減少,寧靜的空間感帶給人舒適平和的心境,能吸引人進入音樂中,馬蘭士 9 的堂煌氣度依然,所增添的是從容不迫,重播任何樂章更游刃有餘,多了一分優美與及文化修養,此時此刻,頓萌挑戰老 “9” 的念頭,看「張」兄和顏悅色的面容,已知他完全收貨了。 (圖十) ![]() (圖十一) 調校阻尼系數 根據馬蘭士的說明圖 ( 圖十一 ) 線路 RA 和 RB ,這兩支電阻原本是短路的 ( 沒有 ) ,若加上這兩支電阻會降低阻尼系數,亦即回輸量會減少,設計師就是利用負回輸量去減低阻尼系數,阻尼系數對聲音有一定的影響,尤其低音的控制力,若有心改動這電阻,筆者通常建議 RA 由 0.1 ohm 至 0.33 ohm ; RB 由 1K 至 4.7K ,在這範圍內隨閣下個人口味作調校。但今次這次摩機手術暫未包括調校阻尼電阻。在此一提,一對馬蘭士 9 共有四支 6DJ8 ,並不一定要求四支 6DJ8 是相同的,是因為 V1 和 V3 是分級的工作,即是左右聲道 V1 是一對, V3 是另外一對,即就是說可以玩兩對不同的膽,在個人口味的調校音色是多麼的樂趣。
(责任编辑:admin) |














(责任编辑:admin)






















