作業中的膽機 , 只研究用途 , 敬請留意 !
VT52屬 300B糸,軍用品燈絲電壓 7V/1.18A,燈絲和柵極結構與300B同,屏極結構各異。WE300B 有透明而細緻的高貴音效(以舊裝1970年前的西電 300B作準),西電VT52 是微具音色的 WE300B,用Tango XE型 Output CP:4W. Max:10W。
近年舊裝西電 300B己買小見小 , 很難得到及價錢高昂(最小要港幣萬多元一對) , 而新裝西電 300B和其他牌子的 300B音效 , 與舊裝西電 300B比較又差很遠 , 沒有舊裝西電 300B的聲音特色。
舊裝西電VT52無論黃字和刻字也比較容易找到及價錢較平(西電刻字若港幣$1500 ~ $2xxx元一支而其他舊裝牌子若$1xxx元一支)用千多二千元一支的西電刻子VT52,總好過用同價位的新裝300B。
CP: 4W輸出巳能推動很多高效率揚聲器,其嬌美音色一聽難忘。

西電VT52

本機照片

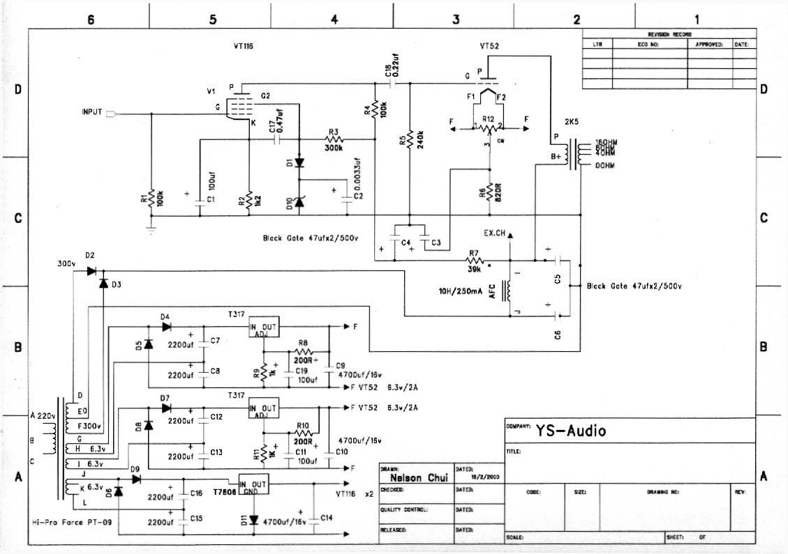
線路圖
成器初期本機是使用英國Audio Note [A級Output變壓器]和 Sylvania VT52,用Diatone P-610全音揚聲器試聲 , 音色嬌美 , 主音凸出 , 音場較前,細節較小,後改用Tango XE-60型輸出變壓器,效果連升數班,音色更為嬌美,主音與拌樂比例平衡良好,細節大增,兩極大為擴展,音場深闊,(Audio Note A級 Output 一千多元一對 , Tango XE-60型 Output 7千多元一對)。再在網上購得一對刻字西電VT52 , 即時插機試聽 , 控制更佳,播出的音樂有如流水 , 自然流暢 ,西電名膽果然名不虛傳。
(责任编辑:admin) |