|
古董老膽機的魅力毒素有多高?若凡沾上其毒癮者,往往不能自拔!在這十數年間發燒友往美國、英國和德國等主要三大工業強國進軍 ----- 實行地氈式搜尋,大肆掃貨;為求一圓擁有的欲望。若以生產機量和市場影響的主導力,首選美國這龍頭巨國,當中蘊藏著發燒友心目中至高無上地位的老牌子機 “ 西電 ” ,繼而有馬蘭士和麥景圖,都是買少見少,二手售價當然不菲;對很多人來說祇宜遠觀,可望而不可即。但有心找個好聲的老伴,並非富有人獨有的權利。若我們將眼光焦點轉移注視到二線或三線牌子的機種,擴闊了眼光 ---- 就無須倚靠望梅止喝了;因在不太高昂的價錢而有一定潛質的機種可算不少,例如: Fisher 、 Scott 、 Pilot 、 Shellwood---- 等。
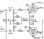
另外 Dynaco 、 EICO 、 Heathkit---- 等,當年這廠家主要是以套件式出售。筆者所指 “ 有潛質 ” 的古董膽機,很多時它們在健康狀態良好時的售價,差不多接近拆散零件計算的總值;就當作是自砌土砲買散料的心態看待,也不為過。這類機先天所蘊藏的潛質是靚聲的輸出牛、 choke 扼流圖和電源牛。在方便之處看,例如零件佈局、接地迴路、機殼的處理 ...... 等都是廠家早己為你而做足功夫了,免了土砲初哥,因以上幾點所帶來的煩惱;正所謂「萬事起頭難」。我們可不須理會此等機的二手炒賣價值,放膽的為它按理依症下藥,去蕪存青,每當領略到這機施過小手術後,能釋放令人嗟異的優厚潛質,所帶來的驚喜和滿足感與花得起錢買到心頭好的名機有所不同。 筆者向大家介紹的一對 Heathkit Model W4-AM 古董膽機後級 圖 (1) ,是約六零年代美國出品,當年 Heathkit 的經營方式跟 Dynaco 相同之處是以套件方式出售, Heathkit 的後級大多採用「威廉遜式」 Williamson-type 設計線路;各不同型號的劃分似乎是取決於使用不同的輸出牛,例如: Peerless 、 Acrosoud 、 Chicago---- 等,雖然同一線路結構,但因採用輸出牛不同而產生不同的聲音表現,看來 Heathkit 廠家提供這玩法, “ 玩味 ” 更引人入勝。 為何這類的套件機的聲音表現或市場價值難以跟名廠機爭一日之長短?歸納因素有三:第 (1) 因以套件低廉價錢出售而張貨就價,用了較低水準的交連電容。第 (2) 因銷售對象是初學者,往往我們現今接觸到的 kit 機,其銲製技術良莠不齊。第 (3) 為了減低技術測試和調校所出現不穩定的可能性,所以廠方作出太保守的預設,例如抑制高類的電路和高度的負回輸。我們就針對著以上三點來依症下藥將這台 Heathkit 施行手術,可將它化腐朽為神奇。 圖(1) 圖(2)
圖(8)
顶一下
(0)
0%
踩一下
(1)
100%
------分隔线----------------------------
|


























