|
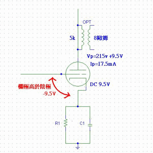
前言 小弟是第一次裝管機,我挑選5687是因為他是旁熱雙三級管,可以省下前後級與材 料的錢,(我是窮學生嘛,喊喊沒錢不為過@@”),而且聽強者我友人說,三級管的 音色會比五級轉三級好,然後直熱三級等名管我又玩不起,所以就先挑選5687作入 門機。----李佳銘 時常到南投去找Steven Chen大哥請教電路問題,那天偶然碰到站長,一見如故, 剛好最近在幫室友做5687,所以厚顏請求站長給我略盡綿薄之力的機會,所以才有 這篇報告----Bander 線路的選擇----Shiuen 線路選擇上面,我挑簡單的單端訊號源(single-ended source,簡稱SE),相對 於雙端平衡式訊號源(double-ended or balanced-source)來說,少去了推挽 線路(真空管並聯線路,將波型切割,分開個別放大;或稱作push-pull,簡稱PP) 上元件輸出相位差的影響;雖說推挽並聯輸出功率較大,特定頻率區段方面也可以用 示波器或是其他儀器來調整管子特性趨於相近,但是設計再好的推挽(上下倒相)電 路都不可能在全區段頻率輸出完全對稱的波形。 另外,線路上元件盡量越少越好,所謂多個東西就多個聲音,多個聲音就多個鬼,什 麼鬼?我自己的疑心生暗鬼!線路越簡單越好,又因為比較過的關係,拉掉負回授; 其實負回授補償線路的優缺點,從學理上都可以分析的出來,但是,就我感覺它大部 分的優點都存在於輸出電力波型,並非在聲音表現上,所以拉掉它,更簡單,更直 接,也免去重複輸入訊號波型的時間延遲失真; 況且……真空管特性中的極間與線間 電容部分(並非交連電容),自然就會影響高頻響應,產生失真,這方面人耳可以自 動由二次諧波作補償;若是真的這麼考慮輸出波型失真,其實可以考慮玩晶體機,君 不知吾人追求的就是溫暖的失真呼? 當這些因素方面考慮好後,電路圖自然就出現,剩下的只是帶入數值,下面的內容 裡,讓我們輕鬆用幾個簡單的公式給想踏入真空管線路設計的玩家了解。 單端無負回授的實際應用設計----Bander 在進入正式內容之前,先跟大家說幾件事;這些設計的內容,其實我當時搜尋了很 久,今天整理出來,用通俗的方式表達,是希望這個圈子能夠更普遍大眾化,也能讓 想自己設計管機的朋友們有更進一步的了解;絕對不服於特定之事給少數營利者壟 斷,這是我心中DIY的宗旨。 先從基本開始,既然要搞線路,咱們要有基本的工具;這幾個簡單公式,背也要背下 來;知識使人自由,別老說並非本科系的,然後拒絕知識的進入,花大錢卻被別人耍 的團團轉。 歐姆定律 V=IR;V是電壓,用伏特當單位;I是電流,用安培當單位;R是電 阻值,單位是 歐姆。 功率計算 P=IV;P是功率,單位是瓦特。 頻率截止 f=1/(2πRC);f是頻率,單位是HZ,另外常聽的用詞是週率,日本人 稱作周波數;;C是電容值,以法拉f作單位;我常用的是將常數拉出的形式:f= 159/RC,這裡R用千歐姆,C用μ(10的負6次方)法拉。 1.電容交連 準備好後,先介紹三種交連方式(直接交連,電容交連,變壓器交連)中的電容交 連: 強放級(電力放大級,或說是兩級放大中的後級)工作點推算 通常我們做兩級放大時(電壓放大跟電力放大,也可稱之驅動級與強放級),通常先 設計強放級的工作點…… ![]() 圖中,首先我們找尋工作點的欄極偏壓線,通常找尋數值居於中間的偏壓線,我本身 習慣是選最大偏壓的1/3,另外選取的工作點需要在最大屏耗4.2W下,才是正常工 作!至於繪出屏耗線的方式,用之前提過的 P=IV=>4.2W=Ip*Vp 第一組(屏耗線左上第一點):4.2W/60V=70mA 第二組(屏耗線左上第二點):4.2W/80V=52.5mA .....以此類推 所以先把工作點定在屏壓Vp=215V,屏流Ip=17.5mA,負偏壓9.5V;屏內阻方面 我們看到咖啡色的三角形曲線,斜軸是經過工作點與負偏壓曲線相切,將底下的橫軸 長度除以右邊的長度就是屏內阻, Rp=(260v-175v)/(37.5mA-0)=2.3KΩ。 輸出功率W=1/2*(Ipeak)*(Vpeak)=1/2*(Ipeak-peak)/2*(Vpeak-peak)/2= (Ipp*Vpp)/8 選取的偏壓是9.5V,所以A類工作正負擺幅都是9.5,正擺到0,負擺到-19V;假設我 們的OPT是5K負載,那們負載線的斜率就是5K,如圖上綠色的線,60mA到300V, 就是5K的負載線;接著在偏壓線0V與-19V交於5K負載線的兩點,作垂直與水平投影 到電壓軸與電流軸,這時我們可以得到四個值,Imax,Imin,Vmin,Vmax。W= (Ipp*Vpp)/8= (Imax-Imin)*(Vmax-Vmin) /8=0.95w!! ![]() 上面是標準強放級部份的線路圖,零件很少,需要計算的只有C1與R1; 圖上的Vp是屏極對地,所以要把之前工作點的屏壓加上陰極墊上的負偏壓,才是這裡 的Vp。 R1是陰極電阻,這裡是用來稱高陰極電位,使得陰極高於欄極9.5V,阻值的計算用 到歐姆定律:V=I*R=>R=9.5V/17.5mA=543Ω 因為電阻耐壓是看功率的,所以承受的功率為P=I*V=0.0175A*9.5V=0.17w 阻值跟計算出來的不要差距太大即可,耐功率瓦數一般則是選擇4~6倍使用起來較安 心。這裡選用560Ω/1W 陰極旁路電容C1的值,會用到之前提的公式,來算低頻截止點! C=159/(0.56KΩ*10HZ)=28.39μf 意思是說,當電容值為28.39μf時,其頻率10HZ為中段頻率(400HZ~4000HZ)的 0.707倍增益,也就是說10HZ的增益曲線約是在-3db的點;為什麼取10HZ來帶入 公式?因為這樣算起來,開始衰減的頻率約為30HZ,就是一般人聽覺的下限。 這裡我們陰極旁路電容選用33μf /25v 驅動級(電壓放大級,或前驅動級)工作點推算 ![]() 圖中,首先我們假設前端輸入的訊號電壓是0.7V~2V,所以求驅動偏壓上,為避免訊 號過大或是訊號被截斷,所以通常設定1~2V之間,還須考慮驅動管的電壓放大率μ, 5687雖然因為工作點的不同會改變μ值,嚴格來說變化不大,所以照廠方公佈的 μ=16來算,這裡是用-2v,2v*16=32v,足以提供強放級的欄極負偏壓!再次提 醒,選取的工作點需要在最大屏耗4.2W下,才是正常工作! 所以先把工作點定在屏壓Vp=100V,屏流Ip=25mA,負偏壓2V,屏內阻Rp= (120v-45v)/(35mA-0)=2.14KΩ,關於這個值,等會在繪製線路圖上用的到。 ![]() 抓好工作點後,其他的就是填圖遊戲;上面的圖是標準的單端無負回授驅動級的線路 圖,訊號輸入到驅動管欄極部分,除了R4是防止前級的電壓放大率太大,,以致於輸 入訊號太大產生震盪之外,大致上沒有什麼特殊的道理,可以照個人習慣去搭配。 R1與C1同強放級的算法,這裡分別用80Ω/0.25W,220μf /15v;C2是退交連電 容,作用上有點類似電源級的濾波電容,還可以減少反相回輸到後級去,選個適當的 值即可,這裡選用47μf /350V。 R2是負載電阻(實際上的前級負載電阻應該是R2與交連電容後的Rg並聯),影響電 路聲音上很大,由負載效應可求得實際增益A=μ*R2/(R2+Rp),理想情形R2越大於 Rp,其輸出電壓越大,但是R2也相同影響B+分壓來的直流電壓,影響屏級電壓工 作,一般我們是取內阻Rp的2~7倍。 ![]() 這是實際完整的線路圖,不包含電源濾波級,Cc跟Rg的值相同用頻率截止f= 1/(2πRC)來計算。 從B+到驅動管的屏極有壓差230-102=128V,其通過的驅動管電流為25mA,所以 RL+R1=128V/25mA=5.12KΩ,又退交連電容前的分壓電阻不可小於1K,所以 RL約用4.2k的阻值,功率部分,RL用10W以上,R1用5W。 電源級設計 這方面請記住幾點,通常變壓器輸出後的電壓經過整流後,無論是全波、半波、橋接 式整流,晶體整流或是管整流,第一個濾波元件會決定電壓輸出值的大小。 ![]() 這是電容(C in)作初級濾波示意圖,其後可以多做濾波排,但是重點在於第一個濾波 元件! 輸出的電壓計算如下: (V1-整流壓降)*1.41≒V2 ![]() 這是電感(choke in)作初級濾波示意圖,其後同樣也可以多做濾波排,但是要注意 第一個電感磁飽後會共振的問題。 輸出的電壓計算如下: (V1-整流壓降)*0.9≒V2 其整流濾波原理還有濾出的鏈波大小請自行參閱電子電路書籍,在此不墬述~~~ ![]() 實際整流濾波模擬情形,右下角為輸出電壓與其鏈波情形!使用的程式為PSU Designer II 容交機實做----李佳銘 實際備料約花了2700nt,因為學生的關係所以特會省錢,我們兩人錙銖必較的情形 下,其實玩管機價格也可以很平民化! 1.5687管子一對……600NT 2.管座一對………….120NT 3.OPT一對………….1100NT 4.機箱………………..400NT 5.端子………………..60NT 6.電源………………..230NT 7.一點都不發燒的零件+配線……200NT 我是焊在管座腳上,直接倒置於機殼上,線路非常簡潔,每個聲道只需要5個電容、6 個電阻和一個E10輸出變壓器;零件少可以獲得最少渲染的音質。 ![]() ![]() 圖:中間用那個銅柱,是用來做接地共點,拉成一長條也為了方便其他部位接地;因 為沒用PCB,為了好整理紛亂的線,所以使用搭棚架,這是朋友教的小技巧; ![]() 上圖:連接的線都折個直角比較漂亮,怕短路的地方記得套上熱縮套;中間那個交連 電容,用RIFA的0.1μC與超詭異雜牌0.001μC並聯,朋友叫我用;是聽有人說低頻 走大電容,高頻走小電容;不過主要是我朋友對它很感興趣,又剛好RIFA接腳不夠 長,才讓它裝上;事後它的電解質四處灑,沒多久就拆了,還好沒出事@@; ![]() 電源部分的特寫,左邊為兩聲道的燈絲供電POWER,中間的是高壓變壓器,旁邊有 簡單的C-R-C濾波 ![]() ![]() 輸出端子焊上表面有銅箔的電木板作接地隔絕訊號,訊號傳輸線也是用隔離的單心同 軸線 (责任编辑:admin) |






























