最好的电子音响科技diy制作网站

haoDIY_音响电子电脑科技DIY小制作发明

当前位置: 主页 > 音响DIY > 胆机DIY > 后级DIY >

推挽胆机DIY作品Dynaco ST35 7247(12DW7)+6BQ5(EL84,6P14)

时间:2012-10-15 10:58来源:hifidiy.net论坛 作者:admin 点击:
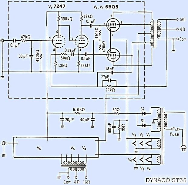
胆机DIY作品赏 Dynaco ST35(1963) 7247=12DW7 6BQ5= EL84, 6P14, 6P14P, N709, 7320, 7189 下载 (80.54 KB) 2012-6-28 14:23 下载 (198.71 KB) 2012-6-28 14:21 下载 (212.06 KB) 2012-6-28 14:22 下载 (214.61 KB) 2012-6-28 14:22 下载 (161.47 KB) 2012
胆机DIY作品㸝赏
Dynaco ST35(1963)

7247=12DW7
6BQ5= EL84, 6P14, 6P14P, N709, 7320, 7189
推挽胆机DIY作品Dynaco ST35 7247(12DW7)+6BQ5(EL84,6P14)

推挽胆机DIY作品Dynaco ST35 7247(12DW7)+6BQ5(EL84,6P14)

推挽胆机DIY作品Dynaco ST35 7247(12DW7)+6BQ5(EL84,6P14)

推挽胆机DIY作品Dynaco ST35 7247(12DW7)+6BQ5(EL84,6P14)

 
推挽胆机DIY作品Dynaco ST35 7247(12DW7)+6BQ5(EL84,6P14)
推挽胆机DIY作品Dynaco ST35 7247(12DW7)+6BQ5(EL84,6P14)

推挽胆机DIY作品Dynaco ST35 7247(12DW7)+6BQ5(EL84,6P14)


罩壳掀开,小心触电!

管子上套环做啥, 目的是消除或减小胆内的铃震。它可用可不用,因管因耳而异。

(责任编辑:admin)
织梦二维码生成器
顶一下
(4)
100%
踩一下
(0)
0%
------分隔线----------------------------
发表评论
请自觉遵守互联网相关的政策法规,严禁发布色情、暴力、反动的言论。
评价:
表情:
用户名: 验证码:点击我更换图片
栏目列表
推荐内容