|
背景 - 的SE50EH5管放大器 完成一个S-5电子K-12M电子管放大器套件后,我迷上了上管。本页面文件的设计和建设一个小而简单的单端(SE)电子管放大器。这个项目的主要目标是使用尽可能少的部件,尽可能把成本降下来。 这个小放大器是基于周围的小50EH5的功率五极管,是类似“土豆”和跳蚤,我偶然发现的功率管放大器。首先,Dave的降压放和爸爸的50EH5的单端放大器。 的50EH5是一个微型功率五极管,主要是设计,广泛应用于无线电和电视接收机的音频功率输出级的,在留声机。管具有高功率电压灵敏度,低板和屏幕。管的特点和典型的一类A1放大器的操作总结如下。 为了降低成本,在这个项目上,多数使用的部分已经被打捞上来,从旧弗利特伍德立体声的控制台,从当地的旧货店购买美元7CDN。 01照片显示在下面的图1所示的电路从控制台打捞上来的控制台和地图。 ![]()
照片1:回收的的弗利特伍德音响控制台
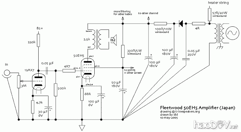
图1:原理图弗利特伍德管音响主机
单端(SE)电子管放大器的设计 50EH5五极管已在许多音频应用在过去广泛使用,所以也没有必要开发一种新的设计解决此管。在此基础上,我决定坚持到单端放大器设计中的典型应用笔记。
图2:50EH5的单端
(责任编辑:admin) |
















