|
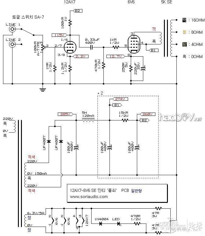
这图是在hifidiy的 天狼 前辈画图 简单易明 ![]() 电路原理图 ![]() ![]() ![]() ![]() ![]() ![]() ![]()
(责任编辑:admin) |
|
这图是在hifidiy的 天狼 前辈画图 简单易明 ![]() 电路原理图 ![]() ![]() ![]() ![]() ![]() ![]() ![]()
(责任编辑:admin) |
用2毫米厚铝板自己动手制作了小机壳,沙金片输出牛装了一台小单端,声音感觉还不错...
首先感谢白居不易老师!再谢谢直热胆老师还有sun26210老师!他们的指导和帮助!!! ...
很久很久以前~~~那时候喜欢音乐 喜欢单机甜美醇厚通透的音色,所以自己做啦一个,当时...
灯丝电压0-15V可调,两个317并联可达4A.B+现用变压器加调压0-450V,准备改用开关电源,电...
以前做了个6P1,但摆在那里总觉得不爽,于是就把它推倒重来。这台机全是用旧物品作,...
两年多以前,我无意间闯入了本坛,恰巧这时我弟弟给了我两对配好对的6L6和2只用C型铁...
we396a+中國300B电子管单端胆机
更新:2012-09-11
12ax7+6v6(6p6p)制作与胆机的首
更新:2013-05-12
制作一个蒸汽机电子管功率放大器
更新:2014-06-09
纯真之二 6sn7+KT88 6550单端胆
更新:2012-10-11