最好的电子音响科技diy制作网站

haoDIY_音响电子电脑科技DIY小制作发明

当前位置: 主页 > 音响DIY > 胆机DIY > 后级DIY >

仿制作麦丽迪Melody-SHW-1688线路的前机

时间:2013-05-11 12:02来源:未知 作者:admin 点击:
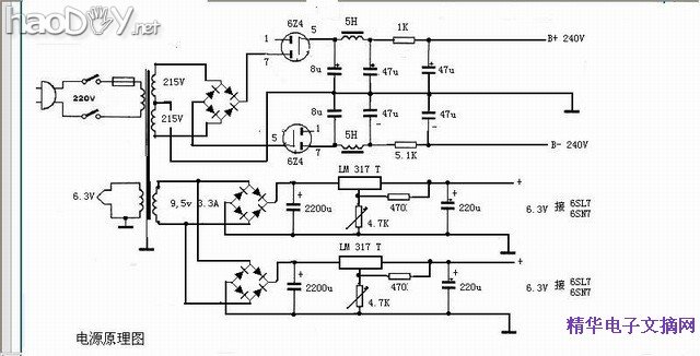
制作情况: 1、机壳使用红木茶道托盘,底版使用5mm铝板。 2、放大部分按原电路图制作,个别电阻数值有所改动。 3、电源部分根据现有元件自行设计,CL整流,正负240V供电。 4、元气件固定在3.5mm厚的树脂绝缘板上,使用瓷元件支架固定电阻电容。 5、灯丝直流供

制作情况:
1、机壳使用红木茶道托盘,底版使用5mm铝板。
2、放大部分按原电路图制作,个别电阻数值有所改动。
3、电源部分根据现有元件自行设计,CL整流,正负240V供电。
4、元气件固定在3.5mm厚的树脂绝缘板上,使用瓷元件支架固定电阻电容。
5、灯丝直流供电。
6、反馈电阻为R4=4.7K、R5=47K 、根据听感进行调整,主要调整R4,R5和R4的比值,比值大反馈量小,比值小反馈量大。
7、关键的两个电容器:1、整流电容第一级使用SP -8u油侵。2、输出电容使用WE- 0.25u x 2油侵。
测试情况:(ZQ4121型失真度测试仪、YB4242型示波器、XDIB型信号发生器)
1、 输出1V失真度0.2%(1Khz)
2、 频率响应20---200KHZ正负小于0.1db
3、 噪声,输入对地时(电位器调到最小),输出小于0.1毫伏,电位器调到最大时,输出小于0.2毫伏。

仿制作麦丽迪Melody-SHW-1688线路的前机

仿制作麦丽迪Melody-SHW-1688线路的前机

仿制作麦丽迪Melody-SHW-1688线路的前机

仿制作麦丽迪Melody-SHW-1688线路的前机

仿制作麦丽迪Melody-SHW-1688线路的前机

使用Pspice 8.0进行电路仿真

仿制作麦丽迪Melody-SHW-1688线路的前机

仿制作麦丽迪Melody-SHW-1688线路的前机

仿制作麦丽迪Melody-SHW-1688线路的前机

上张电源原理图

仿制作麦丽迪Melody-SHW-1688线路的前机

(责任编辑:admin)
织梦二维码生成器
顶一下
(1)
50%
踩一下
(1)
50%
相关文章
------分隔线----------------------------
发表评论
请自觉遵守互联网相关的政策法规,严禁发布色情、暴力、反动的言论。
评价:
表情:
用户名: 验证码:点击我更换图片
栏目列表
推荐内容