|
这部2A3单端的前身原本是一部耳放,烧耳机也有好几年了,耳放做了不少,从最初的运放、运放+扩流、场效应管单端、6N6、EL84等阴极输出,到6V6牛输出单端,烧到最后,想以一部2A3直热单端耳放作为终结,筹划了很长时间,等机器装得差不多了,对耳机系统的烧度却降下来了。这期间经历了一些人生变故,对发烧的认识也有了不少变化,而在客观环境上玩音箱的条件也不经意地成熟起来,对全频单元的兴趣在被压制了两年后终于可以变成现实了。正好赶上耳机坛又一轮FOSTEX单元团购,于是就订了一对FE108EZ。
直热三极管单端+全频,是被很多前辈和烧友认可的较理想配置,看着自己还没调完的2A3耳放,经过一番并不太激烈的思想斗争,我决定把它改成一台单端功放。好在电源牛、灯丝牛、扼流圈都可以留用,机箱作些小改动即可。输出牛肯定要换,在材料网上找陈团长又订了一对2.5K:8的15W单端牛。
做耳放时,考虑到HD650所需的功率很小,并不需要2A3满功率输出,所以只用了一级6922共阴放大来推,现在改为推箱子的功放,就需要认真选择一下推动级的线路了。我在网上收集了很多2A3单端的线路,查看了各论坛里关于这方面的讨论,经过纸上谈兵式的对比,加上我自己的一些偏好(比如喜欢用小九脚管、不喜欢并管等等),最终决定先做这样的前级线路:12AX7共阴放大、直耦12AU7阴极输出、然后电容耦合2A3。网上搜来的线路中,这两张比较接近,只不过他用的是8脚的6SL7,我改用小9脚管而已。



我的实做线路如下:

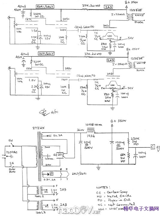
2A3这部分没什么特殊,都是按250V屏压、-45V栅负压、2.5K输出阻抗、3.5W输出功率等标准参数来设计的,2A3的阴极电阻没弄到合适的,就用两只10W的DALE金属膜电阻串联,阻值大约820左右。在做耳放时我用了灯丝平衡电位器,但还是不能把交流声降到我满意的程度,后来准备改用直流灯丝,但还没等实施,大计划就变了。现在我只用了两只47欧的固定电阻来做灯丝平衡,如果不行,再考虑并上电位器。结果接上箱子一听效果还行,交流声在可接受范围内。
12AX7和12AU7的B+ 退耦电阻用得比较小,是考虑让12AX7有相对较高的B+供电,查看12AX7的DATASHEET可以发现,12AX7作共阴放大时,B+供电越高,线路的失真度越小,从名机MATISSE前级也可以看到这一点,它的12AX7的B+用到了420V,屏极电阻用到250K,这时的失真约1.1%,如果换成B+200V,屏极电阻100K,失真会加大到约3.9%,这一点是与12AX7高μ管的特性相关的。线路中12AU7与12AX7是直耦的,12AU7的阴极被垫高到180V左右,此时12AU7的灯丝、阴极的压差已到管子的许用极限,所以电源部分的滤波电容的泄放电阻设计成两只串联,取60V左右的电压加在12AX7、12AU7的灯丝平衡电位器的中点上,将其灯丝、阴极的压差降到120V左右。
这幅图是用EWB软件仿真时的情况,用这个软件主要是为了看看线路有没有大毛病,各处的工作点有没有大偏差,免得路走得太弯。
(责任编辑:admin) |