最好的电子音响科技diy制作网站

haoDIY_音响电子电脑科技DIY小制作发明

当前位置: 主页 > 音响DIY > 胆机DIY > 后级DIY >

6N5P电子管OTL胆机功放总算完工了

时间:2013-07-04 08:20来源:www.crystalradio.cn 作者:hubaocai 点击:
DSC00934.jpg (68.36 KB, 下载次数: 2) DSC00935.jpg (72.83 KB, 下载次数: 3) DSC00936.jpg (71.68 KB, 下载次数: 2)
整机的输入灵敏度为0.6V,输入阻抗大于100kΩ,每声道额定输出功率为20w+20W,失真系数优于1%,信噪比为85dB,频率响应从10Hz~40kHz±ldB。没有耐心的朋友千万别尝试此机,调试太费劲了。但是做完整体感觉还可以噪音小的几乎没有,力量挺足的,音乐感都挺好就是听人声差了点。
 

DSC00776.jpg (139.72 KB, 下载次数: 19)

 

DSC00776.jpg

 

DSC00869.jpg (133.25 KB, 下载次数: 20)

 

DSC00869.jpg

 

DSC00872.jpg (114.03 KB, 下载次数: 18)

 

DSC00872.jpg

 

DSC00875.jpg (114.07 KB, 下载次数: 13)

 

DSC00875.jpg

 

DSC00878.jpg (95.53 KB, 下载次数: 14)

 

DSC00878.jpg

 #p#分页标题#e#

DSC00881.jpg (99.7 KB, 下载次数: 15)

 

DSC00881.jpg

 

DSC00884.jpg (23.4 KB, 下载次数: 12)

 

DSC00884.jpg

 

DSC00884.jpg (23.4 KB, 下载次数: 10)

 


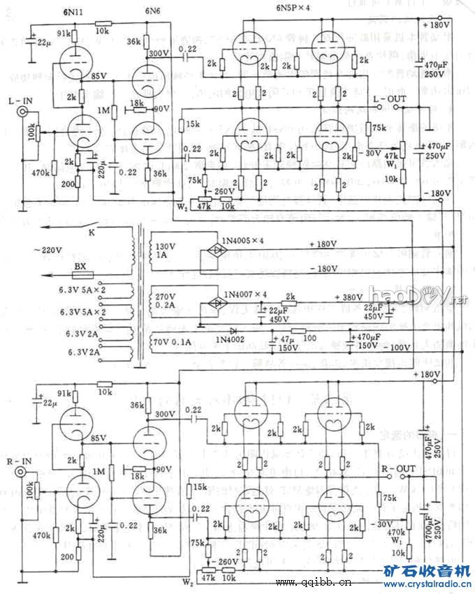
6N5P电子管OTL功放电路图
 

电路图.jpg (106.49 KB, 下载次数: 36)

 

电路图.jpg



朋友过来帮着进行终极调试完工,今天没什么事情把牛罩跟底板和地角也都做好了准备装饰上去了......我的6n5经历了这么多风雨总算告一段落了。正套机器外观洗板、折板、上漆、烤漆、修饰、搭棚全是自主设计自己完成,好不好也就这样了请高手拍砖。
 

DSC00932.jpg (53.37 KB, 下载次数: 3)

 

DSC00932.jpg

 #p#分页标题#e#

DSC00934.jpg (68.36 KB, 下载次数: 2)

 

DSC00934.jpg

 

DSC00935.jpg (72.83 KB, 下载次数: 3)

 

DSC00935.jpg

 

DSC00936.jpg (71.68 KB, 下载次数: 2)

 

DSC00936.jpg


(责任编辑:admin)
织梦二维码生成器
顶一下
(6)
50%
踩一下
(6)
50%
------分隔线----------------------------
发表评论
请自觉遵守互联网相关的政策法规,严禁发布色情、暴力、反动的言论。
评价:
表情:
用户名: 验证码:点击我更换图片
栏目列表
推荐内容