最好的电子音响科技diy制作网站

haoDIY_音响电子电脑科技DIY小制作发明

当前位置: 主页 > 音响DIY > 胆机DIY > 前级DIY >

和田茂氏前级制作

时间:2012-10-21 12:40来源:未知 作者:admin 点击:
电源变压器50WX2电流75MAX2 和田茂氏电路 原理图 电压参数: 原版线路 6N2+6n11和田茂氏线路图 斯巴克110仿和田茂氏前级线路图
电源变压器50W X 2 电流75MA X 2
和田茂氏前级制作

和田茂氏前级制作

和田茂氏前级制作

和田茂氏前级制作

和田茂氏前级制作

和田茂氏前级制作

和田茂氏前级制作


原理图

和田茂氏前级制作

电压参数:

和田茂氏前级制作

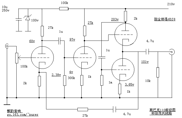
原版线路

和田茂氏前级制作


6N2+6n11和田茂氏线路图
和田茂氏前级制作

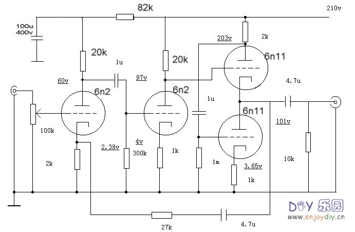
斯巴克110仿和田茂氏前级线路图
和田茂氏前级制作 (责任编辑:admin)
织梦二维码生成器
顶一下
(1)
33.3%
踩一下
(2)
66.7%
------分隔线----------------------------
发表评论
请自觉遵守互联网相关的政策法规,严禁发布色情、暴力、反动的言论。
评价:
表情:
用户名: 验证码:点击我更换图片
栏目列表
推荐内容