最好的电子音响科技diy制作网站

haoDIY_音响电子电脑科技DIY小制作发明

当前位置: 主页 > 音响DIY > 胆机DIY > 前级DIY >

稳压电源马兰士Marantz7线路胆机前级唱放唱头放大器附电线路图纸

时间:2013-02-10 13:55来源:www.tubebbs.com 作者:我是ECC32 点击:
话说在下年初回到四川,在完成了房间的声学改造、 黑胶 唱机 底座和器材架之后。按原计划,打算认认真真做几台 放大器 玩玩。然而实在是流年不利,好容易找到一家当地的专业机柜厂,费了老大的劲儿、结果做出的 机壳 尺寸精度、表面处理还都惨不忍睹,只好报

话说在下年初回到四川,在完成了房间的声学改造、黑胶唱机底座和器材架之后。按原计划,打算认认真真做几台放大器玩玩。然而实在是流年不利,好容易找到一家当地的专业机柜厂,费了老大的劲儿、结果做出的机壳尺寸精度、表面处理还都惨不忍睹,只好报废了事。无奈之际找到了两个以前做的小机壳,盘算了半天打算做个前级和唱放练练手玩。但又做个什么机器呢?我想到了Marantz7

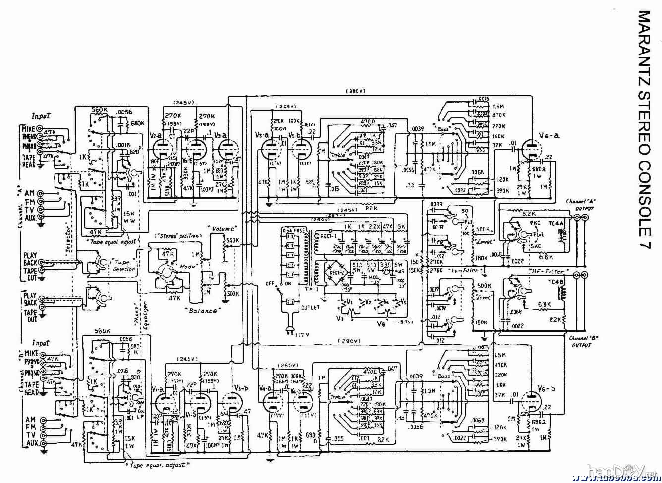
在“古董名器”的前级中,Marantz7可谓经典中的经典。它可能也是被胆机DIYer仿制过的最多的古董线路的前级之一。早年,在下也曾经多次做过在M7线路的高电平放大器。而目前正在系统中服役的唱放就是DIYM7。 

稳压电源马兰士Marantz7线路胆机前级唱放唱头放大器附电线路图纸

 

 

图1MarantzStereoConsole7线路[1].jpg (547.8 KB)

 

稳压电源马兰士Marantz7线路胆机前级唱放唱头放大器附电线路图纸
 



江湖上对M7的声音评价有太多的传闻,比较有代表性的有:迷人的中高频、醇厚的中频,动态和速度、低频和透明度一般。
对于这样一款经典铭机,特别是被众多DIYer仿制过的线路。做起来具有相当的挑战性。做得好那是理所当然,而且也是前人的功劳,做的不好那就是手艺不济。就好像足球比赛里的射点球。
根据上述的分析,这次的制作仅仅在放大线路上按照原机,电源采取了电子管稳压电源。所以,这次制作也只能说按照M7的放大线路框架做了一台机器。应该说与M7是完全不同的机器。
话说回来,在下到现在也还没有发现国内发烧友有真正意义上M7复刻制作。在下几年前曾认真研究过日本人1:1复刻M7的文章并打算效仿。但因零件配套难度太大作罢。
 
 

图6唱放底观.JPG (357.21 KB)

 

稳压电源马兰士Marantz7线路胆机前级唱放唱头放大器附电线路图纸

 

图2唱放、前级外观.JPG (241.73 KB)

 

稳压电源马兰士Marantz7线路胆机前级唱放唱头放大器附电线路图纸

 

图3唱放去顶盖.JPG (339.59 KB)

 

稳压电源马兰士Marantz7线路胆机前级唱放唱头放大器附电线路图纸

 

图4前级去顶盖.JPG (347.55 KB)

 

稳压电源马兰士Marantz7线路胆机前级唱放唱头放大器附电线路图纸

 

图5前级底观.JPG (384.62 KB)

 

稳压电源马兰士Marantz7线路胆机前级唱放唱头放大器附电线路图纸
 



放大器部分的实做线路

稳压电源马兰士Marantz7线路胆机前级唱放唱头放大器附电线路图纸 (责任编辑:admin)
织梦二维码生成器
顶一下
(8)
72.7%
踩一下
(3)
27.3%
------分隔线----------------------------
发表评论
请自觉遵守互联网相关的政策法规,严禁发布色情、暴力、反动的言论。
评价:
表情:
用户名: 验证码:点击我更换图片
栏目列表
推荐内容