最好的电子音响科技diy制作网站

haoDIY_音响电子电脑科技DIY小制作发明

当前位置: 主页 > 音响DIY > 胆机DIY > 前级DIY >

《西电》胆前级珍品 106A 大解構

时间:2012-08-31 11:01来源:未知 作者:admin 点击:
WesternElectric「西電」這名字已響徹大半個世紀,過往經營電話通訊系統和劇院音響設備,主要都是生產和安裝大型專業器材系統;至於民用音響「西電」就甚少涉足。若將西電的名氣與馬蘭士和麥景圖這兩大M相比;更顯得西電地位崇高與神秘感。兩大M擁有深入民心
Western Electric「西電」這名字已響徹大半個世紀,過往經營電話通訊系統和劇院音響設備,主要都是生產和安裝大型專業器材系統;至於民用音響「西電」就甚少涉足。若將西電的名氣與馬蘭士和麥景圖這兩大 “M”相比;更顯得西電地位崇高與神秘感。兩大 “M”擁有深入民心的知名度,建基於名牌的信心,而二手市場交易「脫手易」和保值;就可驅使用家不畏高價的購買,因此更奠立二手市場的承接力。而西電歷古至今都能穩站「高不可攀」的地位,是發燒友「夢中情人」的另一追求層次,西電早期名膽300B、274A、274B、350B或早期西電名機乎貴得要向你「分身家」或打一世工也未必能儲夠錢買一套西電機;甚至乎有錢都不能買得到,還要看「緣」這個字。另方面西電的用家和收藏家與兩大M的用家截然不同,即是 “Easy come . Easy go” 這句對西電的用家是不合適;他們只有買沒有賣,更形成在市面上流通量少之又少,西電的特殊名氣機種,價值已沒有市場的估計公開價;而只有私人交易的「暗盤價」,那麼!就祇有他們自己知;一般的初哥豈敢沾手!價錢貴到飛起,而且所有西電機的樣貌在製作與設計上從不修飾,因是專業器材!再者,還經數十年的歲月摧殘,大多數的機外貌和健康狀態已今非昔比,西電名種靚聲機就祇留給財雄勢大,又膽大心細而識貨之人手上。這也非是一般普羅大眾所追求的「玩機」層次;但讀者們多一點認識或作茶餘飯後多一話題也算樂事,或許總有一天106-A與你有緣!又如何呢?圖(1)

圖(1)
《西电》胆前级珍品 106A 大解構 

圖(1b)
《西电》胆前级珍品 106A 大解構   

圖(1a)
《西电》胆前级珍品 106A 大解構

《西电》胆前级珍品 106A 大解構
 

圖(1c)
《西电》胆前级珍品 106A 大解構 

圖(2)
《西电》胆前级珍品 106A 大解構 

線路結構:
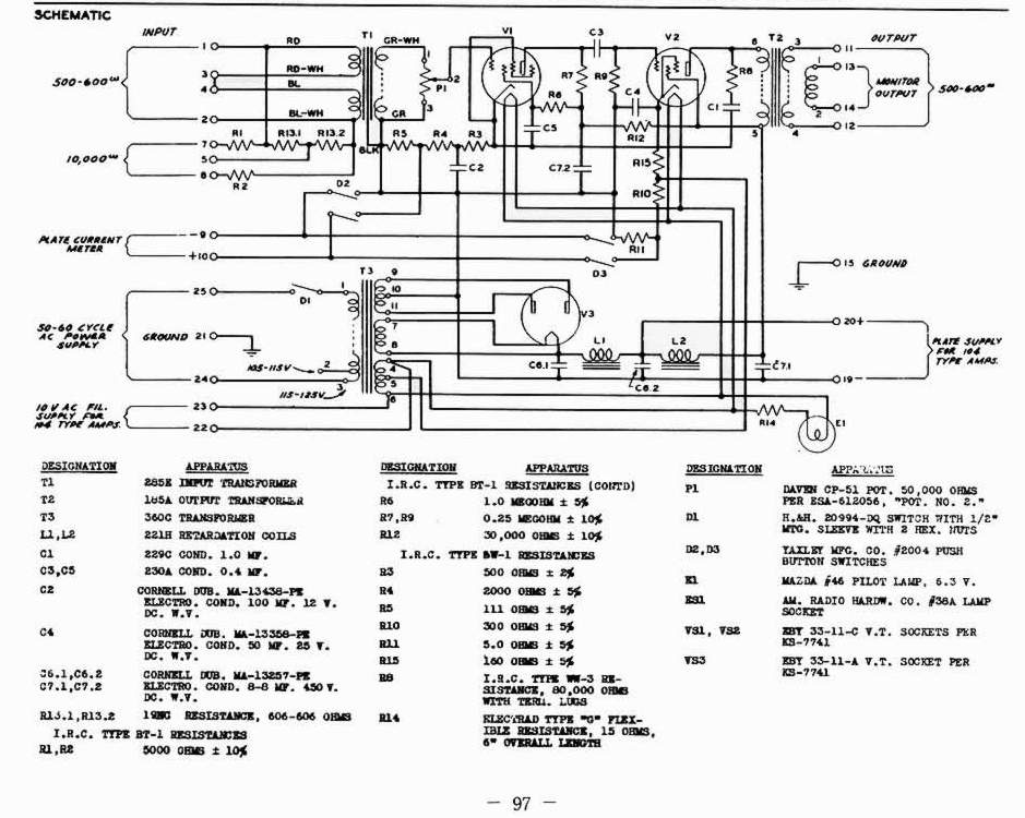
圖(1a) WE 106-A前級在古董西電系列排行也佔不輕的位置,它是兩台獨立單聲道牛輸入和牛輸出的前級,輸入牛是285E可接成150ohm或600ohm輸入。輸入訊號放大管是五極310A,經油質電容0.4u交連至四極管336A直接推動輸出185A。整流膽是274A 圖(1c),全波整流經兩級扼流圈choke 221H和兩隻祇有8u的電容濾波,整部單聲道的前級濾波電容竟然可以全依賴四組8u的電容,即是總數值32u圖(2)就可足夠令全機正常工作;還可以低接受的交流 “啍”聲。

經驗所得,古董設計的老機通常濾波電容的數值是遠遠少於新裝機,尤其是專業器材的擴音機所使用的濾波數值時常令人難以置信;引証了設計技術的頂尖數學,相比那新一代滿腹理論與卓頭,並呼天搶地的推行新理念的商品器材相比,明顯是各走極端。盈千上萬的電容數值理據,似乎就是無限大,祇要用盡機箱內的空間才是滿足,於是學藝未精的「土砲友」就有樣學樣;還青出於藍,做一部土砲馬蘭士7的電源部份竟用上20000u的總濾波數值。理智一想!若是無限大亦即是無數計!那麼!現今的設計師工作就清閒得多了;在此強調的是設計藝術與學問並非盲目的。

筆者數年前曾於《發燒音響》詳述電容數值的理論,現在並無意重述舊文;而是因這經典WE. 106-A在設計數值與零件分佈,可令人讚嘆叫絕,還有的是這台前級除了hum聲低至可接受的程度外;其分析力和動態恐怕現今很多的名牌機也要俯首稱臣;而且在600ohm輸出端最高可有30v的音頻訊號輸出(未失真RMS.),對於某些被公認為難推的後級來講,WE 106A是輕而易舉之事。

圖(3)
《西电》胆前级珍品 106A 大解構 

圖(4)

《西电》胆前级珍品 106A 大解構 

圖(5)
《西电》胆前级珍品 106A 大解構 

動手術: 
大多數經歷數十年歲月的古董老機,即使雖未至施行大手術,但總離不開少許的毛病,例如膽座接觸不良或開關接點問題,都是常見的現象。以經驗所得,單是解決以上問題,足以令40%以上的老機回春。而這106A前級在未插膽之前觀察,已發覺所有膽座內部的金屬接點經已嚴重氧化,即接觸不良;必須先行清潔這導電接點圖(3),確保不會因不良接觸而產生噪聲或電流工作不穩定(膽的安全有影響);因這六支膽價值不菲啊!建議使用幼沙的小磨咀裝上高精密度的打磨機,將這六個膽座細心的打磨清除氧化的接觸面。


電源輸入:
第二步就是找出電源輸入,輸出和輸入端子的位置,看圖(4)在近電源牛的位置處有一銲接架 TS2,編號24-25就是電源輸入端;亦可選擇105-115v或115-125v的,還有的是這AC電源牛輸入之前串聯著一個圓形的fuse座(圖4左下角),看圖(5)-(5a)這是第一代的古董slo-blo.fuse,體型特大,而且很好聲,是不可多得的老fuse,儘量避免因人為錯誤而糟蹋了它。

圖-(5a)
《西电》胆前级珍品 106A 大解構 

圖(6)
《西电》胆前级珍品 106A 大解構   


訊號輸出和輸入的位置:
輸出和輸入的銲接點是使用同一接線架,看圖(6),這接線架分上下層,按數目字的編號找出輸入和輸出接點(若未經改機或因修理員出錯的話,理應所有編號是按線路圖的編號是正確的);當然應細心的檢查核對這對106A的接點編號是無誤的,才可接上電源線,最好用古老電源線,為保留原味。然後接上RCA插座,銲接架上的編號1-2是600ohm,1-3或2-4是150ohm,可作並聯兩組150ohm,或單組使用,這樣式的並聯或單組使用都是150ohm;但祇有串聯使用時是150ohm加150ohm等於600ohm,這是音頻交流阻抗計算數式,不是一般計算的數式,現暫不便詳談。

看圖(1b),另外,5-7-8是因串聯了電阻而提高了輸入阻抗的,而同時也可降低這前級的靈敏度(但不是放大部份的總增益);從1-2-3-4直接輸入牛處,聲音更直接和真實;若取7-5-8輸入,就因多了電阻的影響輸入牛與訊號源的阻抗,聲音表現得稍慢少許,或許是多一種不同音色的選擇。

看圖(8)損壞了的是西電無感線阻,內部用了合金電阻線作了兩組同等的正和反向繞製,以抵消電感的形成,這合金電阻線是用多種金屬混合提煉而成,這多種金屬元素導電的阻值都比銅或銀高出十倍或數十倍以上(不是鎢),可按這合金電阻線的線徑粗度或繞圈數的長度決定電阻的數值,有趣的是可以用錫線銲接的(鎢是不能銲錫),這電阻線是很好聲的;但售價極昂貴,而市場需求的比例愈來愈低,故此製造這類電阻線的廠家已相繼停產,真是一件憾事!當然這骨牌型電阻破壞了就應更換,但若決意不使用7-5-8這電阻輸入10kohm端的話,這失效的電阻可拆下棄之;不過筆者當然逃不過自己的個性,總要找出並裝回應有的電阻,才能心安理得,多點功夫和時間在所不辭。

圖(8)
《西电》胆前级珍品 106A 大解構 

圖(9)
《西电》胆前级珍品 106A 大解構 

圖(10)
《西电》胆前级珍品 106A 大解構 

西電185A輸出交連牛:
輸出部份是用西電185A輸出交連牛圖(9),有兩組固定的輸出繞組600ohm和4ohm, 600ohm是前級主要輸出,銲接架數字位置是11-12;而13-14是4ohm祇有0.5w可作鑑聽Monitor喇叭之用。


安裝RCA插座:
為了要將這專業機當作家庭音響使用,有關的輸入和輸出插都須另行安裝RCA插座,可適合常用的訊號線插頭,安裝RCA插座當然不宜在機箱鑽孔,可以銲接一個最好聲而且「襯到絕」的老式錫水RCA插座,可用西電幼布線短距離的凌空吊著,或用一細小纖維板銲錫固定這兩粒錫水RCA插座,然後將這纖維板利用機內銲接架上的螺絲安裝,好處是可保持而不破壞原裝和使用更方便,看圖(10)。




圖(11)

《西电》胆前级珍品 106A 大解構 

圖(11a)
《西电》胆前级珍品 106A 大解構 

圖(11.1)
《西电》胆前级珍品 106A 大解構 

儀器測試:
一切例行檢查和接線插座安裝妥當後,可插上膽進行儀器測試,因線路電子放大部份仍算簡單,可變值或變壞的零件不多,暫可假設所有零件是正常,並接上示波器和訊號產生器測試頻率響應寬度和波形的失真狀況;在啟動開關後約一分鐘,隨即用DC量錶測度交連電容C3 / 0.4uf的輸出端,確定這交連電容正常狀態,不容許漏電的可能性。幸好這兩單聲道的C3輸出端接近零直流電壓,確保輸出管336A的工作穩定和安全,初步測試良好,可放心察看示波器的波形表現。這WE.106-A的頻應闊度驚人,可由10Hz~28000Hz平直響應,圖(11.1)28k~32kz /-1db、 35k~40kHz / -0db、60kHz竟然可+5db,看圖(11)1kHz的方波,上和下方的凌震,也是原子粒機沒有的現象,這是輸入牛和輸出牛的餘磁效應;很多時見到這凌震的膽機,往往在「空氣感」和「音樂餘韻」尾音方面特別豐富;不論「理論派」人士認為這凌震是失真,千方百計要在電路上壓抑這凌震,務求心安理得;但筆者決意保留這凌震,況且西電設計者的原意也在此,就是無須施加不必要的人為壓制。這也解釋了膽機悅耳而好聲優於石機其中原因之一,還有一點是60kHz時 +5db的現象,亦是這凌震的效應,圖(11a)是在6kHz測試的方波。再要一提的是這106-A在600ohm輸出時是很高增益gain的,即使輸入音量制詷至起步的第一或第二格也是很大聲,但亦要視乎所配搭的後級靈敏度而定;若以這600ohm輸出配低靈敏度輸入的後級是較合情理。 (责任编辑:admin)
织梦二维码生成器
顶一下
(0)
0%
踩一下
(1)
100%
------分隔线----------------------------
发表评论
请自觉遵守互联网相关的政策法规,严禁发布色情、暴力、反动的言论。
评价:
表情:
用户名: 验证码:点击我更换图片
栏目列表
推荐内容