最好的电子音响科技diy制作网站

haoDIY_音响电子电脑科技DIY小制作发明

当前位置: 主页 > 音响DIY > 胆机DIY > 前级DIY >

《西电》86A靓声秘决大公开

时间:2012-08-30 21:53来源:未知 作者:admin 点击:
笔者详细阐释稀有而好声的西电124B,未有缘一拥此经典型号的350B推挽名机者;祇有藉拜访西电玩家音响得道高人,才有机会一睹其风釆,望梅可暂时止渴;另一止痒途径就是从杂志书刊或网上细阅文章,作初步认识的基础;或许,可偶尔在午夜时带来一个好梦,也算得
笔者详细阐释稀有而好声的西电124B,未有缘一拥此经典型号的350B推挽名机者;祇有藉拜访西电玩家音响得道高人,才有机会一睹其风釆,望梅可暂时止渴;另一止痒途径就是从杂志书刊或网上细阅文章,作初步认识的基础;或许,可偶尔在午夜时带来一个好梦,也算得到一时短暂的满足。
  西电124已叫人梦寐以求冲动拥有欲,那麽!西电86A的魅力与“毒性”是否可以叫人更朝思暮想兼神魂颠倒呢?相信86A是更有条件图(1) ,图(1b)。
第一:它比124更稀有。第二:86A的交易价比124高三至四倍。第三:86A功率管是300A比124所用的350B更具代表性。被众发烧友誉为「梦幻管球」的Western Electric 300B的前身是300A,《西电》厂所有产的300A维持生产的期段很短;继而就是全线以300B取代300A。有缘在笔者手上来求诊的86A所印刷是300A的管子型号,是可用300B代之图(2)。西电70年或以前的300B真是价值不非呢
《西电》86A靓声秘决大公开
图(1)

《西电》86A靓声秘决大公开
图(1b)

《西电》86A靓声秘决大公开
图(2)

《西电》86一出道就叫86A,推挽单声道后级系列中有分86A、86C和86E三款,86A是最早出生的大哥,相继接续面世的是86C (86A和86C十分相近),最后期的86E除了在输出牛有少许改变之外;基本上《西电》86的同门三兄弟的线路是大致相同。 

  若以输出功率来比较《西电》的同门兄弟,124在推挽使用一对350B胆输出是20W;86在使用一对300B功率管时竟可有28W RMS输出功率。若讲到《西电》91的单端300B则祇有8W的功率,由此看 “86”可算在这三兄弟中最有力和最具文化涵养的大哥。有关300B机王之战 ~《西电》86斗《西电》91,在11月《发烧音响》李智伟兄已详尽披露,请翻阅参考。笔者祇集中于剖释86A设计、用料与线路架构上的天赋靓声本钱,所具备的独有特质正是本文的主旨所在。
线路分析: 
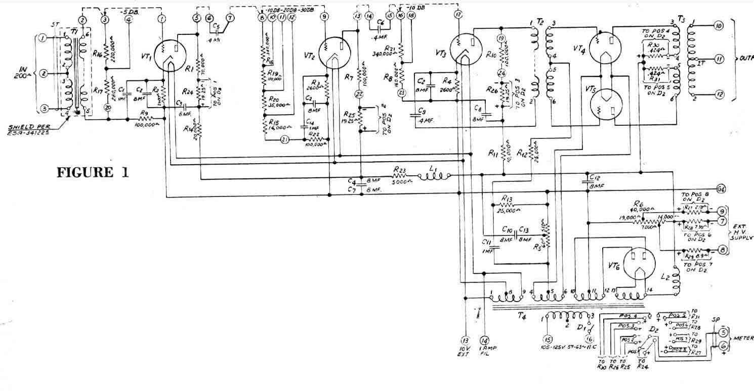
  线路图(3),在设计86A时是使用一对300A作推挽功率管,当时300A生产的数量是比300B更稀有得多,又因特性相同,可用300B直接代用300A,由1930年代的300A全是凋刻字的胶底座,直至40年末,同时出现凋刻字的300A和300B;自此交接期开始,可算是由成熟期的300B取代萌芽时期的300A。前面有三支262A旁热三极管图(4),VT1和VT2是两级的输入讯号放大,VT3则是直接推动交连牛的推动管。262A和262B、300A和300B、310A和310B是相当近似的情况互换,图(5)整套单声道86A所用的胆。但整流胆274A就不能直接插上274B代换了,虽是274A和274B特性相同,但它们的脚座类型是不同,所以不能互换。
《西电》86A有一很大的特点是“推动交连牛”,这是相当古老又典型的交连牛线路,推动管VT3 “262A”的放大屏极电阻是 “R10” 100K。阴极电阻是 “R4” 2.6K;基本上已组成VT3的完整放大推动级,而这交连牛T2直接从VT3的屏极取讯号。 图(6)圆形并印有input字样的是T2 “264C”牛和VT3似是直接交连,但又非真正的直接交连,因为须依赖4uF电路返回VT3的阴极作阻隔直流的回路;在这情况T2并不算直正带直流工作,而是半直接交连的推动牛;亦是西电很独特的特色。

《西电》86A靓声秘决大公开

图(3)
《西电》86A靓声秘决大公开
图(4)
《西电》86A靓声秘决大公开
图(5)
《西电》86A靓声秘决大公开
图(6)

 在1950年或以前的 “牛交连”interstage transformer,包括RCA、Thordarson、Auditorium、 Klangflim在30年时代,是大部份採用电容阻隔直流的交连牛电路;很多时交连牛直接带直流工作时会缩窄频宽的阔度,当有了电容阻隔直流,可减少交连牛的直流磁饱和,不过这电容又会影响整组电路的音色。
  西电86A的特色是将电容放在线圈的阴极回路处图(7);不像其他厂家将电容放在推动胆的屏极处;因此《西电》就避免了一定程度的电容漏电的影响,还有起了自给回输的电路,可减少部份谐波失真;也是比较其他厂家来讲,《西电》可算是 “醒目”得多了。还有,这交连牛除了有2.4倍的电压放大之外;另一大任务是提供两支推挽300B的上/下波分相之用。论到音色与 “分相”的平衡度和可靠性是优于一般常用的胆 “分相”电路。 每声道的86A祇有单一支三极管262A作推动之用,大大避免因胆的误差与平衡的时间误差,分相的责任就落在 “牛”的身上了。这机的输出牛166A是6k比8 ohm和16 ohm。
零栅压:
  在现今我们常见的后级,功率管无论300B、2A3、EL34、KT-88、211、845……等,也是无独有偶的採用 “负栅压”处理,因为很容易调校功率管的个别静态直流的轻微误差、是方便的、亦是易配对match胆,也大大减少功率管的阴极电阻的功率量;“负栅压”处理方式就对声音带来一定负面的影响。但 “86A”却一意孤行的用巨型阴极电阻来调校300B的电流,看图(6)透气网的就是电阻房间,是有一定的热量。不过因为有了负栅压来控制功率管的工作点,相比 “零栅压”或 “正栅压”来讲;若撇开理论而转向用家角度来说, 30W以下的细功率常称为「黄金瓦数」;常说大功率机的音色是不及细功率机!原因?往往 “负栅压”的手法多落在大功率机的身上,因为容易控制和调校功率管的电流;而细功率机的电流与热量通常是较低,对于调偏压的要求不算太高。若单以 “负栅压”这点来讲,就多常造就了细功率机的好声其中原因之一。但现今的趋势为了易调校偏压,往往无谕大功率或细功率机都设有 “负栅压”的调校,甚至连单端机的2A3、300B……等三数瓦功率的机也多了“偏压”bias这设备,给用家「左调、右调」的乐趣。

  笔者深入少许的解释这代表性的西电线路,可能对初学者的理解上是有一定的困难;但先有初步接触的印象,亦有助读者成为日后深入研究基础的踏脚石。
  凡讲到设计的理论,在同一线路图上可引出不同论点,例如:负回输、负栅压、电容数值、“牛”的放大倍数……等,众说纷云,祇不过是不同人将注视的焦点放在某一理据上,又可能忽略其他更重要的论点;而产生了不同主观的见解,问题就是必须了解自己 “所需”或“所好”就可以了。

  《西电》91与《西电》86比试的战局,不是每人都有福气临场列席,但其结果?竟会是推挽机86音色更为浓郁,感情更加丰富,在古典与人声两项目上,86以这种有文化涵养的表现佔了上风,所以能有以上优美音色不一定是单端机独步天下,推挽机86A也有难以置信的迷人魅力,靓声原因当然不得不提的是 “交连推动牛”、零栅压在300B输入端、极品级的靓声牛166A、264C、261B也佔一定的功绩、线路设计这点也不应忽略呢?按这线路设计,交连牛可隔离VT3 “262A”的直流电压,理应“交连牛”的次级绵圈(即两支300B的栅极输入处是“零直流”的),但要视乎C11 1uF的电容漏电情况!这两支300B是并联的灯丝,亦即300B的阴极处在电源牛5V灯丝供电的绕组处 “中间抽头”CT。接上一组阴极电阻60 ohm + 510 ohm接地。
交流灯丝:
  以交流灯丝供电是最好声的灯丝接法,但处理 “hum”声的问题上是有一定困难,当我们细心察看时,是发觉这两支直热三极管300B是没有hum balance的,那麽!如何处理 “hum”声的问题?就是两支串联的电容8uF “C10”和“C13”在巨大串联的阴极电阻60 ohm+510 ohm的串联点引回直流高压处,看图(6)透气网的就是电阻房间,组成灯丝“落地”的回路。另外栅极的 “接地”法,又即“交连牛”的次级“抽头”,经一支25k电阻R12串联着“C11” 1uF电容作阴极与栅极的回输。而R13的25k是与R12组成的分流电阻,是作C11的电容接地和限制回输量,这推电容、电阻的元件正好巧妙的构成栅极接地、灯丝接地、自级回输这三方面合一的电路。

量度电流錶:
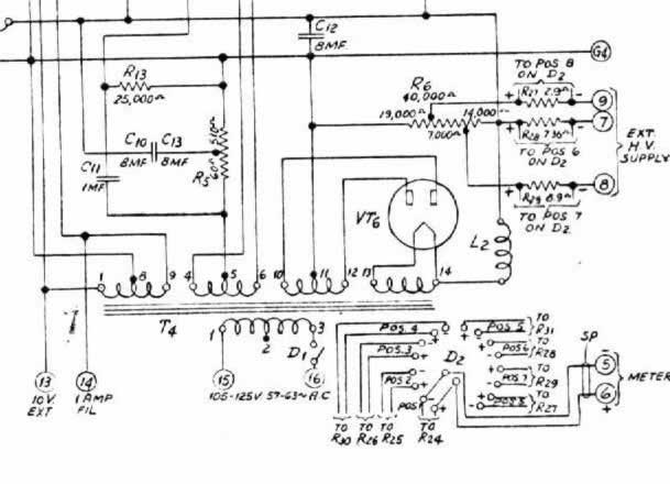
  86A全机是没有偏压调校,祇有在Meter接线位外接电流仪錶监察每支胆的电流工作情况。在有限电流量度范围的仪錶要测量每支胆的屏极电流,祇有在胆的屏极电阻处串联多一颗的电阻作参考电流的数值,因此,可在300B的 “输出牛”初级线圈处串联了0.424 ohm。在VT1、VT2、VT3这三支262A均有串联了19.25 ohm的电阻。而这些电阻是要准确和高信赖的要求,西电厂就祇有自行绕製的电阻,日本仔称之为“丸球电阻” 图(8);就是用相当昂贵的合金线电阻,这种线电阻是採用多种比铜更高内阻值的金属溷合而成,按不同粗度线径和线的长度决定所需绕製的电阻值,数值是相当之准确;所以可造出19.25 ohm或0.424 ohm那样的精确。 说来60多年前造电阻科技可叫今日我们的发烧友讚叹!而这些电阻因为是金属线,不易变值、温度系数极佳、而且可自行决定阻值、还可以用“銲锡线”銲接 (钨丝不能銲锡)。

《西电》86A靓声秘决大公开
图(7)

《西电》86A靓声秘决大公开
图(8)

《西电》86A靓声秘决大公开
图(9)

《西电》86A靓声秘决大公开

图(10)

电源供应:
  这高压供电是使用西电274A(特性等同274B),祇因胆的脚座类型有别;亦与5U4接近特性,这300B的屏电压是DC 480V至500V之间,但电牛是两组交流AC 580至600V,中间“抽头” CT接地。若以一般的整流方式来计AC 600V经整流胆274A出来的直流经滤波电容再用扼流圈choke平滑电源,电压应是DC 620至650V左右,300B顶得住吗? 
  其实!昔日的专业器材的设计是实际兼耐用的,当然一切都在他们计算与掌握之内,而且还顾及好声的要求,尤其是《西电》所设计,往往是超越一般的厂家。他们不用电源滤波AC filter,又要达到净化电源的质素兼附合好声条件 ,图(9),就是提高电源牛高压供电的电压绕组 AC 580V x2,在整流之后直接经过 2H的扼流圈choke,而在choke之前不加设电容;滤波电容祇出现在choke之后。这情况当整流出来的断截波直流,带有杂波和电源noise,经通过choke同时一同被消耗,当然亦消耗了一部份电功率,此时在100 ~120mA电流时,祗得 DC 480V有效电压。 (责任编辑:admin)
织梦二维码生成器
顶一下
(2)
100%
踩一下
(0)
0%
------分隔线----------------------------
发表评论
请自觉遵守互联网相关的政策法规,严禁发布色情、暴力、反动的言论。
评价:
表情:
用户名: 验证码:点击我更换图片
栏目列表
推荐内容