最好的电子音响科技diy制作网站

haoDIY_音响电子电脑科技DIY小制作发明

当前位置: 主页 > 音响DIY > 胆机DIY > 前级DIY >

仿制Matisse Reference电子管胆前级

时间:2012-08-28 21:11来源:未知 作者:admin 点击:
仿制电子管前级,当然要选择一些公认为靓声的前级线路,如Marantz7AudioResearchSp-11JadisJp80等等。因为这些线路比较经典可以保证靓声,只在于制作者对声音的要求而已。制作的简易程度也为一重要因素。Marantz7是发烧友入门一定仿制的,AudioResearchSp11现
仿制电子管前级,当然要选择一些公认为靓声的前级线路,如Marantz 7  Audio Research Sp-11 Jadis Jp80等等。因为这些线路比较经典可以保证靓声,只在于制作者对声音的要求而已。制作的简易程度也为一重要因素。Marantz 7是发烧友入门一定仿制的,Audio Research Sp11现又比较复杂,如果能买到某些厂家的仿制线路版,进行仿制未尝不可。

仿制Matisse Reference电子管胆前级

仿制Matisse Reference电子管胆前级

仿制Matisse Reference电子管胆前级



    Matisse若是在几年前问我是什么,我的答案只有一个,是现代艺术中野兽派先驱 Henri Matisse 。但是我在广州白天鹅音响展见到Matisse Reference前级后,如今若有人问Matisse,一时也不知回答是法国画家还是这部超级制作的前级。

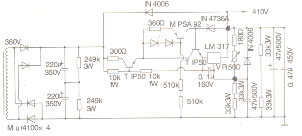
    Matisse Reference前级采用分体式结构,电源供应部分我曾经认为是后级放大器。供电部分使用LM317和TIP50晶体管作电压调节器,设有过流和短路保护。 Matisse Reference前级电源共有四个电源稳压器,每一个负责每声道每一级放大,它使用6个450V220u高压电容,两个变压器,一个350W作主电力供电,一个20W变压器是在关机后作为电子管灯丝用(让胆管灯丝工作于长煲状态)。Referece的主线路设计简单,稳压部分则非常精良能提拱一流分析力与此不无关系。土炮自作制作此机时,应注意这部分的设计及零件使用的问题。稳定的电源供应是本制作的重点目标。

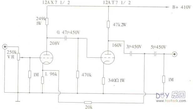
    Referece前置放大共用四个电子管分别是ECC83及12AT7各两只,由于今次仿制是线路放大,所以唱机放大欠缺。线路很适合自作派的发烧制作,线路设计简单,只是利用ECC83及12AT7进行两级放大,相信是认为12AT7高频性能好,输出阻抗较低,输出电流比较大,得到更强的负反馈利用大数值的输出耦合电容,得到更强的动态及低频响应。原设计者混合了两只电子管的性,调校经典的声音。线路没有什么特殊,比多了一级缓冲器的Marantz 7 线路简单。但是它的电压取值较高至415V。
 
仿制Matisse Reference电子管胆前级
 仿制Matisse Reference电子管胆前级

   
 
   制作: 

    主线路放大部分零件选择方面,原厂使用Wima电容及Holco贵价电阻,发烧友可在市面上购买得到,但与厂方使用的一定有所差异,如要百分之百原厂声音,何必自已制作呢,买一部原厂机不是更好吗?但是在调试时最好按原厂机进行调试,然后再根据自已的要求进行调整。名机的临摹是以名机作字帖,临摹者练习运笔去培养自已的胆艺风格,大家将会看到,每位临摹者的风格和胆艺修养,在相同线路下会有截然不同的风格,还令音响效果耳目一新。

零件选择:

    我的制作土炮思想是尽量使用和原厂相同的元件,线路放大上的电阻上我采用HOLCO电阻。在胆机上使用电阻要注意到热噪声问题,本来电子管的热噪声问题在前级上显得十分明显,如果电阻的噪声很大,再加上线路放大的作用就对其信噪比有影响。电阻应选用噪声较低的金属膜电阻。虽然它不承载功率部分,但最好还是选用一些功率较大的,例如1/2W或者更大的电阻。因为功率较大的电阻往往受温度影响的噪音系数较低。电源上的电阻就用普通的电阻是因为成本问题,待这台机稳定后再换上HOLCO电阻。耦合电容就用WIMA电容,价格便宜声音也不差。至于电源用的电解电容,我采用ROE电容。因原机采用ROE电容。金黄色的外壳令人感到高贵。


 
 仿制Matisse Reference电子管胆前级
仿制Matisse Reference电子管胆前级
仿制Matisse Reference电子管胆前级

 

      {上图是原机的元件布局图}

  各位可以根据上图制作自己的Matisse前级。

    本机的电源稳压是用电路板制作的,原机有四个电源稳压器分别电给各级放大,由于我只用线路放大,所以用了两个电源稳压器其布局完全按原机制作{注:IN4736是6.3V的稳压管}。这里就不多说了。(不知用胆管作稳压是什么样的声音呢?)原机电源的电容容量是220U*3达660U,但是我在实际使用中发现有220U的容量已经足够,在Trio Dual 100Mhz示波器上测到噪声电压已经很低 。再加上本机的电源稳压,我使用示波器只能看到在高频处有点噪声估计是热噪声和高频噪声。{仍然想进一步减低其噪声,方法1:加阻流圈。方法2:用电源噪声滤波器。但由于我的机壳影响只能这样了,想进只能是以后的事情了}.

    我用搭棚的方式制作这台极品前级,采用了搭焊架搭焊耦合电容和大功率电阻,部分电阻焊接在管脚上和搭焊架上。这方法可减少零件间的互相干扰而不失搭棚的优点。在布线上要注意到地线 灯丝电源线 高压电源线的布局,在搭焊过程中发现其影响很大,在调试中最好用示波器.毫伏表进行调试,在布线时改变时可以明白地看到它的噪声电压变化,从而使你改变布线的布局使你的机子更加靓声。我在布线时足足用了十多天才找到一个目前比较满意的布局。  

    电子管我在调试布线时用的是一般的管子,12AT7用的是北京的,12AX7用的是北京的6N4。在试音时听起来这台机的声音都比我仿制的M-7好点,主要是在高低频上有极大的区别,M-7唯一的优胜之处是中频人声厚润和弦乐醇厚,但分析力和动态末达到我的要求,就 LS-3/5A一样,唯一能吸引人的只是无拟伦比的中频。 Matisse前级的动态和分析力都比M-7优胜。但和M-7比起来中频就差一点了。鱼与熊不可兼得可能就是这么解啦!就这样我就用国产的电子管煲机,每天下班后在家听音乐和长期不关机的条件下,经过二十多天的煲机,它的表现越来越好了。不过仍然感觉到新机的生硬和粗糙的感觉。但现在它已经表现出大家风范. 动态. 音场 .3D感一点点出来了。一直到本机的电源和线路放大稳定后,我才进行胆管的调换,来寻找我心目中的乌托邦。

    从各种讯息得知最好的12AT7是Telefunken Ge Mullard的胆。Telefunken胆声音胜在各方面都平衡。GE的动态. 音场 .3D感属于一流。Mullard的胆是最有胆味的胆,人声厚润,低频落得深沉,弹力和动态丰富,音色味至浓。我的手头上只有美国GE的12AT7.俄罗斯的Svlvania的12AT7 欧洲 FUNKWERK 12AT7..等等。我将各种12AT7胆换上我的前级上,果然GE的12AT7动态和分析力确实一流,但是此胆唯一的缺点是音色有点粗糙的感觉。俄罗斯的Svlvania的12AT7和欧洲 FUNKWERK 12AT7不值一提但都比国产的好。我现在只想找到Mullard和Telefunken的胆来比较才决定用什么胆。现在只好用GE的12AT7胆了......。ECC83一个贵价胆,无论是Telefunken Ge Mullard...都比其它型号的胆贵故手头上只有美国GE.日本松下.欧洲TESLA三只胆,看到上面的胆已经知道我选用什么胆了,对了就是美国GE的ECC83。Mullard和Telefunken的胆希望能在近期能找到好一点的胆,没办法在这里听一下它的效果真是遗憾,等我以后找到后一定要试一试的。

    在换完胆后变得讯速无比和动态凌厉,很难使人相信是胆前级的声音,但是圆润而甜美的中频,却是胆机的个性。但这样的音色是我不喜欢的,由于胆的限制只能在耦合电容上动手了。我将第一级的0.47u Wima 电容换为Sprague Vitamin Q 0.33u[手头上只有这么大的容量待日后去广州市购买再换],换了电容后觉得声音有很大的变化主要是在中高频处,高频没有以前利的感觉,中频变得更加甜美。Vitamin Q电容它提供的音乐感是很多名牌货所没有的,它的动感和音乐味是我用过的电容中最好的一种。我手头上有几个50年代的Sprague方块电容,是我从军用仪器拆下来的,声音比Vitamin Q电容更好但由于机箱原因所以没用上。它的声音我听过比Vitamin Q要好。

仿制Matisse Reference电子管胆前级

 
 

    我的电位器是用24位的波段开关焊制的,电阻是国产的RJJ电阻质量相当好。开关是美军的仪器用上的Janco波段开关,质量相当好,触点是镀金的但是体形比较大。(这可从上面的图片可看到)使用中在调节音量时有“嗒嗒”的噪声,但没办法谁叫我没有钱买原机的ELMA的电位器(两千多大元一个),将就使用吧!输入选择开关是用拆机的,非常好用。

仿制Matisse Reference电子管胆前级
仿制Matisse Reference电子管胆前级
 
 

   由于这台机是我在98年做的,许多细节都忘记了。现在只能写这么多了。关于听感如何只能说Matisse的分析力.动态. 音场都属一流。具体的只能靠各位去感受了。在网络上有很多关于Matisse的评述,请看下文。

    近日刚刚好收到一位朋友送的Telefunken的ECC801S和ECC803S(此管贵得没人性),在此万分多谢这位北京的杨兄。希望有哪位朋友知道何处有Mullard的NOS胆有原装合的,请E-Mail给我,谢谢!收到后第一时间要和Telefunken的胆进行比较。现在正在调试Telefunken的胆,调试好将第一时间将其和各位分享,敬请留意本站的最新消息。 (责任编辑:admin)
织梦二维码生成器
顶一下
(2)
100%
踩一下
(0)
0%
------分隔线----------------------------
发表评论
请自觉遵守互联网相关的政策法规,严禁发布色情、暴力、反动的言论。
评价:
表情:
用户名: 验证码:点击我更换图片
栏目列表
推荐内容