最好的电子音响科技diy制作网站

haoDIY_音响电子电脑科技DIY小制作发明

当前位置: 主页 > 音响DIY > 胆机DIY > 前级DIY >

潛質無限.摩之不盡~DYNACO PAS前級

时间:2012-08-31 10:47来源:未知 作者:admin 点击:
相信心水清的讀者還有印象,筆者於本刊二月號曾專題論及DYNACOST-70後級可提升幾班之拙作,ST-70經改良手術後大大釋放所蘊藏的潛質,它能在聲音質素表現上超越馬蘭士8B並非難事;自此引來不少發燒友對DYNACO感興趣的迴響;無他!事實上DYNACO於60年至80年間以
相信心水清的讀者還有印象,筆者於本刊二月號曾專題論及DYNACO ST-70後級可提升幾班之拙作,ST-70經改良手術後大大釋放所蘊藏的潛質,它能在聲音質素表現上超越馬蘭士8B並非難事;自此引來不少發燒友對DYNACO感興趣的迴響;無他!事實上DYNACO於60年至80年間以套件形式出產的前級、後級、收音接收器的數量之多,是前無古人,後無來者;而它們在用家手上服役的可算多得不可計其數,又因DYNACO所出品的各類機種都是以「平民化」的價錢出售,若相比馬蘭士,麥景圖或飛燕牌…..等名器系列來講,DYNACO就可算是較易踏足成為「膽機發燒友」的主要門檻,因而DYNACO廠擁有的客戶在市場的佔有率;就足以在美國雄霸整個『簾價套件』膽機的市場,既然用家多,當然惹來對DYNACO各型號關注的目光也相應是多的。而且還可無須顧慮名牌的炒賣價值;而可大改特玩,總之就是痛快至極! 而PAS前級系列,正是最佳例子。 
  圖(1)PAS-2和PAS-3的內部用料和線路是完全相同,不同之處是正面的面板和旋扭制外觀而已。PAS-2是用膠旋扭和薄銅片面板;而PAS-3是用鋁質的面板和鋁質旋扭,廠家的原意是提供兩個不同外觀的機種給客戶有個別喜好的決定,本文就將這兩部前級統稱為 “PAS”好了!
  這古董PAS前級常被稱為「平民的Matisse」,在60年時代,美國的零售價是$59-US;現今的二手價約是三仟多元,單是以拆散零件計算也值回機價,所以若撇開廠機二手炒賣價值這因素,而將注視點放在「買散料」或「套件」的心態上,改機的寬度和自由空間就得大大的提高,放膽 “玩到盡”,當然是痛快淋漓!

圖(1)
潛質無限.摩之不盡~DYNACO PAS前級 

圖(2)
潛質無限.摩之不盡~DYNACO PAS前級 

圖(3)
潛質無限.摩之不盡~DYNACO PAS前級 

線路分析:
  圖(2)古董前級的線路,最大主流是馬蘭士7和DYNACO“PAS”;簡單講就是分 “三級膽”和 “兩級膽”的結構,其後各廠家按著不同的演變而成個別特色的典型代表機種,Matisse“Reference”前級主要線路結構與DANACO "PAS"同是兩級式放大,不同之處理是Matisse是用一支12AX7和一支12AT7;而DYNACO兩支都是12AX7,其他不同的處理是電源和音量控制部份。「摩」改DYNACO PAS前級除了不計較二手出讓價值之外,更重要的是線路結構簡單,而且古董機的PAS前級所採用的電源牛,濾波電容,音量控制器Volume,輸入和輸出的RCA插座…都是先天優勢的好聲材料,即使站在 “土砲”的立場看,也不易一次過集齊這麼多的好聲料。為何PAS前級是先天性的「鬆、郁、朦」呢?筆者歸納出以下幾點的個人見解可作參考。
(一) 因DYNACO廠是以平價套件方式消售,所選用的交連電容是較低班的料。
(二) 老派的線路數值,例如兩支12AX7的屏流和供電電壓的比較低所以訊態反應較慢。
(三) 音調控制Tone control和響度補償Loudness部份,勻是朦聲的主要罪魁禍首。圖(3)是來自一美國的發燒友,這PAS-3已經在美國經大""王曾施展渾身解數之後,機主再將這前級寄到筆者手上。包括電源線插座連濾波,Sprague “橙汁”電容,CDE “啡色魔鬼”電容。眼見已出齊法寶,為何仍未滿足機主的要求?祇因這 大""王祇施展了第一重法力,就是為交連電容升了級,而其餘兩項更重要的手術,卻仍未施展;未玩盡PAS是意料中之事。
  另一點是原本隨機而來的電源線聲音是很有韻味的,可算是上品,理應保留是為上策,還有的是為了安裝電源插座而強行破壞機殼是不明智之舉,再者帶有電鍍鎳的電源插座已是對聲音打了折扣,兼且附有電源濾波的元件,對聲音的平衡和自然度也有所被壞圖(4),當棄之!
  從機頂看左邊的線路板是唱盤放大,右邊的是十倍份放大Line Amp,若單祇是用CD的話,左邊的唱盤放大部份可以不理。要注意的是應保留的要保留,例如:音量控制器,濾波電容、電源線、RCA輸入或輸出插座,輸入選擇制…等。不要胡亂將它全面「現代化」。若依照筆者上述所提供的三項「摩」法行事,相信這PAS-3連升十級,可直接挑戰三萬元以上的各廠機。圖(5)是原裝的Line Amp底板,圖(6)是已改良的底板。

圖(4)
潛質無限.摩之不盡~DYNACO PAS前級 

圖(5)
潛質無限.摩之不盡~DYNACO PAS前級 

圖(6)
潛質無限.摩之不盡~DYNACO PAS前級 

先抽離音調控制:
  圖(7)機底看,銲點編號3、4、5、6、10、11、12、13、15、17等,一次銲離接線和電容腳。記著1是地線、2和9是放大的入端,這三點要保留。當然抽離Tone Control時順帶將Loudness和hi filter、 stereo/mono的調制一同廢掉。這Loudness設備的工作原理,是從volume調制的抽頭部份串聯著4.7k電阻和0.1u電容,在關閉這Loudness時祇是將0.1u電容短路;但實際電路的情況,這4.7k電阻仍然是並聯著volume調制的抽頭接點與 “地”之間,若在啟用Loudness制時,這串聯電阻和電容是將中音與高音頻段大幅度衰減,因而明顯在聽覺上感到低頻特別豐厚;換句話講這Loudness設備,無論開啟或是關閉都是聲音帶來很大負面的影響,祇能將這串聯的電容和電阻拆掉,聲音才得「重見天日」。

Stereo/mono的調制是很容易廢去的,祇要將輸入選擇引來的兩條電線直接銲到平衡制balance的兩點就可以了。當我們抽起音調控制的線時,也可同時將線路板上的電容拆掉包括:4粒0.0075u、2粒0.004、2粒33pf、2粒1800pf電容。既然電容已拆掉,也可同時清理已作廢的電阻,是可減少零件的互相感應干擾,所有零件去蕪存青 圖(7a) 。



圖(7)
潛質無限.摩之不盡~DYNACO PAS前級 

圖(7a)
潛質無限.摩之不盡~DYNACO PAS前級 

圖(8)
潛質無限.摩之不盡~DYNACO PAS前級 

改屏極電阻:
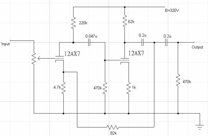
  看圖(8)和圖(8a),以單一聲道看,第一級的屏極電阻是470k 改為220k、第二級的屏阻100k改為62k,因PAS是古老的設計數值。以 “屏電流”處理來看是有點較老舊的傾向,若將這兩級電阻稍為更改,聲音的結像與動感都可得以改善。
改交連電容:
  因這“PAS”前級是平價的套件機種,用料當然是張貨就價,所用的 Pyramid或 black cat都是較低分析力古董電容,當然雖要更換!
  圖(8a)是簡單化的Line Amp圖,第一級至第二級放大的交連電容是 0.02u,可更換 0.047換或 0.1u,甚至用 0.25u也不算大問題,數值祇是口味的選擇。現在筆者手上有的英國古老電容是Hunts(不漏電的)。而第二級輸出電容同是用Hunts 0.25u 250v,英國Hunts電容若在健康不漏電狀態時聲音相當細緻和充滿音樂感,音色是很迷人的。我們發覺輸出電容是有兩級串聯的,是因負回輸電阻82k從第一級放大的陰極處引出 1-2v的直流電壓到輸出端,因此在輸出多設一阻隔直流的電容,這最後輸出的電容可用耐壓 200v以下,已足夠。

潛質無限.摩之不盡~DYNACO PAS前級

圖(8a)
 
潛質無限.摩之不盡~DYNACO PAS前級
圖(9)
 

負回輸電阻:
  這原放大電路的音調控制Tone control是以負回輸式作音調頻率的衰減,當我們抽離音調控制的一大堆元件後,需以一支固定電阻 62k-82k(自由決定)作負回輸,可直接銲到線路版的底部,看圖(7)。
燈絲電壓:
  這前級的直流燈絲供電是以整流硒和兩支串聯的 2000u電容作倍壓整流,電源牛燈絲電壓是10v,當倍壓整流後就可得 22v至 24v直流,可供Line和 Phono各別的兩支 12AX7串聯燈絲之用。很多時這類 “硒”燈絲整流,往往都是因衰老或先天效率低,而令至燈絲電壓嚴重不足,因燈絲整流的元件對聲音不是直接影響,反而重視足夠的電壓和電流令放大管工作更穩定。
  這PAS前級有時量度燈絲電壓低於15V,若分別量度單一支 12AX7 的 4和 5腳,就只有 7.5v的直流電壓(12AX7是用12v燈絲電壓),在這不足燈絲供電的情況下,怎會有好聲的僥倖?若找不到原裝的“硒”可用兩支“矽”質二極管代替圖(9);況且燈絲整流著重電壓供應充足多於物料性質的分別。
  假如唱盤放大部份暫時未使用的話,可將這兩支12AX7除下,因此Line Amp部份就可提供更充裕的電源供應,對於單是使用CD者更有利。若拔除phono這兩支膽時,Line Amp可能會有較大的噪聲,原因是Line Amp和phono是使用共同一組燈絲供電;而燈絲是靠phono兩支 12AX7的串聯點接地,所以為了解決燈絲接地的噪聲問題,可在燈絲整流部份其中一點加上 0.1u或 0.2u電容;電容的另一點是銲螺絲柱的接點便可。
  最後一提的是,移除封密式的面蓋,除了對散熱效能有利之外,更會對聲音的通透度和開揚度有很大的改進,又或可訂製透氣的網蓋代替原有的面蓋。 

  有了價簾物美又靚聲的「升級版後級ST-70」後,理應匹配出自同門的前級,就是非 PAS-2 或 PAS-3莫屬了!若未經「蛻變」的DYNACO前級或後級,雖是「門當戶對」是最為合襯。畢竟!「朦機」配「悶機」總不能擦出耀眼的火花,如何將這暗淡無光的PAS-2或PAS-3搖身一變成為「一登龍門,升價十倍」的Hi-End等級的前級,正是本文的主旨所在。



(责任编辑:admin)
织梦二维码生成器
顶一下
(1)
50%
踩一下
(1)
50%
------分隔线----------------------------
发表评论
请自觉遵守互联网相关的政策法规,严禁发布色情、暴力、反动的言论。
评价:
表情:
用户名: 验证码:点击我更换图片
栏目列表
推荐内容