最好的电子音响科技diy制作网站

haoDIY_音响电子电脑科技DIY小制作发明

当前位置: 主页 > 音响DIY > 胆机DIY > 前级DIY >

再焊12ax7+6dj8(6n11)电子管胆机唱放唱头放大器,成功(2)

时间:2013-05-02 08:36来源:www.crystalradio.cn 作者:晓亮 点击:
8.输入1V/1000Hz方波的输出波形,放大约125倍 9.SRPP换为12AU7后,放大约100倍 10.第一级放大约20倍 11.底噪波形,已经很小了,此值不等同用毫伏表测得值,仅供参考 电源部分 唱放部分

8.输入1V/1000Hz方波的输出波形,放大约125倍
再焊12ax7+6dj8(6n11)电子管胆机唱放唱头放大器,成功
9.SRPP换为12AU7后,放大约100倍
再焊12ax7+6dj8(6n11)电子管胆机唱放唱头放大器,成功
10.第一级放大约20倍
再焊12ax7+6dj8(6n11)电子管胆机唱放唱头放大器,成功
11.底噪波形,已经很小了,此值不等同用毫伏表测得值,仅供参考
再焊12ax7+6dj8(6n11)电子管胆机唱放唱头放大器,成功


电源部分
再焊12ax7+6dj8(6n11)电子管胆机唱放唱头放大器,成功 
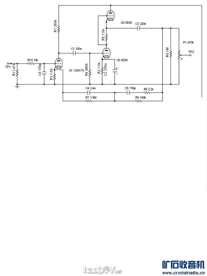
唱放部分
再焊12ax7+6dj8(6n11)电子管胆机唱放唱头放大器,成功


(责任编辑:admin)
织梦二维码生成器
顶一下
(1)
50%
踩一下
(1)
50%
------分隔线----------------------------
发表评论
请自觉遵守互联网相关的政策法规,严禁发布色情、暴力、反动的言论。
评价:
表情:
用户名: 验证码:点击我更换图片
栏目列表
推荐内容