|
多年心愿 一朝实践 笔者在测试电子滤波网络、放大器、电声器材等的频率响应特性时,受测试条件的限制,往往只能采用点频法描绘特性曲线,在调整电路元器件和参数后,还得从头重新描点,既繁琐费时又不直观,而且可能因取点数不够或安排不合理而漏掉某些细节。多年来就想组装一台多功能的函数扫频信号发生器,平时也注意收集这方面的资料、专用的集成电路及有关的元器件,今朝终于付诸实践,经过反复试制,不断改进,制作了一台函数扫频信号发生器,能产生0.1Hz~170kHz的正弦波、三角波、方波信号,可手动调节频率,也可由机内信号进行线性或对数扫频,扫频范围连续可变,扫频的上、下限频率可任意设定,具有频率标志,仪器附有数字频率计,用来精确测量输出信号频率,还可单独作为100MHz的频率计使用。配合示波器能对电子电路的频率响应曲线进行直观显示,而且可以一边调整被测电路的有关元件和参数,一边观察波形曲线,从而得到预期的指标。同时本仪器还有功率输出,功能多,造价低廉,是爱好者必备的一台利器。 本仪器的方框图如图1所示。它由低频函数信号发生电路、扫描波形发生电路、数字频率计数电路、功放电路、电源电路等五个部分组成。现将几个部分的电路原理、分别介绍如下,供读者参考。 图1 仪器的方框图 电路原理
(一)低频函数信号发生电路 图2 低频函数信号发生电路 1.ICL8038的工作电源为10~30V 或±5~±15V。笔者经过试验,认为采用6脚接地,11脚接-15V,有利于减小输出的波形失真和增强抗干扰能力,并且易于调试。此时8脚的调频电压的范围在0~-4V之间。由于当调频电压接近于0V,-4V两个端点时,信号的线性度和失真度明显变差。为了在0.1Hz~170kHz整个频带内,获得最佳的信号波形,10脚的外接振荡电容CF要分成多挡以供选择(本电路为8挡),电容量要经试验后确定(尤其是20Hz~20kHz频带内的几挡电容),电容器质量的好坏直接影响频率的稳定性,所以要选用热稳定性好,损耗小的优质电容,如CBB、KMP、KMT等型号的电容器。同理,R3、R4、R5、R6 和R7等要选择精度高的金属膜电阻;方波占空比调节的微调电位器RP1、RP2和正弦波失真调整的微调电位器RP3、RP4要选择10圈精密微调电位器,并俩俩配合反复调节,可以达到最佳的效果。 2.为了工作在甚低频段,用一晶体管网络接在10脚上,产生约1A的补偿电流用以改善甚低频的波形对称性。 3.ICL8038的3脚的三角波经R11引出至数字频率计数电路,显示信号的频率值。 4.ICL8038的2、3、9脚输出的信号可单独输出,同时也可经开关S2选择、RP6调节、IC2(a)的跟随缓冲,输出幅度可调的信号,增强带负载能力。同时信号还经开关S3控制输出至功放电路供功率输出之用。 为了使ICL8038的潜力得到充分发挥,还需要一个优秀的扫描波形发生电路与之配合。
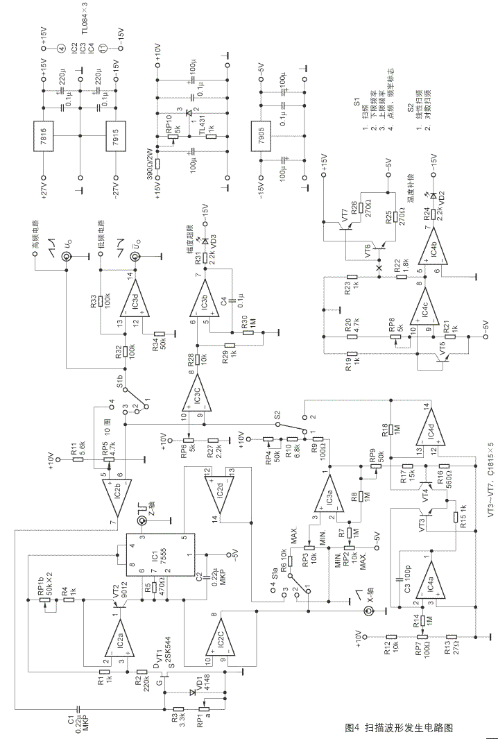
图3 扫描波形发生电路方框图 (二)扫描波形发生电路 一部扫频信号发生器总是离不开扫描波形发生电路。图3是扫描波形发生电路的方框图,电路见图4。 1.锯齿波振荡电路:IC1(ICM7555)、IC2a、 IC2c、IC2d、VT2、RP1b等构成线性锯齿波振荡电路。IC1被接成多谐振荡电路,IC2a、VT2、RP1b等组成一个压控恒流源向C2充电,从而保证了锯齿波的线性度,充电电流的大小由RP1b的阻值大小决定,也就是锯齿波的周期可由RP1b调节。IC1采用CMOS时基电路(ICM7555),这比采用双极型555电路可进一步提高锯齿波周期精度和稳定性。本电路的锯齿波周期可在25ms~2.0s之间进行调节,改变C2的容量,可调整周期范围,锯齿波的峰值电压为+5V。此锯齿波通过跟随器IC2c缓冲分两路输出,一路至示波器X轴输入,作为X轴的扫描电压,见图5。另一路经S1a开关的选择后,加至频率界限预设电路。IC1的3脚输出的脉冲可由示波器Z轴输入,作为消隐信号(有必要时),有时可能需要将此脉冲反相,或稍为调整其电平,以符合示波器的需求。IC1的5脚输出的+5V电压经IC2d缓冲输出,作为频率界限预设电路的扫频终止(上限)频率设置的基准电压。 2.频率界限预设电路:为了对输出的扫频信号(从低频率向高频率扫描)的上、下限频率实现预设置,由IC3a、RP2、RP3、S1a等组成该电路,其起始(下限)与终止(上限)频率分别由RP2、RP3预先设定好。当S1a置2挡时,相当于RP3被短路,此时,利用RP2去改变锯齿波的零电平,设定最低的扫描电压,从而决定起始时最低(下限)频率。当S1a置3挡时,RP3接+5V基准电压(锯齿波峰值电压也为+5V),调节RP3是调节锯齿波的峰值,设定最大扫描电压,即终止时最高(上限)频率。当S1a置1挡时,锯齿波信号经RP3滑臂输出与RP2调定的下限电压在IC3a中混合一起。IC3a为同相比例运放器:KF≈Uo/Ui≈1+R8/R7。其最大上限扫频电压的设置:+5V经R6与RP3分压为2.5V,经同相运放后:2.5V×2=5V,设置比+4V略大一些,保证得到正确无误的线性扫描电压,此电压经开关S2的1挡输出。RP4的作用是要在线性扫频时设定最低的驱动电平,约为+30mV。只有当S1置1挡时电路才有扫描信号(锯齿波)输出。 3.线性/对数扫描转换电路:本仪器除了提供线性扫描锯齿波外,还具有对数扫描。由 IC4a、IC4d、VT3、VT4和RP7等组成线性/对数扫描转换电路。晶体管的基极、发射极电压与集电极电流之间在十分宽广的范围内,如 10-9~10-3A约五个数量级的范围内,具有相当精确的对数关系。由于UT和IS是温度的函数,对数运算精度受温度的影响较大,因此本电路采取了几项措施进行温度补偿:一是根据差放电路概念利用参数相同的对管抵消温度对IS的影响;二是由IC4c、IC4b、VT5、VT6、VT7、RP8和VD2等组成的恒温(狭窄的温度范围)电路,进一步对温度进行补偿。VT3~VT7最好采用晶体管阵列IC,笔者一时没买到,而是采取了捆绑均温的方法解决,见图 6。VT3~VT7要配对,尤是VT3、VT4的配对误差要控制在1%以下。晶体管VT5被接成二极管型式,担任温度探头,灵敏度为-2mV/℃。当 VT5基极-发射极电压UBE,(IC4c的10脚)大于R21上的电压降(IC4c的9脚),两者电压差经IC4c放大,分两路输出,一路经IC4b驱动VD2点亮,另一路驱动电流源VT6和VT7导通,便有较大的电流流入VT6、VT7,使它们发热,那么捆绑在一起的VT3、VT4、VT5也一同被加热,很快达到均温状态,同时VT5的UBE按2mV/℃减小,随着温升,流过VT6和VT7电流便减小,以至完全截止(当UBE稍小于由RP8预设的 R21上的压降时),VD2熄灭。这样达到热平衡之目的,VT6和VT7上之损耗是用以使VT3和VT4的温度保持在狭窄的范围之内。C3用于相位补偿,保证闭环稳定性。IC4d的14脚输出的对数扫描电压经S2的2挡输出。
图5 输至X轴的扫描锯齿波
图6 捆绑均温的方法图示
图7 保持一小段时间的锯齿波
4.IC3c、IC3b、RP6和VD3等组成扫描电压幅度超限指示电路。IC3c的10脚(同相端)通过调节RP6预设一电压,比如+3.9V,线性或对数的扫描电压经S2选择输至IC3c的9脚(反相端)与预设电压进行比对,当9脚的电压超过10脚的预设电压(+3.9V)时,比较器IC3c反转,令脉冲延时器IC3b去驱动VD3导通发光。此电路是很有必要的,因为ICL8038的扫描电压接近两个端点时线性度和失真度变差,当扫描电压的绝对值大于+3.9V时,ICL8038停振。所以本电路利用RP4设定最低电压+30mV;RP6设定最大电压为+3.9V,超过时,VD3 点亮提醒调低上限电压。如是,使输出的扫频信号频率在有效的范围内变化。 5.点频与频率标志电路:IC2b、RP5、RP1a、VT1和C1等组成频率标志和点频调节电路。+10V电压经R11、RP5分压,RP5调节分两路输出:一路由S1b的4挡输出的直流电压经IC3d反相,然后送至ICL8038的8脚,作为手动调节输出信号频率的电压;另一路送至比较器IC2b的5 脚,与6脚的扫描电压相比对,如果6脚电压稍大于5脚时,7脚输出便转换到约-15V,这个脉冲的前沿经C1、R3、RP1a整形,然后使VT1导通,引致锯齿波得以保持一小段时间,直至脉冲结束为止,如图7所示。这样,当S1置1挡时在示波器屏幕上产生一条对应于RP1b滑臂上DC电平之频率的标志亮线。当S1置4挡时通过频率计数电路读出标志频率值。为了保证脉冲的持续时间对应于C2的充电周期(即亮线处于低频端与高频端时粗细大概一致),应将 RP1a按照充电周期作正比例的调节。图8、图9分别为带有标志频率的线性和对数扫描电压的波形;图10、图11分别是图8、图9的反相输出波形;图 12、图13分别是带有标志频率亮线的线性和对数的扫频信号波形。
图8 带频标的线性扫描电压
图9 带频标的对数扫描电压
图10 图8的反相输出扫描电压
图11 图9的反相输出的扫描电压
图12 带频标亮线的线性扫频信号
|






























