|
图13 带频标亮线的对数扫频信号
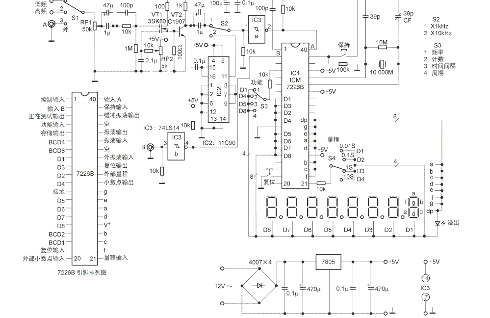
(三)数字频率计电路 图14 频率计电路 图中,VT1、VT2及IC3b等组成放大整形电路,作为A输入端的输入电路,VT1采用双栅场效应管3SK80,不但能提高输入阻抗,而且通过调节RP2,改变第2栅极的电压,可改变输入电压范围。VT2输出的信号分成两路,一路直接送至S2的1挡(×1),另一路经IC2(11C90)10分频后再送至S2的2挡(×10),经S2选择后再经 IC3a(74LS14/6)整形后送至IC1的40脚(A端)输入。IC1的2脚是B输入端,其输入的信号也经IC3b整形后再输入,B端口测试的最高频率为2.5MHz。当S1置3挡(外)时可测外部信号频率。 频率计数电路的调校主要是调整10MHz时基振荡器的频率,要选择精度高的10MHz的晶体。调校时,可用一台标准的频率计与本电路同测一信号源,开机20分钟后,微调CF,使本电路的频率显示与标准频率计显示的数值一致即可。 (责任编辑:admin) |

















