欢迎光临haoDIY - DIY制作从这里开始!

haoDIY创好电子音响电脑科技DIY小制作发明

当前位置: 主页 > 电子DIY > 综合DIY >
  • 制作数显电子点将、反应测试、多功能实验器 [综合DIY] 制作数显电子点将、反应测试、多功能实验器 日期:2013-01-14 10:46:52 点击:118 好评:0

    免费提供各种电子制作文章、资料、图纸...

  • 制作多用途超声波微型雾化器 [综合DIY] 制作多用途超声波微型雾化器 日期:2013-01-14 10:45:59 点击:247 好评:0

    免费提供各种电子制作文章、资料、图纸...

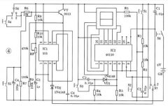
  • 制作高频振荡金属探测器制作 [综合DIY] 制作高频振荡金属探测器制作 日期:2013-01-14 10:45:40 点击:331 好评:0

    免费提供各种电子制作文章、资料、图纸...

  • diy手机信号指示器 [综合DIY] diy手机信号指示器 日期:2013-01-14 10:45:28 点击:224 好评:0

    免费提供各种电子制作文章、资料、图纸...

  • 为你的房间diy制作简易门铃 [综合DIY] 为你的房间diy制作简易门铃 日期:2012-12-29 19:20:04 点击:525 好评:0

    在我身边有一些喜好电子的网友和同学,想自己尝试做一些什么东西,却不知道该如何下手,或者说是很想学但有些畏怯,迟迟入不了门。 电子制作并不是什么很困难的事,关键就在于你是否肯动手,是否肯迈出第一步。你真正动手做了,才知道原来不会很难,只要有心...

  • 组装人体感应开关 [综合DIY] 组装人体感应开关 日期:2012-11-01 16:33:52 点击:835 好评:0

    网购一热释红外探头,组装了一人体感应开关。 每步都拍了照片,比较详细,相信大家都能看懂! 过程如下。。。。。 2012-8-7 21:32:25 上传 下载附件 (47.21 KB) 2012-8-7 21:32:27 上传 下载附件 (38.76 KB) 2012-8-7 21:32:28 上传 下载附件 (28.46 KB) 201...

  • 点亮的LED人 [综合DIY] 点亮的LED人 日期:2012-10-29 20:16:09 点击:722 好评:6

    点亮的LED人 --大哥哥 我再次用焦耳小偷电路来点亮一个LED 但这次的家伙是个大块头! 当然,我不能在这里使用电阻来做身体 所以我把铜线电缆绕成整体小人! 里面放小钮扣电池 2011-10-20 21:40:20 上传 下载附件 (25.95 KB) 2011-10-20 21:40:20 上传 下载附件...

  • 电子零件小制作|小摩托 [综合DIY] 电子零件小制作|小摩托 日期:2012-10-11 16:47:40 点击:1055 好评:76

    无聊的制作 调试电路时开了个小差弄了些元件做了个小玩意儿 2007年10月...

  • <b>数字显示白光烙铁</b> [综合DIY] 数字显示白光烙铁 日期:2012-10-11 16:14:59 点击:320 好评:2

    特点:1.升温快 2.休眠 系统自动识别936和T12 ,T1,T13 系列的手柄 按下编码器快捷切换4个常用温度,依次是A.B.C.D 手柄静止超时或不接手柄超时,焊台进入休眠,焊台停止加热 开机默认A档,临时温度调节即时生效无需保存 编码器调温时步进为1度,按键为5度 快...

  • 单相交流电机电子调速器电路 [综合DIY] 单相交流电机电子调速器电路 日期:2012-09-12 12:47:52 点击:328 好评:0

    用于220V单相交流电机的电子调速器,采用常见的双向可控硅调压方式调节交流电机的工作电压。 电路中的电感;电容C1、C3;电阻R2共同组成干扰抑制电路。 C1、C2=0.022微法 C3=100皮法 R1=10000欧姆 R2=62欧姆 W为470000欧姆电位器 2CTS为双向触发 二极管 3CTS...

栏目列表
推荐内容
织梦二维码生成器
广告位API接口通信错误,查看德得广告获取帮助
广告位API接口通信错误,查看德得广告获取帮助