TDA1521音响功放制作
时间:2012-09-28 16:52来源:未知 作者:admin 点击:
次
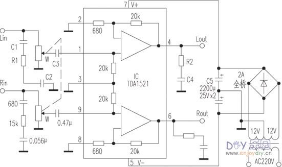
TDA1521是飞利浦公司特别为立体声电视伴音及立体声广播音频功放而设计的,应用在大屏幕彩电中可使其音响效果达到高保真的水平,输出功率可达6W2,总谐波失真系数0.3%,频率响应为20Hz~20kHz,该集成电路具有外接元器件少、偏置电压低、两路通道增益平衡性能
TDA1521是飞利浦公司特别为立体声电视伴音及立体声广播音频功放而设计的,应用在大屏幕彩电中可使其音响效果达到高保真的水平,输出功率可达6W×2,总谐波失真系数0.3%,频率响应为20Hz~20kHz,该集成电路具有外接元器件少、偏置电压低、两路通道增益平衡性能优良、不易被击穿及短路保护等特点,并在电源开关时有输入信号静音功能

1.采用+-双电源供电
当电源电压为±16V时,输出功率为12W×2,此时失真度仅为0.5%,并具有开/关机静噪功能。本电路装设有等响度补偿电路,用来改善小音量时高低音效果。W是带中心抽头的双联八脚电位器,与C1、R1、C2接成等响度控制电路。电路图见下图。
制作注意事项:1.TDA1521的散热片绝对不能接地,否则开机必损IC!应在IC与散热器间加云母片绝缘,并加适量导热硅脂,再将散热器接地。2.电位器W阻值为100kΩ,其外壳需接地。3.从滤波电容到IC的⑤、⑦脚间电源连线尽量短而粗,可在印板铜箔上堆一层锡。


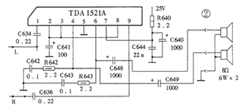
2.采用单电源供电
由图2可看出,它在此应用中是采用+22V单电源供电(OTL工作方式),电视伴音的R、L信号经C634、C636电容耦合到了TDA1521的①、⑨脚,进行功率放大,③脚电压等于电源电压的一半,即11V左右,故③脚经100μF电容交流接地,同时③脚与②、⑧脚相连,提供约11V的偏置电压,④、⑥脚外接隔直耦合电容C649、C648,容量在470~1000μF,影响低频响应特性,④、⑥脚串联电路R642、C642、R643、C643为RC幅频特性补偿电路,⑦脚外接的R640、C644为电源RC去耦滤波电路。
(责任编辑:admin) |
织梦二维码生成器
------分隔线----------------------------