|
从家庭放音实际需求出发,额定输出功率为10W,组成10WX2立体声功放,使用适当的音箱(灵敏度≥90dB)在普通房间中足以产生相当惊人的响度;另外,在这种功率电平上尚适合采用甲类工作,由于不存在交越失真和开关失真,谐波失真又以偶次谐波为主,便于用简单的电路取得良好的音质,这就是Hood功放的设计指导思想。----摘自陆全根《威廉逊功放和Hood功放赏析》 最近弄了一台Hood1969,特意拿出来和大家交流一下,祈求共同进步 以图代话:
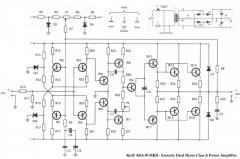
电路图如下:
管子采用A970+C3421+MJ15003.无稳压,滤波用到47000U每声道,牛用20V,有点小,直流出来24V多。正考虑定做一个大一点的。但现在的机子非常宁静,开关机也未见很大的冲击,所以不用保护延时电路。 电流设定1.2A,Vc=24V,中点电压11.7V,比1/2Vc稍小,懒得调了,开机一两小时后温度60度以内,比较温暖。
转载:假设音箱阻抗是8欧。按原电路设计值:I0=1.2A,要保证工作在甲类放大,流过负载的峰值电流就是2.4A,峰值电压就是U0=I0*R=2.4*8=19.2(V),加上功率管的饱和压降,取1V,则电源电压至少应该要有+-20V,即单电源40V.此时,输出的最大甲类功率是多少呢?P=U0^2/2R=19.2^2/16=23W.那么,27V电压最多能输出多大的甲类功率?算法一样,忽略管压降,13.5^2/2*8=11.39W,但要输出11.39W的甲类放大功率,就要保证静态电流不小于I0=13.5/2*8=0.84A.可以取0.9或者1A, (责任编辑:admin) |


以图代话:























