|
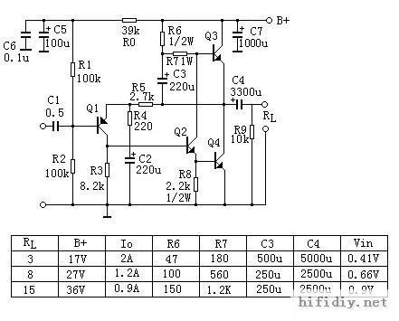
在坛上逛多了,看到小甲1969一直很火,有开板的,有套件的,还有要整机的,偶也对它产生兴趣,但看多了,发现制作一台的成本并不低,功率却只有3-10瓦,感觉性价比低,不值得。好几次想下手购套件都最终放弃,原因很简单,配套难,代价高。难道就没有办法降低成本了吗?先分析成本构成,pcb板+板上原件+板外原件(输入输出端子、电位器等)+散热片(据说每声道不低于4kg)+优质环牛(100-150w)+电源组件+大水塘+机箱+人工费。简单匡算一下接近千元,DIY的精神就是以最低的价格获得最佳的效果,按此制作不符合DIY的目的,只能另辟蹊径,既要低成本,又要得到1969的效果,怎么办。通过几个不眠之夜,终于找到了解决的办法,并动手制作了一个声道,结果令我感到惊讶,我的设想竟完全呈现,使我又是一夜未眠,第二天就动手制作双声道的整机,再过一天,整机制作完毕。听了几张碟,效果出奇的好,今天总算收工了,看着自己的杰作兴奋不已,于是这不,坛上汇报来了,希望一直对1969情有独钟的坛友们很快就拥有属于自己的百元超级制作————小甲1969,可以作电脑功放,也可以放在客厅里欣赏高品质的音乐。1969--2009,四十年了,梦应该实现了。喜欢重金打造宝贝的人就不要往下看了,因为你看了我的整机,你会觉得好笑的,但她的音质是绝对的经典1969,而且绝对不是裸奔,结构紧凑制作精良,只是外观不是功放的样子,但也不难看。到时候上图片就一目了然,成本绝对不超过100元,当然要用二手的配件。 供电电压暂用12v, 每声道电流1.3A, 音量开至最大和最小,耳朵贴着喇叭,没有可闻噪声,先是带12寸裸体喇叭(有高音),吓一跳,声音还挺大的,第一次3瓦的体验,音量仅到三分之一,后来带一对BOSE101,低音很好,高音乐器定位精准,过去没听到的一些乐器声也跃然出现了,不失真音量下的音量在家中听音乐足足有余,可能邻居们还要有意见。 用频响测试碟从20赫兹到20k赫兹测,20hz喇叭振幅大,有可闻声浪,30hz,可闻声更大,40hz后,声压基本正常,直到10Khz都一样,由于碟的原因,10k以上测不准,改天换另一张碟测。由于是业余条件下,没法进行专业的测试。 图来了,是原理图。
是按图中的第一行参数配置的。 麻雀虽小,五脏俱全。跟14楼的不是一回事,比他的靓丽多了。百元的东东,只要插上220v电源,接上音箱,输入音频就呻吟,且妙不可言。不是裸奔,穿了件漂亮的泳装,如果想加外套的,先给个泳装尺寸,好去物色合身的外套。 泳装尺寸:W*H*L=15cm*17.5cm*14cm,立式,脸大好在上面画logo,签大名,送给mm的还可以贴上自己的靓照,把使用价值全部开发,物超所值。 既然成本要控制在百元内,首贴中成本分析中超过百元的、如机箱、环牛、散热铝通通pass掉,诶呀,难啊,这成本又不是由我定,是由市场定的,如真超过我也没办法。先上一组图吧,免得被拍死了。人工费嘛,为了偷税,就不计了。 ![]() 既然成本要控制在百元内,首贴中成本分析中超过百元的、如机箱、环牛、散热铝通通pass掉,诶呀,难啊,这成本又不是由我定,是由市场定的,如真超过我也没办法。先上一组图吧,免得被拍死了。人工费嘛,为了偷税,就不计了。 ![]() 洞洞板从没玩过,那天去买原件,看到有洞洞板,问店主这有人买吗,回答销量大着呢,奇怪在海口没发现有人自制电路,难道还有很多DIY隐藏在城市小巷里,后来再问,答都卖给学校,明白了学生做电学实验用的。拿来洞洞板,按照原理图走线,安放原件,为了避免跨接线还真伤了不少脑筋,由于一时的疏忽,最终还是用一条跨接线,遗憾。 洞洞板爬锡还真是个硬功夫,刚开始爬得难看,后来掌握了一点技巧就顺利了。前级管用的5401,放大倍数40左右,推动管用的是彩电视放管,型号忘了,等开盖时再报上,放大倍数130左右,功率级5200,β值一对86,一对114,手里只有五个管,仅是简单配对。中点电压U/2+-0.2V. 电阻四色环普通电阻,海口买电阻真难,220欧没买到,翻了几块板才找到的,电解4700、6800买的拆机件,小电解拆机件,最闹心的是输入电容,最后买了两个我都不知道用于何处的.47无极电容。 洞洞板93mm*71mm,6800u做电源滤波,4700u做输出,没买到接插件全部从板上焊线。输入端和音量电位器没做小版,直接焊线。输出线用强电接线槽。 34# mzsrz 欢迎你的到来,请多提宝贵意见,看得出你也是喜欢玩1969的,前不久看你们争论它是推挽还是单端放大,虽争论比较激烈,但从中学到了不少知识,值得。你装过1969,根据你的经验多提提建议,没有最好只有更好,如果能够做到即是低成本,又能出好声,对大伙来说就是福音,想低成本就低成本,想重金打造就重金打造,一举多得。 ![]() 诶呀,压力大啊。昨天好好睡了一觉。 你说这中文真有意思,“百元”在中文中不是一个确定数,可以是百元左右,也可以是二百元,可题目一出,大家一致的意思就只有一个,不能超过百元,看你怎么整。所以呀,压力大。 四只5200--26元,洞洞板--4元,散热片--10元,阻容原件+四个小管+电位器+输入端子--20元,已经60元。仅剩四十元了,咋办啊。 ![]() ![]() 44# YYBL 今天用她带BOSE-101音箱,放了一曲交响小品,声场之宽之深,没法形容,闭上眼睛,竟感觉不到音箱的存在,动态感十足,大动态时毫不拖泥带水,鼓声,弦乐声,管乐声齐鸣,而且每种乐器定位精准,毫不干涉,层次感清晰,特别是巴松管的声音特色凸显,小动态时,长笛短笛由远及近的重奏更是惟妙惟肖,小提琴的低吟声不毛不刺,这些是很多功放都难以表达的。至于音量嘛,昨天还打算把12v改17v,今天一听,完全没有必要了,除非你想让整栋楼都听到。之前看到坛上有人说1969听交响乐动态不足,低音不够,我倒觉得跟音箱关系很大,1969功率本来就小,音箱灵敏度低了,肯定就感觉音量不够,动态不够了。有BOSE-101,BOSE-301,JBL control 5的坛友不妨试试,
那天去二手电脑店花40元买了两个ATX电源,一个要好的,一个要坏的,坏的就用它的外壳,好的做电源。把风扇的线引出。 将功放组件放入,上下加绝缘纸。打孔将散热片抬高5-10mm固定,电源上下串通,并将电源及输出线引出。 ![]() 多来几张图。 ![]() ![]() 电源盒打开稍加改造。把不用的输出线全部咔嚓掉,仅留+12v和+5v引出,我的因想作维修电源,所以全部电压都引出。 (责任编辑:admin) |




洞洞板爬锡还真是个硬功夫,刚开始爬得难看,后来掌握了一点技巧就顺利了。



























![5W小怕死鬼[PASS]5w甲类功放](/uploads/allimg/121004/16151UB1-0-lp.jpg)
