最好的电子音响科技diy制作网站

haoDIY_音响电子电脑科技DIY小制作发明

当前位置: 主页 > 音响DIY > 功放DIY > 后级DIY >

再做 Symasym 功放

时间:2012-09-25 21:31来源:hifidiy.net论坛 作者:山耗子 点击:
用了电子三分频后,后级功放一直用的是MX50,以前推惠威的箱子感觉很不错,惠威特别是S系列的低音比较肥厚,没有力度的缺点有了很大的改善。不过最近换成了15寸的德国三分频专业音箱,感觉用MX50推出来声音太干了一些,特别是低音太硬了,缺乏弹跳力和厚度。


用了电子三分频后,后级功放一直用的是MX50,以前推惠威的箱子感觉很不错,惠威特别是S系列的低音比较肥厚,没有力度的缺点有了很大的改善。不过最近换成了15寸的德国三分频专业音箱,感觉用MX50推出来声音太干了一些,特别是低音太硬了,缺乏弹跳力和厚度。好几年前做过 Symasym 功放,当时觉得这个电路很均衡,声音比较温暖,低音潜得很深,趁休假开工


再做 Symasym 功放

再做 Symasym 功放

再做 Symasym 功放

再做 Symasym 功放

再做 Symasym 功放

再做 Symasym 功放


再做 Symasym 功放

再做 Symasym 功放

看图。
热转印的效果还是很理想的,除了大面积覆铜打印的时候碳粉不够均匀,有些小洞,不过用指甲油修补一下就完美了。受限于机箱的尺寸,只好把电压放大和电流放大画成两张板子



自己做板也是没有米呀,关键是常常有bug,定型的话基本上都要做几个版本,自己动手还有个好处就是出板快,一个小时就搞定了

其实不想这么废神画板,原来老外画的就很好了,只是和机箱不配,机箱是清风的全铝小箱子,空间太小了,必须要重新设计

昨天一下午的成果,前级主板已经弄完,小管用的是MPSA18  放大倍数在400以上
再做 Symasym 功放

再做 Symasym 功放

机箱不到A4纸大,这样布局后看上去空间还不错,变压器辐射对前级的影响可以减少少最小,解决了小机箱变压器辐射串到电路里。不过最终里面也是满满的,因为里面是4声道。
再做 Symasym 功放

下午忙了一个多小时,弄成了这样,打洞不是我的强项,手电钻弄出的孔确实没有台钻的精致,晚上没事就开焊了。



再做 Symasym 功放

翻出器件包,功率管有两种,虽然MJL21193很好,特别是大电流状态下比5200之类的好多了。不过这个功放主要是做电子分频的中音和高音,选东芝的3280就可以了。 再做 Symasym 功放



推动管有三种,测试了一下,C5171对管的放大倍数误差相对要小得多,就选它了
再做 Symasym 功放

电压放大级原帖用的2N5551的对管,可惜手上的管子是很久以前在成都买的,放大倍数只有100,而且NPN和PNP的误差太大了,这次换成这个

再做 Symasym 功放

,放大倍数在200左右,而且对管的放大倍数误差很小,不到10



再做 Symasym 功放 好不容易焊了一个出来,剩下两个管子固定就准备接电调试的,却发现有一边的推动管竟然焊短了。。晕。正面看板子上面没两个器件,还真不习惯,明天接着弄吧
再做 Symasym 功放

再做 Symasym 功放

再做 Symasym 功放


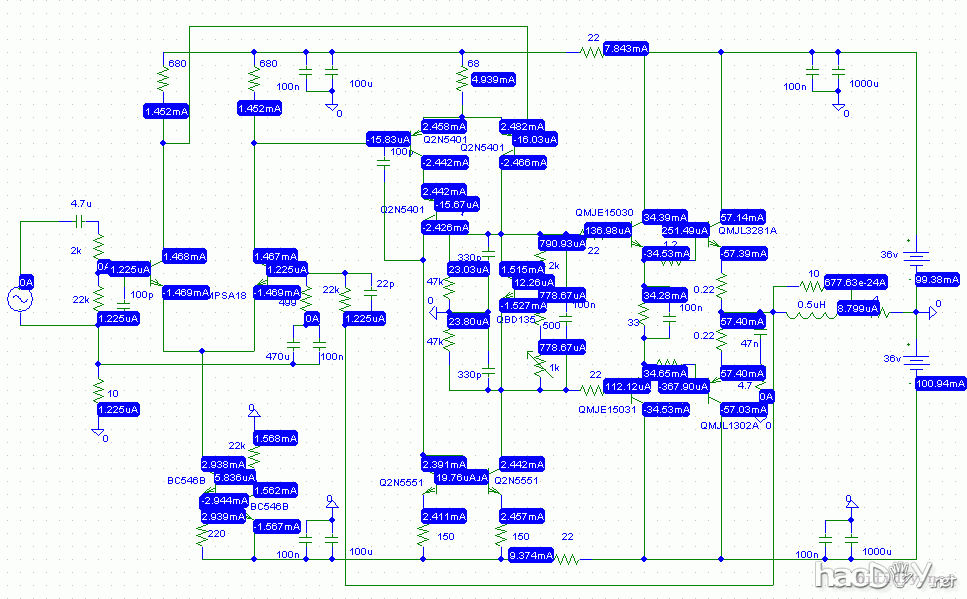
这是老外的原理图和PCB图,一并贴上来供参考吧。
再做 Symasym 功放

再做 Symasym 功放

做着做着,发现这一版PCB设计上有些问题,两个声道布线不对称,于是用了一上午重新调整了一下,这下基本满意了
再做 Symasym 功放

今天下午把改了的电流放大级PCB做了出来,看上去好多了,吃了饭测试
再做 Symasym 功放
再做 Symasym 功放

再做 Symasym 功放

花了两天时间,抽空把机箱的孔开了,喇叭输出端子用航空插头。做PCB的时候,有一个声道的孔没弄好,看上去影响美观。。呵呵,而且PCB太宽了,决定又折腾一下。晚上两个小时的成果,这是第三版了DIY就是折腾啊,明天继续。


(责任编辑:admin)
织梦二维码生成器
顶一下
(2)
100%
踩一下
(0)
0%
------分隔线----------------------------
发表评论
请自觉遵守互联网相关的政策法规,严禁发布色情、暴力、反动的言论。
评价:
表情:
用户名: 验证码:点击我更换图片
栏目列表
推荐内容