DIY LM3886芯片的放大器(Gainclone)套件所以,到底是什么一个Gainclone?最初,的长期Gainclone意味着一个的47实验室Gaincard的克隆。47实验室的的型号4706 Gaincard的理解,一般有以下功能:
然而,Gainclone现在一般理解为:任何低元件芯片放大器适用于高品质的声音。 照片1显示了47实验室的型号4706 Gaincard其中零售价约$ 3300US。尽管高零售价的Gaincard,你应该很容易就可以建立一个伟大的冠冕堂皇的gainclone低于$ 200US。
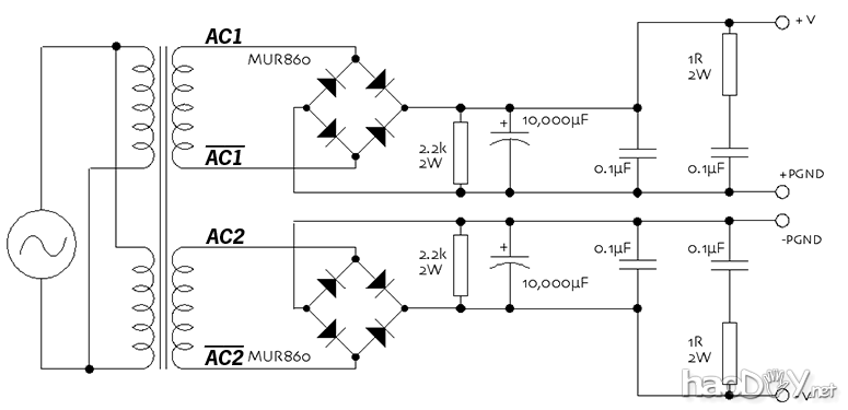
照片1:47的实验室模型4706 Gaincard和电源积重难返,好了,现在你有兴趣在一个芯片上的放大器,你想知道你到底应该开始吗?一个好的起点将是chipamp.com的。在Chipamp.com,你可以买套或印刷电路板建立你自己的芯片放大器。“LM3886芯片放大器”的搜索将网你更多的信息,你可能可以消化。 此工具包的更多信息,请参见用户指南的非反相LM3886 Chipamp工具包 - (PDF 280KB)。下面在图1中所示的放大器电路的LM3886 chipamp的。 图1:LM3886 Chipamp的原理为试剂盒的在下面的图2中所示的电源电路。 图2:LM3886 Chipamp电源原理图建筑 - LM3886芯片的放大器(Gainclone)套件我购买裸印刷电路板为LM3886和“snubberized”电源chipamp.com。我决定不包,因为我有几个所需的被动元件和其余的组件可以在本地。在试图得到一个更悠闲的声音,我选择了我方便手头上的碳膜电阻器使用。10000μF滤波电容,而是我没有理由比我捡了几块钱上的售价为15000μF上限。我得到了真正的幸运与的160VA Piltron环形线圈和散热片给我的噶从diyAudio.com为航运($ 20CDN)的成本。非常感谢你噶!:)
照片2:LM3886 IC放大器组装PCB heasink至于我自己,我总是觉得最困难的部分是机箱的DIY项目。我有一些运气,一个的哈蒙德铝机箱使用我的K-12M电子管功放项目,所以我决定再次去哈蒙德路线。1444年至1432年哈蒙德的底盘是在温尼伯当地提供从前端电子供应约33CDN。
照片3:哈蒙德1444年至1432年铝机箱对于电源,我用了一个IEC插座,6 EMI滤波器,从死亡的CRT电脑显示器回收。从我的零件箱的保险丝座,并保持2安培慢熔断保险丝。电源导线的14号绞合铜线。 照片4显示了底部的单片放大器。我扭在一起,所有的AC线显而易见的原因,我一直的RCA输入和放大器PCB并拢,从AC远。在照片中,还可以看到明星接地。我有一些遗留下来的房地产到一个较小的外壳,因此可以很容易地适应这种放大器。在前面是一个小的电源开关与一个内置的LED运行的电源板。
照片4:LM3886 Chipamp接线
照片5:LM3886 IC芯片功放的接线从后面看在照片6所示,你可以看到简单的RCA插孔和接线柱。RCA插孔我已经离开了,从以前的项目,而具有约束力的职位是给我的一个工友。从旧柜子的把手打捞。有你有它,我的LM3886芯片放大器与少于$ 100CDN的投资。
照片:后的LM3886 Chipamp认为,
图片7:前面板和顶部的LM3886 Chipamp认为声音 - LM3886芯片的放大器(Gainclone)套件当我第一次发射时,我立刻感到惊讶多大的权力是可利用的,水平的细节和美好的低音响应。这听起来比我更好的期待和更好的比它应该考虑的简单性和低成本。 (责任编辑:admin) |


































