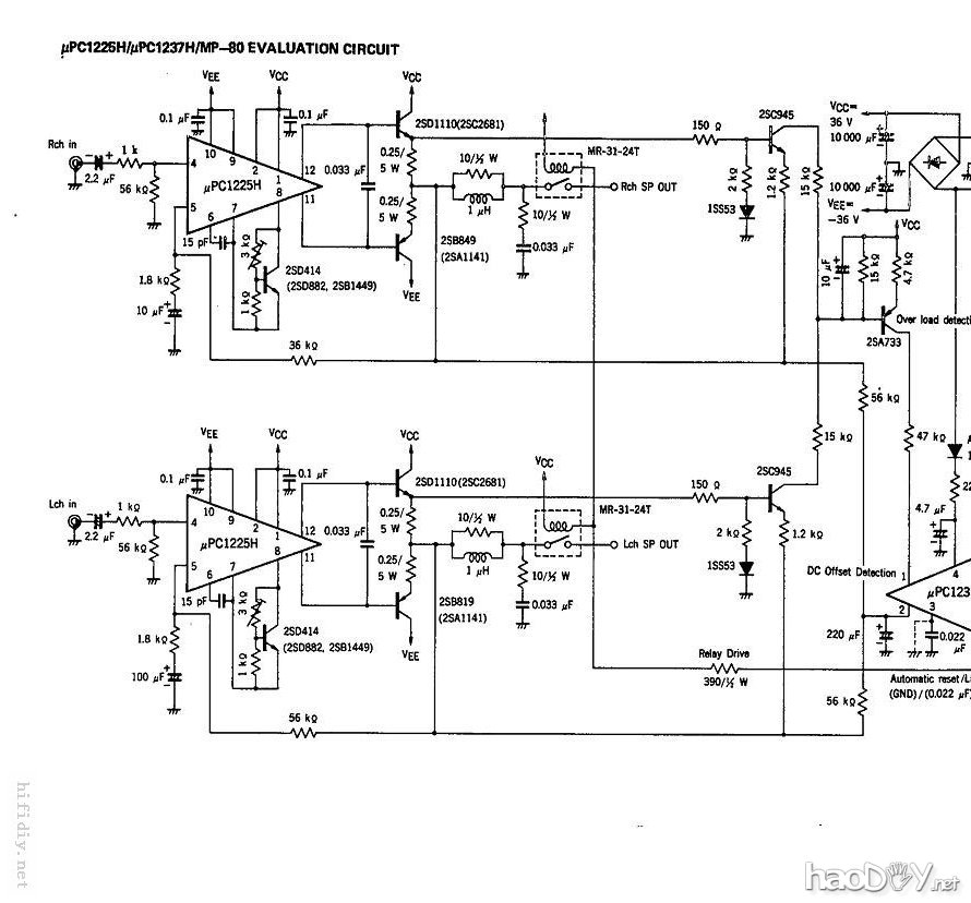
来到这里的目的就是“HIFIDIY”,过年后还未发过贴,现在开市啦!曾经做过upc1342v,upc1270h,今次竟然选了比他们还经典的NEC upc1225h来做推动,因为他很耐听。以前发过这样的贴,但今天既然做出来了,还是把他放上来吧。平民性的DIY就是普通的工具,普通的材料,普通的技术。upc1225h资料链接:http://www.datasheetcatalog.org/datasheet/nec/UPC1225H.pdf。东西要备好才好开工:感光电路板,显影剂,硫酸纸,光源,三氯化铁,喷墨打印机......![]() ![]() ![]() ![]() ![]() ![]() ![]() 先把PCB打印在A4的硫酸纸上,撕开感光板保护膜,把图纸带墨的那面贴在PCB感光膜上,用玻璃压住,灯管距玻璃5cm,曝光12分钟(这是我的经验)。然后放在显影剂显影,具体使用方法这里有:http://www.hifidiy.net/sztp/200706/t20070624_957.htm, ![]() ![]() ![]() ![]() ![]() ![]() ![]() IC超过30v就很高温,就算没开音量也一样,高温才出好声。或者你加大散热面积吧。 ![]() (责任编辑:admin) |






























