|
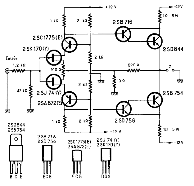
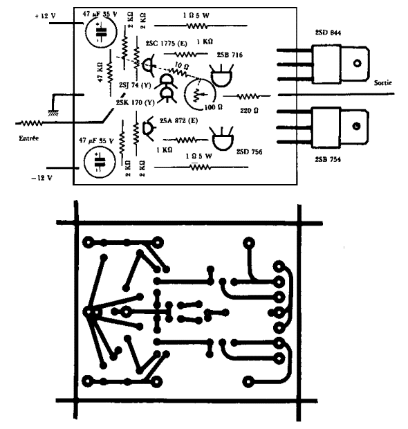
让·平贺敬的文章乐Monstre阅读后,我听到自己这个简单的8W类的放大器的声音听起来很感兴趣。 我用原来的电路板布局,晶体管和JFET,并做了一些修改。散热增加至约三倍的推荐量。而不是使用标准的桥式整流,电容器组和电池设置,我选择了一个稳压电源,共127,0000 uF的电容,每通道和一个500 VA环形变压器(而不是一个160 VA EI或C芯变压器作为根据文章)。 图1:让·平贺乐Monstre 8W-A类放大器原理图图2:让·平贺乐Monstre印刷电路板(PCB)布局建筑 - 让·平贺敬的“Le Monstre”级-A 8W放大器
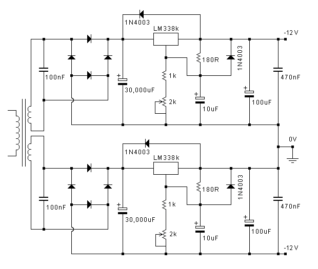
照片1:DIY PCB让·平贺敬的Monstre /怪物我的“受规管怪物”是当前正在运行的0.5-0.6安培每平贺敬的建议偏见的文章。我测试了电源,你可能认识的约翰·Linsley宝贝简单的A类放大器1996年从威廉姆斯哈特电子版本的PCB。我已经升级的供应LM338K TO-3的情况下,监管机构,以代替原来的LM338T TO-220调节器(LM338稳压器的更多信息,计算器)。在板凳上供应的措施非常好此配置中的以下160 200uV的纹波的峰-峰值2A系列负载下。尽管这样低的噪音水平,我想尝试的电池供电,其巨大的电流能力,尽可能接近零噪音。 图3:约翰·Linsley宝贝LM338稳压电源原理图我用手工做的情况下工作,这是喷砂铝。3毫米后面板,4 mm底座面板和盖带10毫米的前面板。散热片是约350×180×35毫米。紧固件主要是沉不锈钢M5和前面板隐藏的定价,用一个3毫米的蓝色LED灯指示电源已开启。
照片二:让·平贺Monstre /怪物8W A类放大器
照片三:让·平贺Monstre /怪物8W A类放大器尺寸 - 让·平贺敬的“Monstre”级-A 8W放大器各种测定在下面的照片显示在示波器上的Le Monstre放大器。 UPDATE - 2008年6月-增加了一些示波器拍摄的放大器负载下。
照片4:1kHz和10kHz正弦波的完整输出到8欧阻抗
照片5:10kHz的方波和300kHz的正弦波
照片6:稳定在裁剪 - 1kHz时到8ohms声音 - 让·平贺敬的Le Monstre-A级8W放大器我很高兴这个放大器的声音。它真的没有让我失望。即使在一个大房间,用相当标准的3路扬声器,令人惊讶的是充足的动力。让我最重要的是区分文书和噪声声级放大器的能力。这种清晰是我最喜欢的,我认为这是通过让·平贺看似简单,纯粹的电路拓扑结构。 总的来说,我会建议平贺敬的的乐Monstre放大器设计中的任何一个,谁赞赏听音乐。 UPDATE - 2009年2月- ,丹constucted另一个让·平贺敬的A类放大器。这一次的“超级-A 30W”的设计。的全部详细信息,请参阅该项目的页面- 让·平贺的超级类放大器。 (责任编辑:admin) |

































