|
本接收机针对那些经验丰富的无线电爱好者,用于接收广播电台、业余电台及服务性电台长波、中波及短波波段的无线电信号。
制作一台接收机的想法由来已久,但是互联网上和无线电杂志中却找不到成熟的电路结构或文章。既然没有令人满意的电路形式,那么就让我自己来设计、开发吧!首先确定以下条件:
——简单
——可行
——便宜
——尽可能好的指标
尝试了许多所能做到的试验,最终从这些试验中确定了本文所介绍的电路,窃以为——本电路的设计非常成功,完全满足上述要求。接收机的制作简单可行,也没有使用什么非标准的滤波器和石英振荡。
接收机的技术指标:
工作频率 0.1 - 30 MHz
SSB灵敏度 < 0.5 mkV
AM灵敏度 < 2 mkV
中频(变频)频率ПЧ:
1 - 61.925 MHz
2 - 10.7 MHz
3 - 455 kHz
(注:俄文字母ПЧ——中频或者是变频,由读者自己确定)
临频选择性:取决于455 kHz滤波器(这里选择性很大)
镜像频道选择性:
1 - 中频 > 80dB
2 - 中频 > 70dB
3 - 中频 > 70dB (很大程度上取决于滤波器10.7 MHz的品质)
合成器调谐步长:- 100 Hz – 1 kHz – 10 kHz - 100 kHz
2个可转换VFO
10单元不调电记忆
工作方式和频率显示精确度到1 kHz
АМ方式下精确显示频率,SSB下由455 kHz本振频率决定,在程序中不予考虑。
供电电压+12 V
外形尺寸:150 x 150 x 50 mm
功能示意图简单明了:

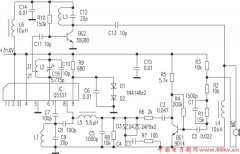
接收机电路原理图:

接收信号经过外部(断开的)衰减器进入固定输入滤波器,长波、中波波段强台弱信号通过C3L2第二级高频滤波器顺利完成选择性,第七级低频滤波器(截止频率30 MHz)按照第一中频镜像频道实现选择性。接下来接收信号进入混频器DA1(型号:ADE–1E–SMD ,类似西方普通型号:SBL-1)。这个普通二极管混频器(制作的非常棒)可以按照规范电路用4个二极管和2个铁氧体线圈变压器自己制作。来自合成器的本振信号+7dBm进入混频器第二输入。频率转换的结果在混频器输出形成61.925 MHz第一中频信号,沿线路进入位于左侧三极管Q1的匹配增益限幅器,再进入第一中频带状滤波器,以便抑制10.7 MHz (40.525 MHz)第二中频镜像频道。
滤波后的信号从三极管Q6第二脚进入第二混频器,第二脚进入的本振信号51.225 MHz (倍增器x5),从三极管Q4返回。L9C28回路解出的10.7 MHz第二中频信号进入第二中频滤波器,抑制第三中频455 kHz ( 10.245 – 0.455 = 9.79 MHz )的镜像频道。经过滤波,第二中频信号进入转发器Q8,然后进入集成电路DA2 TDA1083输入端(完全等同К174ХА10),经放大并进入集成电路内部混频器,本振信号10.245 MHz (Q2)也由此通过。455 kHz第三中频信号从集成电路第四输出经压电陶瓷滤波器进入TDA1083中频线路,并在这里完成放大、鉴频 。除此之外,信号从中频输出进入混频检波器(三级管Q13的第二脚),从第二脚(SSB方式下)进入本振信号455 kHz (Q11)。音频信号从场效应晶体管进入АМ/SSB (VD1VD2)方式下电子整流器和音量调节器,ЗЧ信号在TDA1083内部衰减。经过С42由扬声器或耳机放大、输出。
三极管Q3 、Q5、 Q7为电子整流器。SSB开启信号从控制板进入接收机SSB 接头。为了转换(在必要情况下)单边带接收在Q9设置了电子开关,当接通USB /LSB接头лог.1 时,机壳上的С55电容接通,在中频滤波器АЧХ(自动频率同步)低斜面上的455kHz本振频率移动。三级管Q10 、Q12组成S-米波放大器。
合成器电路原理图:

频率合成器按照单循环PLL合成器(最小调谐步长100Hz)电路图组装,本振使用DDS 频率合成器AD9835(最廉价的一种)。信号放大器组装在三级管Q1,借助变容二极管重新调整波长使其位于62.025–91.925 MHz之间。在Q3组成缓冲放大器,放大器信号从其输出端进入发射转发器Q4、Q5。从Q4输出进入接收机混频器,从Q5到频率分配器100(可以用其他现有的数字集成电路,只要具备2个条件:1. 脉冲数频率>100 MHz;2. 总的分解系数等于100 )DD1, DD2 ,DD3。然后620250–919250 Hz频率信号进入频率-相位检波器DD4 ,DA3的一个输入端,从输出端失调信号进入信号放大器变容二极管,ФАПЧ闭合回路。来自DDS合成器本振信号频率620250–919250 Hz,经低频滤波器L3L4C11C14C19和Q2放大器进入频率-相位检波器的第二输入。信号放大器每调谐100Hz DDS频率改变1Hz。
频率-相位检波器电路借用此处: http://www.cqham.ru/phaze_det.htm
为了使DDS工作,石英振荡器频率一定要在50 MHz Y1。DDS控制信号由控制板沿第三导线进入。
控制模块电路原理图:

控制模块使用最常见的PIC16F84A和两行LCD HD44780。电路很简单也不需过多的解释。
飞梭使用机械式带内置按键旋钮(旧显示器上的),用起来非常顺手——按下飞梭可转换2 VFO-A/B,存储工作方式下纪录当前频率及AM或SSB工作状态至所选的存储单元。为了节省空间前面板只设置一个旋钮。
其余的按键为普通形式,功能参照电路原理图上的名称:按键MODE/M > VFO 转换工作方式AM或者SSB,在存储工作方式下从存储记单元设置频率和AM或SSB工作状态到当前VFO。
按键MEM开启存储工作方式,按键STEP/< MEM>转换调谐步长:100 Hz–1kHz–10kHz–100 kHz,在存储工作方式下选择存储单元:M_0-M_9循环。
LCD显示频率、步长、工作方式及当前VFO,在存储工作方式下——存储单元号码。当打开接收机时设置接收频率14200 kHz、SSB工作方式及当前VFO_ A。
还要补充一下,当第一次开机时(PIC16F84A经过编程后)PIC EEPROM 为存储工作方式,显示状态(1),以便修正接收机的存储记忆,然后按照上述步骤存入您所选择的频率。
关于程序:
很多子程序从这里获得:
http://www.elektronikschule.de/~krausg/Longwave/Collection/Signal_Sources_and_Oscillators/DDS%20VFo/DDS%20VFO.htm
程序做得很好,所有存在的问题已被修正,运行很稳定。
结构:
接收机由3块电路板组成
——接收机主板
——合成器
——控制板
合成器和控制板用模板电路板制作,因为在制作过程中要不只一次的改变线路和步骤。
接收机用单面印刷电路板制作(使用专门的非一次性转印工艺,借助电烙铁用激光打印机打印在玻璃酚醛塑料薄片上),再插接上SMD贴片元件。几乎所有使用的电阻、电容尺寸都是0603。电路板尺寸100x50mm。
10.7 MHz和455 kHz中频振荡电路来自工业
(责任编辑:admin) |