最好的电子音响科技diy制作网站

haoDIY_音响电子电脑科技DIY小制作发明

晒晒我的二波段电子管CW发射机

时间:2013-03-02 11:33来源:www.hellocq.net 作者:BG8GYK 点击:
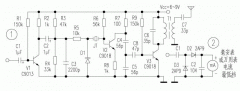
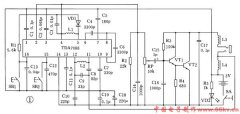
近有空,装了二波段电子管CW发射机和电源,机壳为黑的,电子管为6N1和6P15,因无7.023和21.123的晶体,用22.185的试了机,输出有2.8W,电源低压输出有340V,任务时为260V,下步想试下提高电压看看,用300V试下。见下图: [attachment=596105][attachment=5961
近有空,装了二波段电子管CW发射机和电源,机壳为黑的,电子管为6N1和6P15,因无7.023和21.123的晶体,用22.185的试了机,输出有2.8W,电源低压输出有340V,任务时为260V,下步想试下提高电压看看,用300V试下。见下图:

晒晒我的二波段电子管CW发射机



晒晒我的二波段电子管CW发射机


晒晒我的二波段电子管CW发射机


晒晒我的二波段电子管CW发射机


 近有空,装了二波段电子管CW发射机和电源,机壳为黑的,电子管为6N1和6P15,因无7.023和21.123的晶体,用22.185的试了机,输出有2.8W,,电源低压输出有340V,任务时为260V,下步想试下提高电压看看,用300V试下。见下图

晒晒我的二波段电子管CW发射机


晒晒我的二波段电子管CW发射机



晒晒我的二波段电子管CW发射机


晒晒我的二波段电子管CW发射机



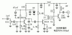
电路是按BD6RA教员的“二波段电子管CW发射机”抄板来的,如图

晒晒我的二波段电子管CW发射机


(责任编辑:admin)
织梦二维码生成器
顶一下
(3)
100%
踩一下
(0)
0%
------分隔线----------------------------
发表评论
请自觉遵守互联网相关的政策法规,严禁发布色情、暴力、反动的言论。
评价:
表情:
用户名: 验证码:点击我更换图片