|
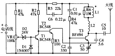
该电话无线产生器电路简质朴用,能将两边通话内容发射到空中,可由无线吸取机吸取。电路道理如附图所示。 该发射器由自动开关和调频发射机两部门构成。自动开关部门由R1~R3、微调电位器VR1、晶体管T1、T2、稳压管D2和二极管D1等构成。R1与VR1组因素压器,当电话线的直流电压为48V时,VR1的输出电压为0~32V。电路事变状态的转调换决于稳压管D2的击穿电压(此处为24V)与T1的导通电压(0.7V),因此将VR1的输出调至24.7v时,就会使D2击穿和T1导通,此时T1的集电极电位低落,T2截至。若拿起电话机的手柄,则电话线电压降到约11V,T1截至,T2导通,T3直畅通路得以形成,电路起振。 小功率调频信号发射器由晶体管T3、线圈L1等构成,T2起电子开关(接通/断开)的浸染,电话线上的音频信号沿晶体管T2及串联电阻R3,对振荡频率举办调制,调制后的高频信号送到天线发射。只要调频吸取机调谐到调频发射器的发射频率,就能听到两边的通话。 L1用SWG36号漆包线在1MΩ、1W的电阻上绕45匝,L2为直径12mm的空心线圈,用SWG21号漆包线绕3匝。 该电路的直流电源取自电话线,无需外接电源,因为电路耗电很小,不影响电话的正常事变。该发射器调试完毕后,可装在3.75×5cm的盒内。
(责任编辑:admin) |

























