|
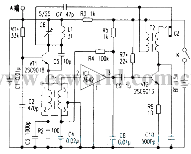
本文先容的调频吸取机操作超再生调频吸取道理,因回收了高增益微型集成电路,故电路简朴新奇。访问结果到达一样平常调频吸取机的程度,同时降服了超再生吸取机选择性差、噪声大等弱点,又保持了迅速度高、耗电少、线路简朴和本钱低(元件用度不敷5元)等利益。得当电子喜爱者建造。 该机的电路道理图如图所示。
由超再生调频吸取、FM-AM调动部门、调幅检波及低放电路构成。调频波的超再生吸取,现实上就是将调频波转换成调幅波,同时对换幅波举办包络检波以获得低频信号。图中的三极管VTl及外围元件构成典范的超再生调频吸取电路,并将调频波信号转换成调幅信号以及举办包络检波输出音频信号。假如直接从R3端取出包络检波后的音频信号举办放大,获得的音频噪声较量大,但使吸取机的选择性变差。 因此,这里回收从VT1的发射极通过串联回路中的高频扼流圈上感到到的调幅信号再举办高频放大、检波输出音频信号的要领,以降服上述不敷。当VT1事变时,在高频扼流圈上会形成一个被调频节目调制的调幅信号。这个信号通过互感器T1耦合到调幅专用吸取微型IC1 7642长举办调幅波的解调。 这块集成电路包括了一级高阻输入、三级高频放大及检波输出的全进程,并且增益大于70dB。检波输出的音频信号由电容C9耦合到三极管VT2举办低频放大,通过耳机插座CZ输出到负载(耳机)收听广播节目。高频扼流圈T2浸染是防备高频信号与电池及其他部门形成回路而被衰减,但对音频信号却无阻碍浸染。 电容C6为小型瓷介微调电容,焊接时要求把动片接在图中的A端,目标是减小调台时人体感到对换谐回路的影响。高频电感L1回收Φ1.0mm的漆包线在Φ5.0mm的圆棒上绕3圈脱胎而成。高频扼流互感器T1选用从旧机中拆下的AM-IFT微型中周绕制,把原本绕制在“工”字形磁心上的漆包线拆下,再用ΦO.07mm的高强度漆包线重绕,低级高频扼流部门绕约50圈,次级感到部门绕约150圈后加上调理磁帽及外屏障即可。高频扼流圈T2选用双孔磁环,用Φ0.2mm的漆包线在各孔中各绕10圈制成。 先通过调理R1把VT1的集电极电流调为0.3mA—0.5mA,调理电阻R7使VT2的集电极电流约为2mA。此时用耳机便可收听到“丝丝”流水响声(电噪声),通过调理C6的电容量来收听调频台的广播节目。细调L1匝距和T1的磁帽,使音质音量最好。 (责任编辑:admin) |


















